电脑桌面
添加小米粒文库到电脑桌面
安装后可以在桌面快捷访问

某某有限公司重大危险源安全评估报告(定稿)VIP免费

某某有限公司重大危险源安全评估报告(定稿)_第1页
1/75
某某有限公司重大危险源安全评估报告(定稿)_第2页
2/75
某某有限公司重大危险源安全评估报告(定稿)_第3页
3/75
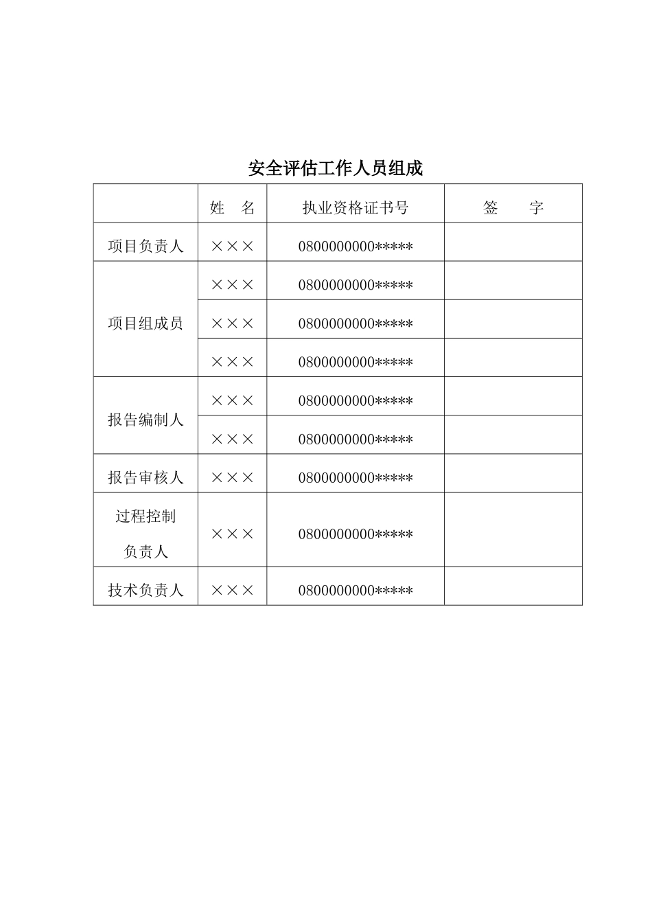
×××有限公司50万吨/年(一期25万吨/年)磷酸一铵项目重大危险源安全评估报告×××安全评价有限公司资质证书编号:APJ-(黔)-×××二零一二年三月×××有限公司50万吨/年(一期25万吨/年)磷酸一铵项目重大危险源安全评估报告法定代表人:技术负责人:评估项目负责人:2012年3月安全评估工作人员组成姓名执业资格证书号签字项目负责人×××0800000000*****项目组成员×××0800000000*****×××0800000000*****×××0800000000*****报告编制人×××0800000000*****×××0800000000*****报告审核人×××0800000000*****过程控制负责人×××0800000000*****技术负责人×××0800000000*****×××有限公司50万吨/年(一期25万吨/年)磷酸一铵项目重大危险源评估报告前言×××有限公司是我省大型非公有制骨干企业,成立于1996年,注册资金7000万元。×××有限公司化工分公司是2007年经地方政府协调,将原××西洋磷业有限公司50万吨/年磷酸一铵项目转让给×××有限公司而成立的分公司,该分公司现有员工380人,该公司经过综合考虑,将50万吨/年磷酸一铵项分期进行,25万吨/年磷酸一铵项目于2010年基本建成,经过反复调式,项目现进入验收阶段。该项目有危险化学品和重大危险源存在,根据《危险化学品重大危险源监督管理暂行规定》(安监总局第40号令)及《关于进一步加强危险化学品安全评价工作的通知》黔安监管三[2012]1号文等有关规定,项目在安全验收前要进行重大危险源专项评估。受×××有限公司的委托,贵州威华安全评价中心承担×××分公司50万吨/年(一期250万吨/年)磷酸一铵项目重大危险源安全评估工作。我公司接受委托后,成立了安全评估组,对委托评估项目进行了实地考察,收集了由企业提供的相关文件、基础材料等,按照《贵州省重×××有限公司50万吨/年(一期25万吨/年)磷酸一铵项目重大危险源评估报告大危险源安全监督管理规定》、《重大危险源分级标准》等的要求,确定本项目重大危险源的数量、状况及其分布,提出科学、合理和具有可操作性的安全对策措施建议,得出评估结论,编制重大危险源安全评估报告。本次重大危险源安全评估主要包括评估依据、企业简介,重大危险源辨识与分析,重大危险源评估、重大危险源分级、评估结论及建议等内容。通过对可能发生的事故类型及严重程度的分析,对重大危险源进行等级划分,提出对策措施建议,为企业在重大危险源管理过程中提供参考。在进行评估工作和报告编制过程中,评估人员多次到项目现场调研和收集资料,得到了×××有限公司有关部门的积极配合和协助,同时也得到多位专家的大力帮助和支持,在此表示衷心的感谢!×××公司50万吨/年(一期25万吨/年)磷酸一铵项目重大危险源评估报告目录第一章评估目的、范围、原则及依据..................................................................................11.1评估目的...........................................................................................................................11.2评估范围............................................................................................................................11.3评估原则及依据...............................................................................................................11.4评估程序...........................................................................................................................4第二章企业基本情况..............................................................................................................62.1企业概况...........................................................................................................................62.2地理位置及自然条件........................................................................................................62.3生产规模及平面布置.....................................................................

1、当您付费下载文档后,您只拥有了使用权限,并不意味着购买了版权,文档只能用于自身使用,不得用于其他商业用途(如 [转卖]进行直接盈利或[编辑后售卖]进行间接盈利)。
2、本站所有内容均由合作方或网友上传,本站不对文档的完整性、权威性及其观点立场正确性做任何保证或承诺!文档内容仅供研究参考,付费前请自行鉴别。
3、如文档内容存在违规,或者侵犯商业秘密、侵犯著作权等,请点击“违规举报”。

碎片内容

某某有限公司重大危险源安全评估报告(定稿)

中小学文库+ 关注
实名认证
内容提供者

精品资料应用尽有

确认删除?
VIP
微信客服
  • 扫码咨询
会员Q群
  • 会员专属群点击这里加入QQ群
客服邮箱
回到顶部