电脑桌面
添加小米粒文库到电脑桌面
安装后可以在桌面快捷访问

某大型污水处理工程中预应力水池施工技术VIP免费

某大型污水处理工程中预应力水池施工技术_第1页
1/9
某大型污水处理工程中预应力水池施工技术_第2页
2/9
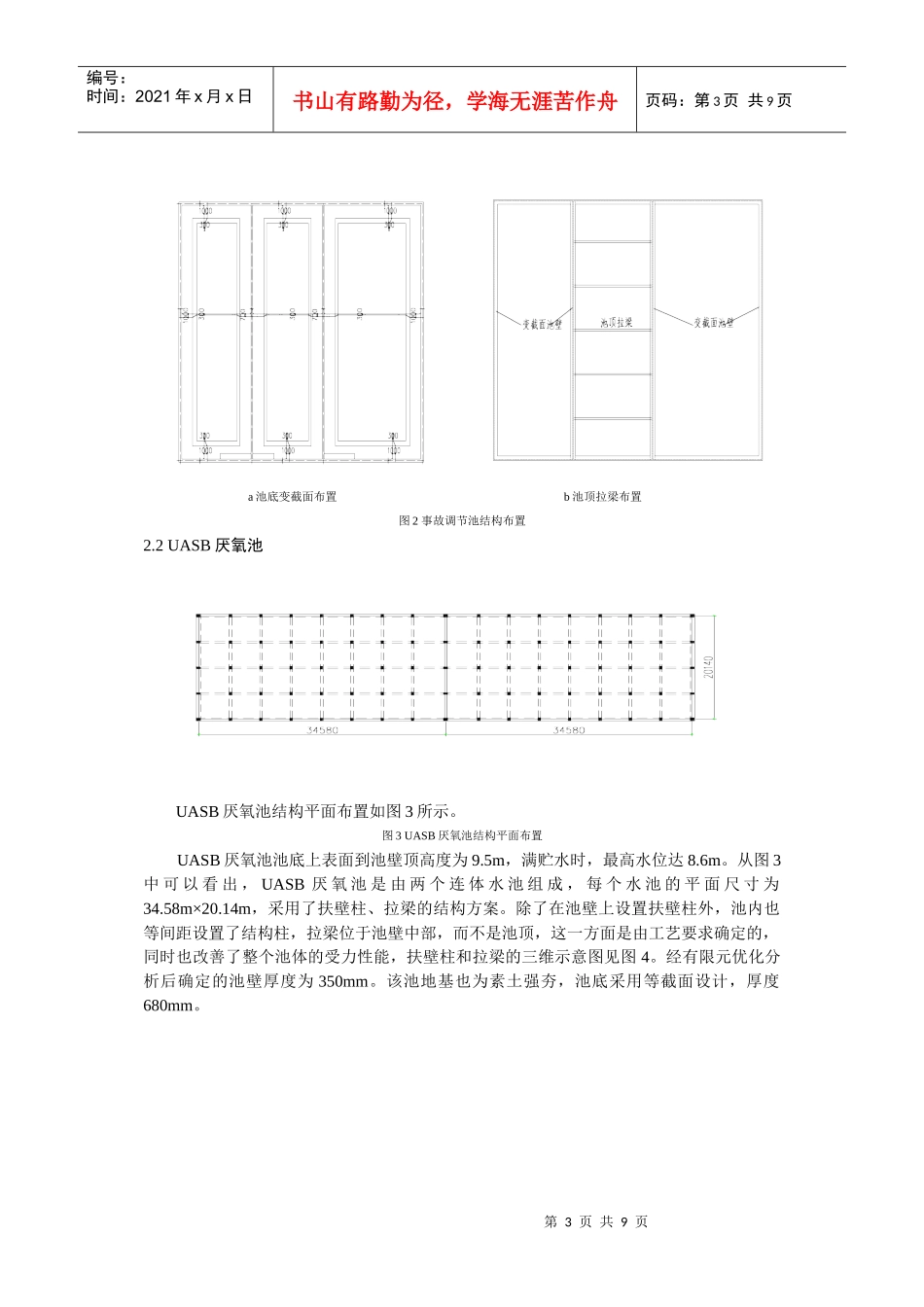
某大型污水处理工程中预应力水池施工技术_第3页
3/9
第1页共9页编号:时间:2021年x月x日书山有路勤为径,学海无涯苦作舟页码:第1页共9页大型污水处理池预应力施工技术张工文1刘航2李晨光2(1、中国纺织工业设计院,北京1000371;北京市建筑工程研究院,北京100039)提要介绍了某大型污水处理工程中预应力水池的结构方案和预应力施工技术,并进一步探讨了预应力技术在大型水池中的应用。关键词水池,预应力,防腐蚀锚具,施工1工程概况某大型污水处理项目包含多个大型矩形水池,如事故调节池(70.46m×79.38m×8.08m)、射流曝气池(32m×80m×9m)、UASB厌氧池(20m×68m×9.5m)等,这些水池由于体型巨大,且贮水水位较高,在使用荷载下较易出现裂缝,导致渗漏。为防止池壁、池底混凝土在水压力、水温度的作用下出现裂缝,在池壁、池底中配置了无粘结预应力筋,在拉梁中配置了有粘结预应力筋。该工程主要用于污水处理,属于二、三类环境,采用了L&L全封闭防腐蚀锚具,另第2页共9页第1页共9页编号:时间:2021年x月x日书山有路勤为径,学海无涯苦作舟页码:第2页共9页外,由于采用了不同的结构方案,各水池的预应力筋布置各不相同,本文介绍了各水池的预应力施工特点。2结构方案2.1事故调节池该工程事故调节池平面布置如图1所示。从图1可以看出,该事故调节池由三个连体水池组成,每个水池的轴线长度均为70.46m,宽度分别为23.46m、23.46m、32.46m。事故调节池池底上表面到池壁顶高度为8.08m,满贮水时,最高水位为7.6m。地基为素土强夯。由于为事故调节池,结构除承受水压力外,还将承受80--90℃高温水所带来的温度作用。可以看出,如采用常规钢筋混凝土结构,在上述水压力和温度作用下,结构将产生较大的内力,导致池体开裂。为提高水池的抗裂能力,应主要从两个方面采取措施:一方面是结构方案的优化,即通过采用合理的池壁和池底厚度等方法,减小结构所承受的拉应力;另一方面是通过采用预应力技术,对受拉截面施加预压作用,从而减小结构所承受的拉应力。这两种措施可以相互配合采用,以达到最佳的使用性能。确定采用的结构方案平面布置如图2所示,池底采用变截面设计,中间薄,两边厚,池底最薄部位厚300mm,最厚部位厚1000mm。考虑到池壁截面应力自下而上迅速减小,采用变截面池壁,池壁根部厚900mm,顶部厚300mm,仅在池2顶部设置短方向的拉梁。图1事故调节池平面尺寸示意第3页共9页第2页共9页编号:时间:2021年x月x日书山有路勤为径,学海无涯苦作舟页码:第3页共9页a池底变截面布置b池顶拉梁布置图2事故调节池结构布置2.2UASB厌氧池UASB厌氧池结构平面布置如图3所示。图3UASB厌氧池结构平面布置UASB厌氧池池底上表面到池壁顶高度为9.5m,满贮水时,最高水位达8.6m。从图3中可以看出,UASB厌氧池是由两个连体水池组成,每个水池的平面尺寸为34.58m×20.14m,采用了扶壁柱、拉梁的结构方案。除了在池壁上设置扶壁柱外,池内也等间距设置了结构柱,拉梁位于池壁中部,而不是池顶,这一方面是由工艺要求确定的,同时也改善了整个池体的受力性能,扶壁柱和拉梁的三维示意图见图4。经有限元优化分析后确定的池壁厚度为350mm。该池地基也为素土强夯,池底采用等截面设计,厚度680mm。第4页共9页第3页共9页编号:时间:2021年x月x日书山有路勤为径,学海无涯苦作舟页码:第4页共9页图4UASB厌氧池扶壁柱和拉梁布置示意2.3射流曝气池射流曝气池结构平面布置见图5。图5射流曝气池结构平面射流曝气池池底上表面到池壁顶高度为9.02m,满贮水时,水位高度为8.0m。从图5可以看出,该射流曝气池由两个连体水池组成,每个水池的轴线长度均为80.14m,宽度为16.35m。为改善结构的受力性能,射流曝气池也采用了扶壁柱、拉梁的结构方案,与UASB厌氧池不同,射流曝气池采用双层拉梁方案,如图6所示。经有限元优化后,边池壁厚度为350mm,中池壁厚度为500mm。该池地基也为素土强夯,池底采用等截面设计,厚度580mm。第5页共9页第4页共9页编号:时间:2021年x月x日书山有路勤为径,学海无涯苦作舟页码:第5页共9页图6射流曝气池扶壁柱和拉梁示意3预应力筋的布置本工程抗裂控制等级为一级,即在荷载效应标准组合下不允许出现拉应力:为实现上述抗裂控...

1、当您付费下载文档后,您只拥有了使用权限,并不意味着购买了版权,文档只能用于自身使用,不得用于其他商业用途(如 [转卖]进行直接盈利或[编辑后售卖]进行间接盈利)。
2、本站所有内容均由合作方或网友上传,本站不对文档的完整性、权威性及其观点立场正确性做任何保证或承诺!文档内容仅供研究参考,付费前请自行鉴别。
3、如文档内容存在违规,或者侵犯商业秘密、侵犯著作权等,请点击“违规举报”。

碎片内容

某大型污水处理工程中预应力水池施工技术

确认删除?
VIP
微信客服
  • 扫码咨询
会员Q群
  • 会员专属群点击这里加入QQ群
客服邮箱
回到顶部