电脑桌面
添加小米粒文库到电脑桌面
安装后可以在桌面快捷访问

铁道部工程建设建交表VIP免费

铁道部工程建设建交表_第1页
1/19
铁道部工程建设建交表_第2页
2/19
铁道部工程建设建交表_第3页
3/19
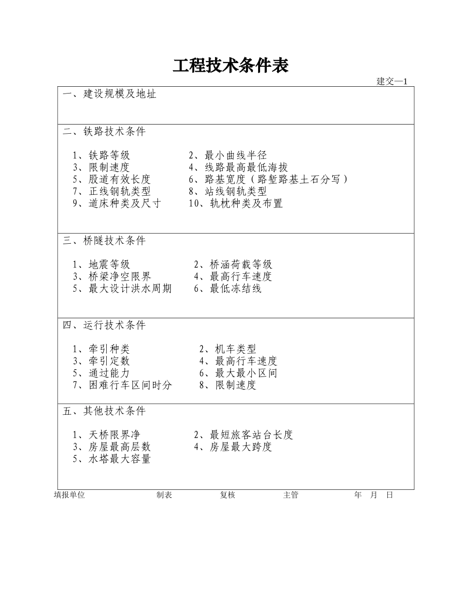
铁路工程建设建交表格(下述表格为局档案史志室收集整理,仅供档案管理人员接收档案时参考)1、工程技术条件表(建交-1)2、车站表(建交-2)4、水准点表(建交-4-1)5、控制桩表(建交-4-2)6、统一里程与施工里程对照表(建交-5)9、桥梁表(建交-8)11、旅客天桥、地道表(建交-10)12、涵洞表(建交-11)13、隧道及明洞表(建交-12)17、通信、信号、电力工程竣工数量表(建交-16)18、房屋总清册(建交-17)20、给水排水设备数量汇总表(建交-19)21、电气化设备表(建交-20)22、接触网主要工程数量表(建交-21)23、送电线路数量表(建交-22)24、配电线路数量表(建交-23)27、消防、环保、安全、医药卫生、空调设备表(建交-26)建设项目名称自至工程技术条件表建交—1一、建设规模及地址二、铁路技术条件1、铁路等级2、最小曲线半径3、限制速度4、线路最高最低海拔5、股道有效长度6、路基宽度(路堑路基土石分写)7、正线钢轨类型8、站线钢轨类型9、道床种类及尺寸10、轨枕种类及布置三、桥隧技术条件1、地震等级2、桥涵荷载等级3、桥梁净空限界4、最高行车速度5、最大设计洪水周期6、最低冻结线四、运行技术条件1、牵引种类2、机车类型3、牵引定数4、最高行车速度5、通过能力6、最大最小区间7、困难行车区间时分8、限制速度五、其他技术条件1、天桥限界净2、最短旅客站台长度3、房屋最高层数4、房屋最大跨度5、水塔最大容量填报单位制表复核主管年月日建设项目名称自至车站表建交—2第1页共2页中心里程站名距离类别股道线路情况最大通过能力列车往返时间附属设备备注施工统一数目有效长度曲线半径坡度%填报单位制表复核主管年月日附注:1、线路情况如系直线在曲线半径内写“直”字,2、本表应根据坡度表算出二站间之列车往返时间根据运行图注明最大通过能力。3、站台、围墙、栅栏等填在附属设备栏内。4、煤台、三角线等设备应在备注栏内注明。5、表中计量单位:距离为“公里”;有效长度及曲线半径为“米”;最大通过能力为对/日;列车往返时间为“分”。建设项目名称自至水准点表建交—4—1第页共页基点编号标高(米)位置备注里程距离(米)旧有移交施工统一左右填报单位制表复核主管年月日附注:备注栏内应注明何种基点,基点的构造材料,具体位置。建设项目名称自至控制桩表建交—4—2第页共页编号基桩种类位置构造材料备注施工统一距离(米)左右填报单位制表复核主管年月日附注:构造材料栏内应注明基桩种类,临时桩尺寸,永久桩草图或其根据图号。建设项目自至统一里程与施工里程对照表建交表—5第页共页统一里程施工里程断链(米)断链增减累计(米)实际长度(公里)备注增长减短增长减短填报单位制表复核主管年月日附注:1、断链处所其施工里程栏应填入相对的两个里程,其余者公填上半栏按统一里程每一里程整公里列入。2、统一里程即竣工连续里程。3、本表仅限新建铁路填列。建设项目名称自至桥梁表建交—8第页共页编号中心里程桥梁名称孔跨及式样全长(米)桥跨控制因素基础情况备注施工统一填报单位:制表:复核:主管:附注:1、本表特大桥、大桥、中桥、小桥通用,分别在表明前加填“特大桥、大桥、中桥、小桥”。2、桥跨控制因素填写“梁底到最高洪水位(或路面)的高度(米)等腰三角形”。3、基础情况填写墩、台基础结构情况。4、调节河流建筑物、通航者、公路立交桥在备注栏内注明。建设项目名称自至旅客天桥、地道表建交—10第页共页站名或地名式样中心里程交叉道(米)交叉角(度分秒)长度(米)备注施工统一高度宽度填报单位:制表:复核:主管:年月日附注:1、交叉道高度系指轨项至上层交叉净空。2、长度系指横跨轨道上之桥梁净跨。3、天桥、地道应分开各自填表,并应表名的其他相应名称删去。建设项目名称自至涵洞表建交—11第页共页编号中心里程式样或种类孔数跨度或直径填土高涵长基础情况备注施工里程统一里程填报单位:制表:复核:主管:年月日附注:1、包括泄水洞在备注栏内说明衬砌情况及涵管曲线和坡度。2、表中计量单位:跨度或直径、填土高及涵长均为“米”。建设项目名称自至隧道及明洞表建交—12第页共页编号中...

1、当您付费下载文档后,您只拥有了使用权限,并不意味着购买了版权,文档只能用于自身使用,不得用于其他商业用途(如 [转卖]进行直接盈利或[编辑后售卖]进行间接盈利)。
2、本站所有内容均由合作方或网友上传,本站不对文档的完整性、权威性及其观点立场正确性做任何保证或承诺!文档内容仅供研究参考,付费前请自行鉴别。
3、如文档内容存在违规,或者侵犯商业秘密、侵犯著作权等,请点击“违规举报”。

碎片内容

铁道部工程建设建交表

您可能关注的文档

确认删除?
VIP
微信客服
  • 扫码咨询
会员Q群
  • 会员专属群点击这里加入QQ群
客服邮箱
回到顶部