电脑桌面
添加小米粒文库到电脑桌面
安装后可以在桌面快捷访问

建筑工程施工技术资料表VIP免费

建筑工程施工技术资料表_第1页
1/38
建筑工程施工技术资料表_第2页
2/38
建筑工程施工技术资料表_第3页
3/38
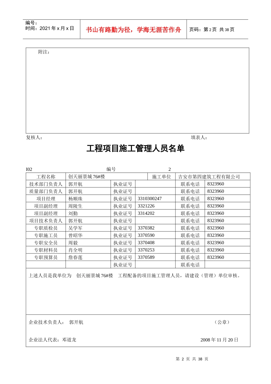
第1页共38页编号:时间:2021年x月x日书山有路勤为径,学海无涯苦作舟页码:第1页共38页工程概况I01编号1工程名称创天丽景城52-70#楼工程地址吉州区跃进路(原樟脑厂内)工程类型□1、建筑;□2、设施安装;□3、装修工程预(概)建安工作量□1、新建;□2、扩建;□3、改建万元投资类别□1、外资;□2、合资;□3、改建;□4、集体;□5、民营;其中:桩基万元建筑面积M2层数(地上/地下)四层土建万元结构类型框架开工日期安装万元完工日期验收日期装修万元单位名称资质等级法人代表项目负责人建设单位吉安创天国际投资有限公司二级陈镇荣钱国林勘察单位地矿赣西地质工程勘察院乙级叶景平俞明设计单位吉安市建筑设计规划研究院﹑吉安市建筑设计院监理单位吉安市建设监理中心监督机构吉安市建设工程质量监督站施工单位总包吉安市第四建筑工程有限公司二级邓道龙刘福海分包分包分包结构及装修概况基础沉管灌注桩﹑人工挖孔桩﹑静压预制混凝土灌注桩﹑条基主体结构钢筋混凝土屋面坡屋面﹑平屋面楼、地面室内水泥砂浆找平﹑楼梯踏步面转门窗塑料门窗外装饰外墙面转外装饰外装饰内装饰室内一般抹灰水、暖、卫电气第2页共38页第1页共38页编号:时间:2021年x月x日书山有路勤为径,学海无涯苦作舟页码:第2页共38页附注:复核人:填表人:工程项目施工管理人员名单I02编号2工程名称创天丽景城76#楼施工单位吉安市第四建筑工程有限公司技术部门负责人郭开航执业证号联系电话8323960质量部门负责人郭开航执业证号联系电话8323960项目经理杨顺珠执业证号3310300247联系电话8323960项目副经理周陵生执业证号3321226联系电话8323960项目副经理刘勤执业证号3314202联系电话8323960项目技术负责人郭开航执业证号联系电话8323960专职质检员吴学军执业证号3370382联系电话8323960专职施工员曾昭华执业证号3370590联系电话8323960专职安全员周毅执业证号3370408联系电话8323960专职材料员肖全明执业证号3370253联系电话8323960专职预算员詹春莲执业证号3370589联系电话8323960执业证号联系电话上述人员是我单位为创天丽景城76#楼工程配备的项目施工管理人员,请建设(管理)单位审核。企业技术负责人:郭开航(公章)企业法人代表:邓道龙2008年11月20日第3页共38页第2页共38页编号:时间:2021年x月x日书山有路勤为径,学海无涯苦作舟页码:第3页共38页审核意见:建设单位项目负责人(总监理工程师)(公章)年月日工程项目施工管理人员名单I02编号2工程名称创天丽景城51#楼施工单位吉安市第四建筑工程有限公司技术部门负责人郭开航执业证号联系电话8323960质量部门负责人郭开航执业证号联系电话8323960项目经理王麒祥执业证号3310301465联系电话8323960项目技术负责人郭开航执业证号联系电话8323960专职质检员李凌执业证号3376108联系电话8323960专职施工员杨顺珠执业证号3370788联系电话8323960专职安全员文燕执业证号3370089联系电话8323960专职材料员邹建平执业证号3376237联系电话8323960专职预算员刘荛武执业证号3370816联系电话8323960执业证号联系电话上述人员是我单位为创天丽景城51#楼工程配备的项目施工管理人员,请建设(管理)单位审核。第4页共38页第3页共38页编号:时间:2021年x月x日书山有路勤为径,学海无涯苦作舟页码:第4页共38页企业技术负责人:郭开航(公章)企业法人代表:邓道龙2008年11月20日审核意见:建设单位项目负责人(总监理工程师)(公章)年月日工程项目施工管理人员名单I02编号2工程名称嘉福庭苑2#楼施工单位江西永新县建筑总公司技术部门负责人执业证号联系电话质量部门负责人执业证号联系电话项目经理王大鹏执业证号JX0001379联系电话项目副经理李红山执业证号JX0001342联系电话项目副经理汤志军执业证号JX0004860联系电话项目技术负责人执业证号联系电话专职质检员贺水田执业证号3385032联系电话专职施工员丁林益执业证号3385883联系电话专职安全员胡南桂执业证号33848052联系电话专职安全员贺晚先执业证号3384800联系电话专职材料员麦冬桂执业证号3384888联系电话专职预算员陈付仁执业证号3386482联系电话第5页共38页第4页共38页编号:时间:2021年x月x日...

1、当您付费下载文档后,您只拥有了使用权限,并不意味着购买了版权,文档只能用于自身使用,不得用于其他商业用途(如 [转卖]进行直接盈利或[编辑后售卖]进行间接盈利)。
2、本站所有内容均由合作方或网友上传,本站不对文档的完整性、权威性及其观点立场正确性做任何保证或承诺!文档内容仅供研究参考,付费前请自行鉴别。
3、如文档内容存在违规,或者侵犯商业秘密、侵犯著作权等,请点击“违规举报”。

碎片内容

建筑工程施工技术资料表

您可能关注的文档

确认删除?
VIP
微信客服
  • 扫码咨询
会员Q群
  • 会员专属群点击这里加入QQ群
客服邮箱
回到顶部