电脑桌面
添加小米粒文库到电脑桌面
安装后可以在桌面快捷访问

建筑工程消防验收申报表(1)VIP专享VIP免费

建筑工程消防验收申报表(1)_第1页
1/11
建筑工程消防验收申报表(1)_第2页
2/11
建筑工程消防验收申报表(1)_第3页
3/11
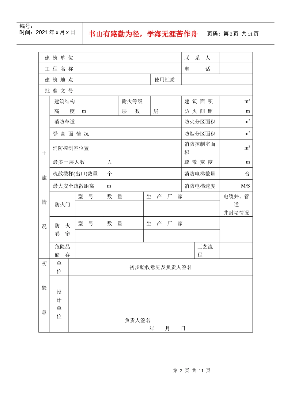
第1页共11页编号:时间:2021年x月x日书山有路勤为径,学海无涯苦作舟页码:第1页共11页建筑工程消防验收申报表申报单位:______________________(盖章)申报日期:______________________________第2页共11页第1页共11页编号:时间:2021年x月x日书山有路勤为径,学海无涯苦作舟页码:第2页共11页建筑单位联系人工程名称电话建筑地点使用性质批准文号土建情况建筑结构耐火等级建筑面积m2高度m层数层防火间距m消防车道防火分区面积m2登高面情况防烟分区面积m2消防控制室位置消防控制室面积m2最多一层人数人疏散宽度m疏散楼梯(出口)数量个消防电梯数量台最大安全疏散距离m消防电梯速度M/S防火门型号数量生产厂家电缆井、管道井封堵情况防火卷帘型号数量生产厂家危险品储存工艺流程初验意单位初步验收意见及负责人签名设计单位负责人签名年月日第3页共11页第2页共11页编号:时间:2021年x月x日书山有路勤为径,学海无涯苦作舟页码:第3页共11页见施工单位负责人签名年月日初步验收意见单位初步验收意见及负责人签名建设单位负责人签名:年月日土建验收情况验收意见公安消防监督机构经办人签名参加负验责收人有签关章单位第4页共11页第3页共11页编号:时间:2021年x月x日书山有路勤为径,学海无涯苦作舟页码:第4页共11页消防设施室内外消火栓系统进水管数量个室内消防用水量1/s进水管直径mm室外消防用水量l/s消防储水量m3室外消火栓管径mm室内消火栓间距米室内消火栓数量个室外消火栓间距米室外消火栓数量个消防立管直径mm配套消防卷盘个消防水泵型号扬程m功率kw流量l/s台数台生产厂家系统类型1、喷水灭火;2、喷雾水灭火;3、喷雾水冷却消防设自动喷水灭火喷洒类型1、干式;2、湿式;3、预作用;4开式系统设置部位系统保护面积m2产品名称型号生产厂家数量喷洒头报警控制阀水流指示器压力开关气压水罐水泵接合器水泵第5页共11页第4页共11页编号:时间:2021年x月x日书山有路勤为径,学海无涯苦作舟页码:第5页共11页施系稳压泵设计流量水泵类型流量扬程功率设计压力供水泵总用水量稳压泵火灾自动报警系统系统形式1、区域报警;2、集中报警;3控制中心报警设置部位产品名称型号生产厂家数量集中报警器区域报警器感烟探测器感温探测器应急广播手动按钮和其他消防设火灾自动报警系统手动报警按钮间距供电等级消防用电线路保护方式用电总负荷KVA备用电源情况消防用电总负荷KVA应有控制功能数实有控制功能数缺何种控制功能应急照明与安全疏散诱导系统部位防烟楼梯间前室及合用前室走道房间自然排烟口位置方式自然排烟口面积第6页共11页第5页共11页编号:时间:2021年x月x日书山有路勤为径,学海无涯苦作舟页码:第6页共11页施防烟排烟系统1、自然排烟;2、机械排烟;3、排风兼排烟;4、正压送风。m2产品名称型号生产厂家数量防烟阀排烟阀送风机排烟机机械防烟送风量m3/h机械排烟排烟量m3/h其他通风空调设备情况气体灭火1、1、卤代烷;3、氮气2、二氧化碳;4、其它系统形式1、全充满;2布局应用保护容积m3设置部位产品名称产品型号生产厂家数量喷头瓶头阀消防设施气体灭火产品名称产品型号生产厂家数量分配阀远程启动装置联动开启装置手动开启装置紧急制动第7页共11页第6页共11页编号:时间:2021年x月x日书山有路勤为径,学海无涯苦作舟页码:第7页共11页储罐升/每瓶其他灭火设备系统设置部位系统名称系统类型系统启动方式用量或储量工作压力生产厂家灭泡火沫系统1、抗溶性2、氟蛋白3、高倍4、低倍1、半固定2、移动3、固定公斤供给强度灭干火粉系统1、碳酸二氢氨2、碳酸氢钠3、碳酸氢钾4、尿素1、半自动2、自动3、手动公斤供给强度灭蒸火汽系统1、全充满半固定2、全充满固定3、固定%供给强度灭火器配置验收火灾配置场所类别核实1、A类2、B类3、C类危险等级核实1、严重危险2、中危险3、轻危险选择类型1清水2酸碱3干粉4化学泡沫5二氧化碳6其它数量自动消项目调试情况调试人员自动喷水灭火系统防烟排烟系统第8页共11页第7页共11页编号:时间:2021年x月x日书山有路勤为径,学海无涯苦作舟页码:第8页共11页防系统工程火灾自动报警系统(含联动控制)其他灭火系统进口产品复检情况初验意见单位...

1、当您付费下载文档后,您只拥有了使用权限,并不意味着购买了版权,文档只能用于自身使用,不得用于其他商业用途(如 [转卖]进行直接盈利或[编辑后售卖]进行间接盈利)。
2、本站所有内容均由合作方或网友上传,本站不对文档的完整性、权威性及其观点立场正确性做任何保证或承诺!文档内容仅供研究参考,付费前请自行鉴别。
3、如文档内容存在违规,或者侵犯商业秘密、侵犯著作权等,请点击“违规举报”。

碎片内容

建筑工程消防验收申报表(1)

确认删除?
VIP
微信客服
  • 扫码咨询
会员Q群
  • 会员专属群点击这里加入QQ群
客服邮箱
回到顶部