电脑桌面
添加小米粒文库到电脑桌面
安装后可以在桌面快捷访问

一般装饰工程验收记录表VIP免费

一般装饰工程验收记录表_第1页
1/63
一般装饰工程验收记录表_第2页
2/63
一般装饰工程验收记录表_第3页
3/63
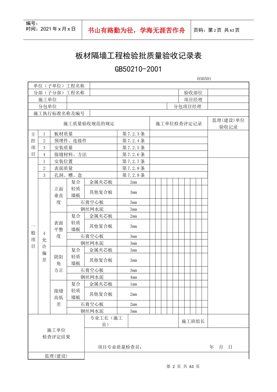
第1页共63页编号:时间:2021年x月x日书山有路勤为径,学海无涯苦作舟页码:第1页共63页暗龙骨吊顶工程检验批质量验收记录表GB50210-2001030401单位(子单位)工程名称分部(子分部)工程名称验收部位施工单位项目经理分包单位分包项目经理施工执行标准名称及编号施工质量验收规范的规定施工单位检查评定记录监理(建设)单位验收记录主控项目1标高、尺寸、起拱、造型第6.2.2条2饰面材料第6.2.3条3吊杆、龙骨、饰面材料安装第6.2.4条4吊杆、龙骨材质第6.2.5条5石膏板接缝第6.2.6条一般项目1材料表面质量第6.2.7条2灯具等设备第6.2.8条3龙骨、吊杆接缝第6.2.9条4填充材料第6.2.10条5安装允许偏差表面平整度纸面石膏板3mm金属板2mm矿棉板2mm木板、塑料板、格栅2mm接缝直线度纸面石膏板3mm金属板1.5mm矿棉板3mm木板、塑料板、格栅3mm接缝高低差纸面石膏板1mm金属板1mm矿棉板1.5mm木板、塑料板、格栅1mm施工单位检查评定结果专业工长(施工员)施工班组长项目专业质量检查员:年月日监理(建设)单位验收结论项目专业监理工程师:(建设单位项目专业技术负责人):年月日第2页共63页第1页共63页编号:时间:2021年x月x日书山有路勤为径,学海无涯苦作舟页码:第2页共63页板材隔墙工程检验批质量验收记录表GB50210-2001030501单位(子单位)工程名称分部(子分部)工程名称验收部位施工单位项目经理分包单位分包项目经理施工执行标准名称及编号施工质量验收规范的规定施工单位检查评定记录监理(建设)单位验收记录主控项目1板材质量第7.2.3条2预埋件、连接件第7.2.4条3安装质量第7.2.5条4接缝材料、方法第7.2.6条一般项目1安装位置第7.2.7条2表面质量第7.2.8条3孔洞、槽、盒第7.2.9条4允许偏差立面垂直度复合轻质墙板金属夹芯板2mm其他复合板3mm石膏空心板3mm钢丝网水泥3mm表面平整度复合轻质墙板金属夹芯板2mm其他复合板3mm石膏空心板3mm钢丝网水泥3mm阴阳角方正复合轻质墙板金属夹芯板3mm其他复合板3mm石膏空心板3mm钢丝网水泥4mm接缝高低差复合轻质墙板金属夹芯板1mm其他复合板2mm石膏空心板2mm钢丝网水泥3mm施工单位检查评定结果专业工长(施工员)施工班组长项目专业质量检查员:年月日监理(建设)第3页共63页第2页共63页编号:时间:2021年x月x日书山有路勤为径,学海无涯苦作舟页码:第3页共63页单位验收结论项目专业监理工程师:(建设单位项目专业技术负责人):年月日裱糊工程检验批质量验收记录表GB50210-2001030901单位(子单位)工程名称分部(子分部)工程名称验收部位施工单位项目经理分包单位分包项目经理施工执行标准名称及编号施工质量验收规范的规定施工单位检查评定记录监理(建设)单位验收记录主控项目1材料质量第11.2.2条2基层处理第11.2.3条3各幅拼接第11.2.4条4壁纸、墙布粘贴第11.2.5条一般项目1裱糊表面质量第11.2.6条2壁纸压痕及发泡剂第11.2.7条3与装饰线、设备线盒交接第11.2.8条4壁纸、墙布边缘第11.2.9条5壁纸、墙布阴、阳角无接缝第11.2.10条施工单位检查评定结果专业工长(施工员)施工班组长第4页共63页第3页共63页编号:时间:2021年x月x日书山有路勤为径,学海无涯苦作舟页码:第4页共63页项目专业质量检查员:年月日监理(建设)单位验收结论专业监理工程师:(建设单位项目专业技术负责人):年月日玻璃隔墙工程检验批质量验收记录表GB50210-2001030504单位(子单位)工程名称分部(子分部)工程名称验收部位施工单位项目经理分包单位分包项目经理施工执行标准名称及编号施工质量验收规范的规定施工单位检查评定记录监理(建设)单位验收记录主控项目1材料质量第7.5.3条2砌筑或安装第7.5.4条3砖隔墙拉结筋第7.5.5条4板隔墙安装第7.5.6条一般项目1表面质量第7.5.7条2接缝第7.5.8条3嵌沟及勾缝第7.5.9条4允许偏差立面垂直度玻璃砖3mm玻璃板2mm表面平整度玻璃砖3mm阴阳角方正玻璃板2mm接缝直线度玻璃板2mm接缝高低差玻璃砖3mm玻璃板2mm接缝宽度玻璃板1mm施工单位检查评定结果专业工长(施工员)施工班组长第5页共63页第4页共63页编号:时间:2021年x月x日书山有路勤为径,学海无涯苦作舟页码:第5页共63页项目专业质量检查员:年月日监理(建设)单位验收结论项目专业监理...

1、当您付费下载文档后,您只拥有了使用权限,并不意味着购买了版权,文档只能用于自身使用,不得用于其他商业用途(如 [转卖]进行直接盈利或[编辑后售卖]进行间接盈利)。
2、本站所有内容均由合作方或网友上传,本站不对文档的完整性、权威性及其观点立场正确性做任何保证或承诺!文档内容仅供研究参考,付费前请自行鉴别。
3、如文档内容存在违规,或者侵犯商业秘密、侵犯著作权等,请点击“违规举报”。

碎片内容

一般装饰工程验收记录表

确认删除?
VIP
微信客服
  • 扫码咨询
会员Q群
  • 会员专属群点击这里加入QQ群
客服邮箱
回到顶部