电脑桌面
添加小米粒文库到电脑桌面
安装后可以在桌面快捷访问

行政工作流程图VIP专享VIP免费

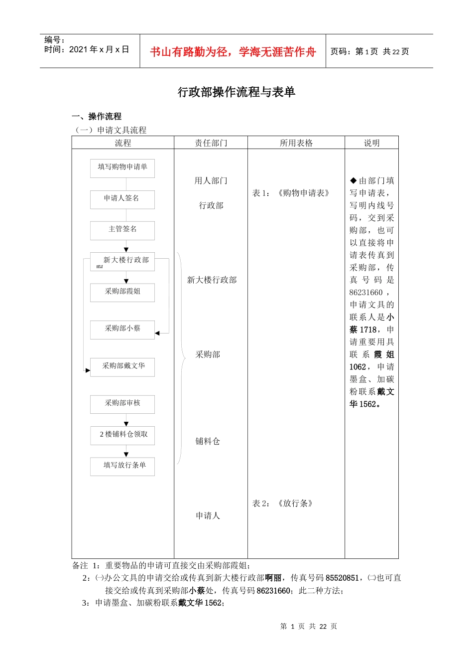
行政工作流程图_第1页
1/22
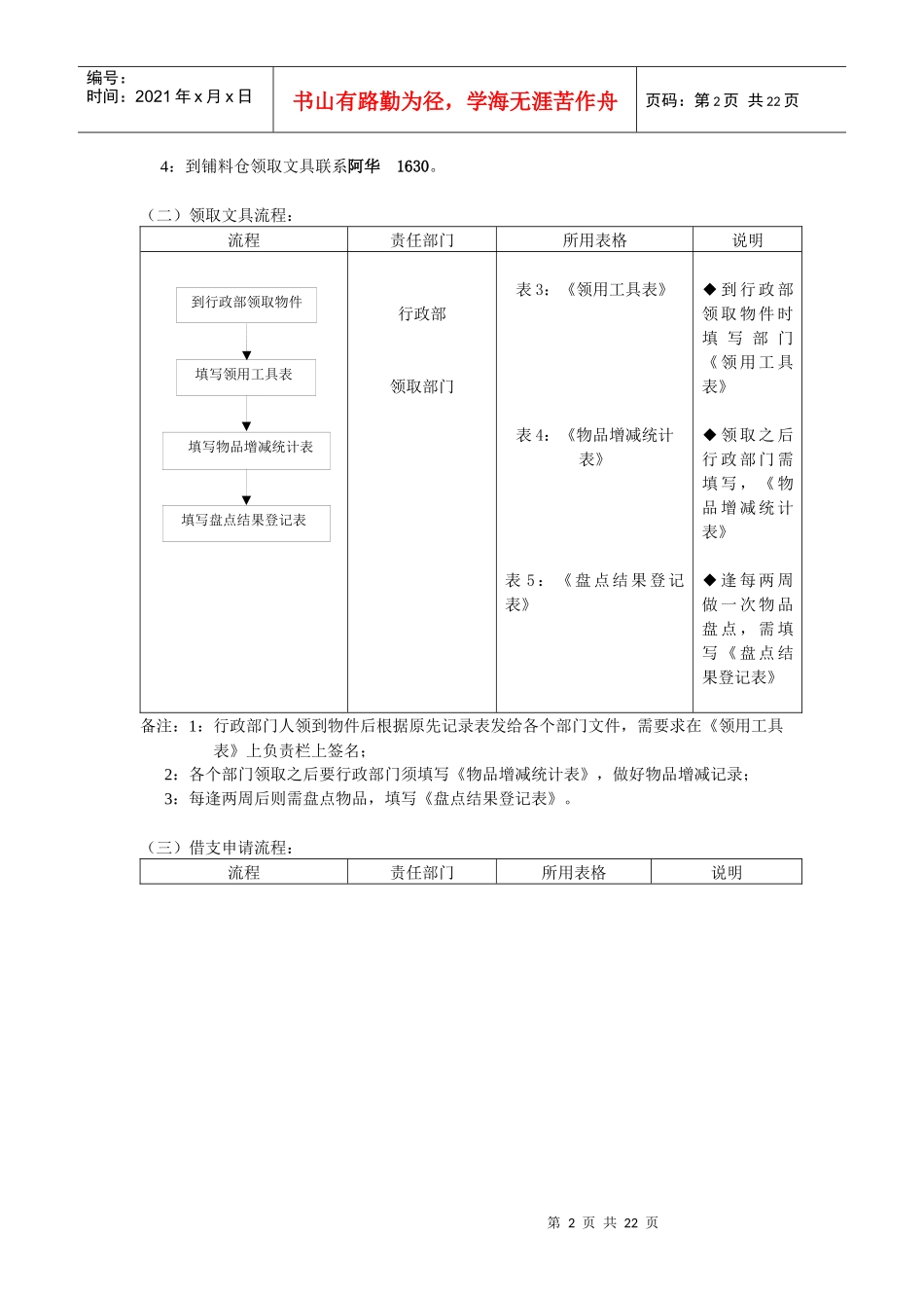
行政工作流程图_第2页
2/22
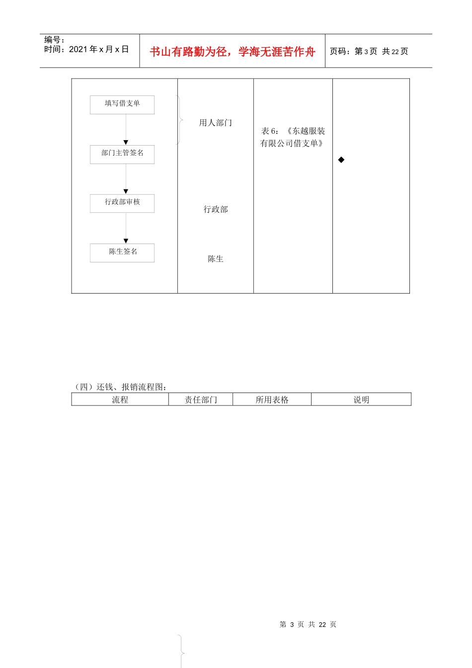
行政工作流程图_第3页
3/22
第1页共22页编号:时间:2021年x月x日书山有路勤为径,学海无涯苦作舟页码:第1页共22页行政部操作流程与表单一、操作流程(一)申请文具流程流程责任部门所用表格说明定用人部门行政部新大楼行政部采购部铺料仓申请人表1:《购物申请表》表2:《放行条》◆由部门填写申请表,写明内线号码,交到采购部,也可以直接将申请表传真到采购部,传真号码是86231660,申请文具的联系人是小蔡1718,申请重要用具联系霞姐1062,申请墨盒、加碳粉联系戴文华1562。备注1:重要物品的申请可直接交由采购部霞姐;2:㈠办公文具的申请交给或传真到新大楼行政部啊丽,传真号码85520851,㈡也可直接交给或传真到采购部小蔡处,传真号码86231660;此二种方法;3:申请墨盒、加碳粉联系戴文华1562;填写购物申请单采购部霞姐采购部审核主管签名2楼铺料仓领取填写放行条单采购部小蔡采购部戴文华申请人签名新大楼行政部啊第2页共22页第1页共22页编号:时间:2021年x月x日书山有路勤为径,学海无涯苦作舟页码:第2页共22页4:到铺料仓领取文具联系阿华1630。(二)领取文具流程:流程责任部门所用表格说明行政部领取部门表3:《领用工具表》表4:《物品增减统计表》表5:《盘点结果登记表》◆到行政部领取物件时填写部门《领用工具表》◆领取之后行政部门需填写,《物品增减统计表》◆逢每两周做一次物品盘点,需填写《盘点结果登记表》备注:1:行政部门人领到物件后根据原先记录表发给各个部门文件,需要求在《领用工具表》上负责栏上签名;2:各个部门领取之后要行政部门须填写《物品增减统计表》,做好物品增减记录;3:每逢两周后则需盘点物品,填写《盘点结果登记表》。(三)借支申请流程:流程责任部门所用表格说明到行政部领取物件填写领用工具表填写盘点结果登记表填写物品增减统计表第3页共22页第2页共22页编号:时间:2021年x月x日书山有路勤为径,学海无涯苦作舟页码:第3页共22页用人部门行政部陈生表6:《东越服装有限公司借支单》◆(四)还钱、报销流程图:流程责任部门所用表格说明填写借支单行政部审核陈生签名部门主管签名第4页共22页第3页共22页编号:时间:2021年x月x日书山有路勤为径,学海无涯苦作舟页码:第4页共22页员工用人部门营销总部行政部陈生营销总部行政部表7:《报销单》◆现金直接交给陈生,报销的附发票、余额填报销单,按程序进行。备注:1:填写报销单(附发票、余额)陈生签名填写报销单主管签名行政部归还借支单营销总部行政部审核第5页共22页第4页共22页编号:时间:2021年x月x日书山有路勤为径,学海无涯苦作舟页码:第5页共22页(五)电子邮件、电脑及设备申请流程:流程责任部门所用表格说明员工用人部门陈生电脑部表8:《电脑设备申请单》表9:《邮箱服务申请单表》◆申请电脑设备的必须由申请人本人填写《电脑设备申请单》,由主管签名,再交陈生签名后交到电脑部审核。(六)申请宿舍流程图:流程责任部门所用表格说明填写专用申请表电脑部审核主管签名陈生签名第6页共22页第5页共22页编号:时间:2021年x月x日书山有路勤为径,学海无涯苦作舟页码:第6页共22页员工用人部门陈生行政部表10:《宿舍申请表》表11:《入住宿舍登记表》◆必须由申请人本人填写《宿舍申请表》,由主管签名,再由陈生签名,后交到新大楼2楼行政部王大姐审核,之后由阿伟跟进,阿伟联系电话:1189、13415853532填写宿舍申请表陈生签名主管签名新大楼行政部审核入住登记第7页共22页第6页共22页编号:时间:2021年x月x日书山有路勤为径,学海无涯苦作舟页码:第7页共22页(七)安排面试工作记录流程图流程责任部门所用表格说明用人部门人力资源部表12:《面试安排表》表13:《面试人员统计表》表14:《每周面试人员统计表》表15:《每周招聘工作分析》◆根据招聘资料,通知面试人员且安排面试时间,面试结束后填写《面试人员统计表》◆每周需统计一次,填写《每周面试人员统计表。并需写一周招聘工作分析表。查看应聘资料通知面试人员填写面试安排表通知初/复试人员填面试人员统计表每周填面试统计表写招聘工作分析表第8页共22页第7页共22页编号:时间:2021年x月x日书山有路勤...

1、当您付费下载文档后,您只拥有了使用权限,并不意味着购买了版权,文档只能用于自身使用,不得用于其他商业用途(如 [转卖]进行直接盈利或[编辑后售卖]进行间接盈利)。
2、本站所有内容均由合作方或网友上传,本站不对文档的完整性、权威性及其观点立场正确性做任何保证或承诺!文档内容仅供研究参考,付费前请自行鉴别。
3、如文档内容存在违规,或者侵犯商业秘密、侵犯著作权等,请点击“违规举报”。

碎片内容

行政工作流程图

确认删除?
VIP
微信客服
  • 扫码咨询
会员Q群
  • 会员专属群点击这里加入QQ群
客服邮箱
回到顶部