电脑桌面
添加小米粒文库到电脑桌面
安装后可以在桌面快捷访问

蔬菜质量标准与生产操作规范VIP专享VIP免费

蔬菜质量标准与生产操作规范_第1页
1/145
蔬菜质量标准与生产操作规范_第2页
2/145
蔬菜质量标准与生产操作规范_第3页
3/145
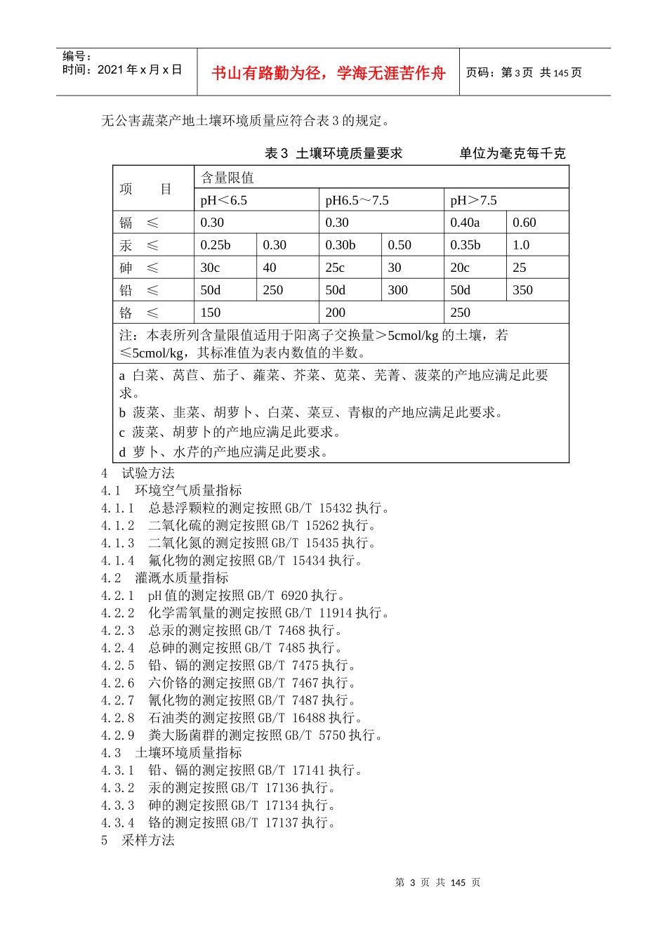
第1页共145页编号:时间:2021年x月x日书山有路勤为径,学海无涯苦作舟页码:第1页共145页第一部分无公害蔬菜产地环境及质量标准一、无公害食品蔬菜产地环境条件(NY5010—2002)1范围本标准规定了无公害蔬菜产地选择要求、环境空气质量要求、灌溉水质量要求、土壤环境质量要求、试验方法及采样方法。本标准适用于无公害蔬菜产地。2规范性引用文件下列文件中的条款通过本标准的引用而成为本标准的条款。凡是注日期的引用文件,其随后所有的修改单(不包括勘误的内容)或修订版均不适用于本标准,然而,鼓励根据本标准达成协议的各方研究是否可使用这些文件的最新版本。凡是不注日期的引用文件,其最新版本适用于本标准。GB/T5750生活饮用水标准检验方法GB/T6920水质pH值的测定玻璃电极法GB/T7467水质六价铬的测定二苯碳酰二肼分光光度法GB/T7468水质总汞的测定冷原子吸收分光光度法GB/T7475水质铜、锌、铅、镉的测定原子吸收分光光度法GB/T7485水质总砷的测定二乙基二硫代氨基甲酸银分光光度法GB/T7487水质氰化物的测定第二部分氰化物的测定GB/T11914水质化学需氧量的测定重铬酸盐法GB/T15262环境空气二氧化硫的测定甲醛吸收–副玫瑰苯胺分光光GB/T15264环境空气铅的测定火焰原子吸收分光光度法GB/T15432环境空气总悬浮颗粒物的测定重量法GB/T15434环境空气氟化物的测定滤膜·氟离子选择电极法GB/T16488水质石油类和动植物油的测定红外光度法GB/T17134土壤质量总砷的测定二乙基二硫代氨基甲酸银分光光度法GB/T17136土壤质量总汞的测定冷原子吸收分光光度法GB/T17137土壤质量总铬的测定火焰原子吸收分光光度法GB/T17141土壤质量铅、镉的测定石墨炉原子吸收分光光度法NY/T395农田土壤环境质量监测技术规范NY/T396农用水源环境质量监测技术规范NY/T397农区环境空气质量监测技术规范3要求3.1产地选择无公害蔬菜产地应选择在生态条件良好,远离污染源,并具有可持续生产能力的农业生产区域。3.2产地环境空气质量无公害蔬菜产地环境空气质量应符合表1的规定。表1环境空气质量要求项目浓度限值第2页共145页第1页共145页编号:时间:2021年x月x日书山有路勤为径,学海无涯苦作舟页码:第2页共145页日平均1h平均总悬浮颗料物(标准状态)/(mg/m3)≤0.30–二氧化硫(标准状态)/(mg/m3)≤0.15a0.250.50a0.70氟化物(标准状态)/(g/m3)≤1.5b7–注:日平均指任何1日的平均浓度;1h平均指任何一小时的平均浓度。a菠菜、青菜、白菜、黄瓜、莴苣、南瓜、西葫芦的产地应满足此要求。b甘蓝、菜豆的产地应满足此要求。3.3产地灌溉水质量无公害蔬菜产地灌溉水质应符合表2的规定。表2灌溉水质量要求项目浓度限值pH5.5~8.5化学需氧量/(mg/L)≤40a150总汞/(mg/L)≤0.001总镉/(mg/L)≤0.005b0.01总砷/(mg/L)≤0.05总铅/(mg/L)≤0.05c0.10铬(六价)/(mg/L)≤0.10氰化物/(mg/L)≤0.50石油类/(mg/L)≤1.0粪大肠菌群/(个/L)≤40000da采用喷灌方式灌溉的菜地应满足此要求。b白菜、莴苣、茄子、蕹菜、芥菜、苋菜、芜菁、菠菜的产地应满足此要求。c萝卜、水芹的产地应满足此要求。d采用喷灌方式灌溉的菜地以及浇灌、沟灌方式灌溉的叶菜类菜地时应满足此要求。3.4产地土壤环境质量第3页共145页第2页共145页编号:时间:2021年x月x日书山有路勤为径,学海无涯苦作舟页码:第3页共145页无公害蔬菜产地土壤环境质量应符合表3的规定。表3土壤环境质量要求单位为毫克每千克项目含量限值pH<6.5pH6.5~7.5pH>7.5镉≤0.300.300.40a0.60汞≤0.25b0.300.30b0.500.35b1.0砷≤30c4025c3020c25铅≤50d25050d30050d350铬≤150200250注:本表所列含量限值适用于阳离子交换量>5cmol/kg的土壤,若≤5cmol/kg,其标准值为表内数值的半数。a白菜、莴苣、茄子、蕹菜、芥菜、苋菜、芜菁、菠菜的产地应满足此要求。b菠菜、韭菜、胡萝卜、白菜、菜豆、青椒的产地应满足此要求。c菠菜、胡萝卜的产地应满足此要求。d萝卜、水芹的产地应满足此要求。4试验方法4.1环境空气质量指标4.1.1总悬浮颗粒的测定按照GB/T15432执行。4.1.2二氧化硫的测定按照GB/T15262执行。4.1.3二氧化氮的测定按照GB/T15435执行。4.1....

1、当您付费下载文档后,您只拥有了使用权限,并不意味着购买了版权,文档只能用于自身使用,不得用于其他商业用途(如 [转卖]进行直接盈利或[编辑后售卖]进行间接盈利)。
2、本站所有内容均由合作方或网友上传,本站不对文档的完整性、权威性及其观点立场正确性做任何保证或承诺!文档内容仅供研究参考,付费前请自行鉴别。
3、如文档内容存在违规,或者侵犯商业秘密、侵犯著作权等,请点击“违规举报”。

碎片内容

蔬菜质量标准与生产操作规范

确认删除?
VIP
微信客服
  • 扫码咨询
会员Q群
  • 会员专属群点击这里加入QQ群
客服邮箱
回到顶部