电脑桌面
添加小米粒文库到电脑桌面
安装后可以在桌面快捷访问

分户验收表格VIP免费

分户验收表格_第1页
1/8
分户验收表格_第2页
2/8
分户验收表格_第3页
3/8
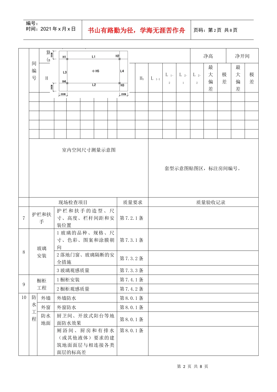
第1页共8页编号:时间:2021年x月x日书山有路勤为径,学海无涯苦作舟页码:第1页共8页附录A住宅工程质量分户验收记录表表A.0.1室内地面、室内楼梯、室内墙面、室内顶棚抹灰、门窗验收记录表序号单位工程名称验收部位(户号)现场检查项目质量要求质量验收记录1室内地坪普通水泥楼地面1、水泥楼地面面层粘结质量第4.1.1条2、外观质量第4.1.2条板块楼地面1、板块楼地面面层与基层粘接质量第4.2.1条2、外观质量第4.2.2条木、竹楼地面面层1、木、竹楼地面面层铺设第4.3.1条2、外观质量第4.3.2条2室内楼梯1、楼梯尺寸第4.4.1条2、楼梯面层质量第4.4.2条3室内墙面1、室内墙面面层粘结质量第5.1.1条2、室内墙面观感质量第5.1.2条3、室内墙面涂饰面层粘结质量第5.1.3条4、室内墙面涂饰面层观感质量第5.1.4条5、、室内墙面裱糊及软包面层粘结、安装质量第5.1.5条6、室内墙面裱糊及软包面层观感质量第5.1.6条7、室内墙面饰面板(砖)面层粘结质量第5.1.7条8、室内墙面饰面板(砖)面层粘结质量第5.1.8条4室内顶棚抹灰1、室内顶棚粘结质量第5.2.1条2、顶棚抹灰观感质量第5.2.2条3、室内顶棚涂饰面层的质量第5.2.3条3、室内顶棚裱糊面层的质量第5.2.4条5门窗1、门窗开启性能第7.1.1条2、门窗配件第7.1.2条3、门窗密封第7.1.3条4、门窗的排水第7.1.4条5、进户门质量第7.1.5条6、户内门质量第7.1.6条7、窗帘盒、门窗套及台面第7.1.7条表A.0.2室内空间尺寸、护栏和扶手、玻璃安装、橱柜工程、防水工程验收记录表序号单位工程名称验收部位(户号)6房净高推长宽推实测值(mm)计算值(mm)第2页共8页第1页共8页编号:时间:2021年x月x日书山有路勤为径,学海无涯苦作舟页码:第2页共8页间编号算值(mm)算值(mm)净高净开间HL1L2H1H2H3H4H5L1-1L1-2L2-1L2-2最大偏差极差最大偏差极差室内空间尺寸测量示意图套型示意图贴图区,标注房间编号。现场检查项目质量要求质量验收记录7护栏和扶手护栏和扶手的造型、尺寸、高度、栏杆间距和安装位置第7.2.1条8玻璃安装1玻璃的品种、规格、尺寸、色彩、图案和涂膜朝向第7.3.1条2落地门窗、玻璃隔断的安全措施第7.3.2条3玻璃观感质量第7.3.3条9橱柜工程1橱柜安装第7.4.1条2橱柜观感质量第7.4.2条10防水工程外墙外墙防水第8.0.1条外窗外窗防水第8.0.1条防水地面厨卫间、开放式阳台等地面防水效果第8.0.1条厕浴间、厨房和有排水(或其他液体)要求的建筑地面面层与相连接各类面层的标高差第8.0.1条第3页共8页第2页共8页编号:时间:2021年x月x日书山有路勤为径,学海无涯苦作舟页码:第3页共8页屋面屋面防水第8.0.1条表A.0.3给排水工程、室内采暖系统、电气工程、智能建筑、通风与空调工程验收记录表序号单位工程名称验收部位(户号)现场检查项目质量要求质量验收记录11给排水工程给水管道安装工程1给水管道及配件安装第9.1.1条2功能试验第9.1.2条排水管道安装工程1室内排水管道及配件安装第9.2.1条2地漏第9.2.2条3排水管道系统功能试验第9.2.3条卫生器具安装1卫生器具安装第9.3.1条2卫生器具功能试验第9.3.2条12室内采暖系统1管道及管配件安装第10.0.1条2分、集水器第10.0.2条3散热器第10.0.3条13电气工程1分户配电箱安装第11.0.1条2开关、插座安装第11.0.2条3导线连接第11.0.3条4等电位连接第11.0.4条5灯具安装第11.0.5条6插座接线连接第11.0.6条14智能建筑1多媒体箱安装第12.0.1条2信息插座面板安装第12.0.2条3CATV、网络通信等传输导线第12.0.3条4安全防范系统措施第12.0.4条5报警及联动第12.0.5条15通风与空调工程1空调洞留设第13.0.1条2送风、制冷、制热功能第13.0.2条第4页共8页第3页共8页编号:时间:2021年x月x日书山有路勤为径,学海无涯苦作舟页码:第4页共8页3控制开关功能第13.0.3条表A.0.4其他部位验收记录表序号单位工程名称验收部位(户号)现场检查项目质量要求质量验收记录16其他1底下是防水第14.0.1条2地下室通道第14.0.2条2烟道第14.0.3条4通风道第14.0.4条5信报箱第14.0.5条验收结果共检查项,合格项,不合格项结论:建设单位监理单位施工单位验收人员:年月日验收人员:年月日验收人员:年月日第5页共8页第4页共8页编号:时间:2021年x月x日书山...

1、当您付费下载文档后,您只拥有了使用权限,并不意味着购买了版权,文档只能用于自身使用,不得用于其他商业用途(如 [转卖]进行直接盈利或[编辑后售卖]进行间接盈利)。
2、本站所有内容均由合作方或网友上传,本站不对文档的完整性、权威性及其观点立场正确性做任何保证或承诺!文档内容仅供研究参考,付费前请自行鉴别。
3、如文档内容存在违规,或者侵犯商业秘密、侵犯著作权等,请点击“违规举报”。

碎片内容

分户验收表格

精品中小学文档+ 关注
实名认证
内容提供者

精品资料,值得下载

相关文档

确认删除?
VIP
微信客服
  • 扫码咨询
会员Q群
  • 会员专属群点击这里加入QQ群
客服邮箱
回到顶部