电脑桌面
添加小米粒文库到电脑桌面
安装后可以在桌面快捷访问

第三章学案14铝及其重要化合物VIP免费

第三章学案14铝及其重要化合物_第1页
1/10
第三章学案14铝及其重要化合物_第2页
2/10
第三章学案14铝及其重要化合物_第3页
3/10
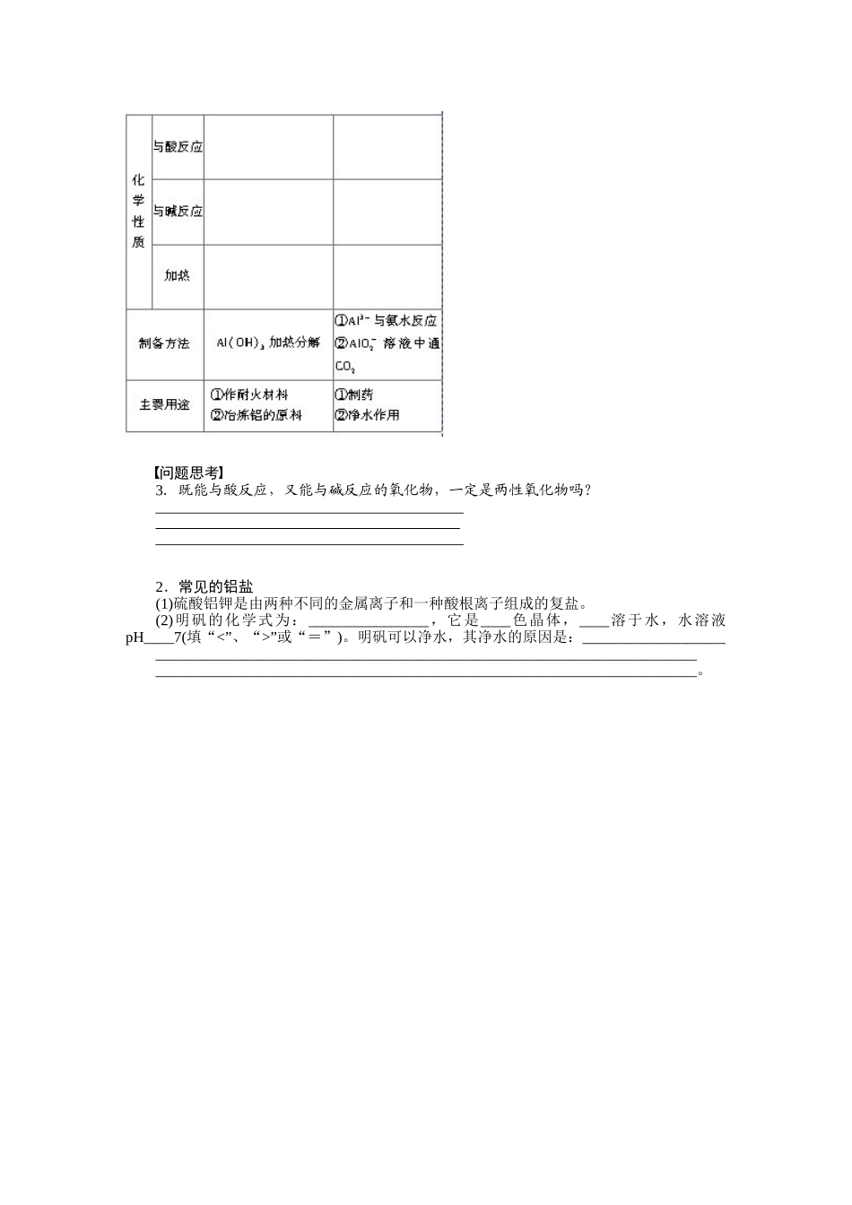
学案14铝及其重要化合物[考纲要求]了解铝及其重要化合物的主要性质和应用。知识点一铝的化学性质1.铝与氧气反应用坩埚钳夹住一小块铝箔,在酒精灯上加热至之熔化,会看到的现象是_______________________________________________________________________________________,原因是_______________________________________________________________________________________________________________________,反应的化学方程式是______________________________________________________。2.铝与酸的反应铝与稀硫酸反应的离子方程式为:___________________________________________。3.铝与强碱的反应铝与NaOH溶液反应的离子方程式为:_______________________________________________________________________________________________________________。4.铝热反应Al与Fe2O3共热的化学方程式为:_________________________________________________________________________________________________________________。问题思考1.铝是活泼金属,为什么铝制品常用来作为各种材料、具有一定的防腐蚀能力?2.铝与酸、碱反应的实质是什么?氧化剂是什么?知识点二铝的重要化合物1.氧化铝和氢氧化铝的比较问题思考3.既能与酸反应,又能与碱反应的氧化物,一定是两性氧化物吗?2.常见的铝盐(1)硫酸铝钾是由两种不同的金属离子和一种酸根离子组成的复盐。(2)明矾的化学式为:________________,它是____色晶体,____溶于水,水溶液pH____7(填“<”、“>”或“=”)。明矾可以净水,其净水的原因是:___________________________________________________________________________________________________________________________________________________________________。一、铝与酸、碱的反应1.等质量的两份铝分别与足量的盐酸、氢氧化钠溶液反应,所得H2的体积之比是多少?为什么?2.足量的两份铝分别投入到等体积、等物质的量浓度的盐酸、氢氧化钠溶液中,产生H2的体积关系是什么?为什么?3.足量的两份铝分别投入到等体积、一定物质的量浓度的HCl、NaOH溶液中,二者产生的H2相等,则HCl和NaOH的物质的量浓度是什么关系?为什么?典例导悟1(2011·太原调研)等体积、等物质的量浓度的硫酸、氢氧化钠溶液分别放在甲、乙两烧杯中,各加等质量的铝,生成氢气的体积比为5∶6,则甲、乙两烧杯中的反应情况可能分别是()A.甲、乙中都是铝过量B.甲中铝过量、乙中碱过量C.甲中酸过量、乙中铝过量D.甲中酸过量、乙中碱过量听课记录:变式演练甲、乙两烧杯中各盛有100mL3mol·L-1的盐酸和NaOH溶液,向两烧杯中分别加入等质量的铝粉,反应结束后,测得生成的气体体积比为V(甲)∶V(乙)=1∶2,则加入铝粉的质量为()A.5.4gB.3.6gC.2.7gD.1.8g二、Al(OH)3沉淀生成的计算1.Al3+与OH-反应生成Al(OH)3沉淀的定量计算规律可溶性铝盐与强碱溶液混合时,二者相对量的大小要影响产物的生成:强碱不足量时(反应①):____________________________________________________;强碱足量时(反应②):______________________________________________________;综合上述两式可得(反应③):________________________________________________。设Al3+、OH-的物质的量分别为n(Al3+)、n(OH-),最终生成Al(OH)3的质量为m[Al(OH)3],借助数轴讨论如图所示:2.强酸与AlO反应的定量计算规律强酸不足量时(反应①):___________________________________________________;强酸足量时(反应②):_____________________________________________________;综合上述两式可得(反应③):________________________________________________。结果如下:典例导悟2实验室用铝屑、烧碱和稀H2SO4为原料制取一定量的Al(OH)3。可分别用如下的转化关系表示两种方法:①Al――→Al3+――→Al(OH)3②Al――→AlO――→Al(OH)3(1)上述哪一种方法比较节约试剂?(提示:试从每生产2molAl(OH)3所耗费的试剂用量予以说明)(2)从操作难易的角度分析,上述两种方法存在的明显缺点是什么?若原料相同,请设计...

1、当您付费下载文档后,您只拥有了使用权限,并不意味着购买了版权,文档只能用于自身使用,不得用于其他商业用途(如 [转卖]进行直接盈利或[编辑后售卖]进行间接盈利)。
2、本站所有内容均由合作方或网友上传,本站不对文档的完整性、权威性及其观点立场正确性做任何保证或承诺!文档内容仅供研究参考,付费前请自行鉴别。
3、如文档内容存在违规,或者侵犯商业秘密、侵犯著作权等,请点击“违规举报”。

碎片内容

第三章学案14铝及其重要化合物

您可能关注的文档

确认删除?
VIP
微信客服
  • 扫码咨询
会员Q群
  • 会员专属群点击这里加入QQ群
客服邮箱
回到顶部