电脑桌面
添加小米粒文库到电脑桌面
安装后可以在桌面快捷访问

《恒定电流》练习VIP专享VIP免费

《恒定电流》练习_第1页
1/2
《恒定电流》练习_第2页
2/2
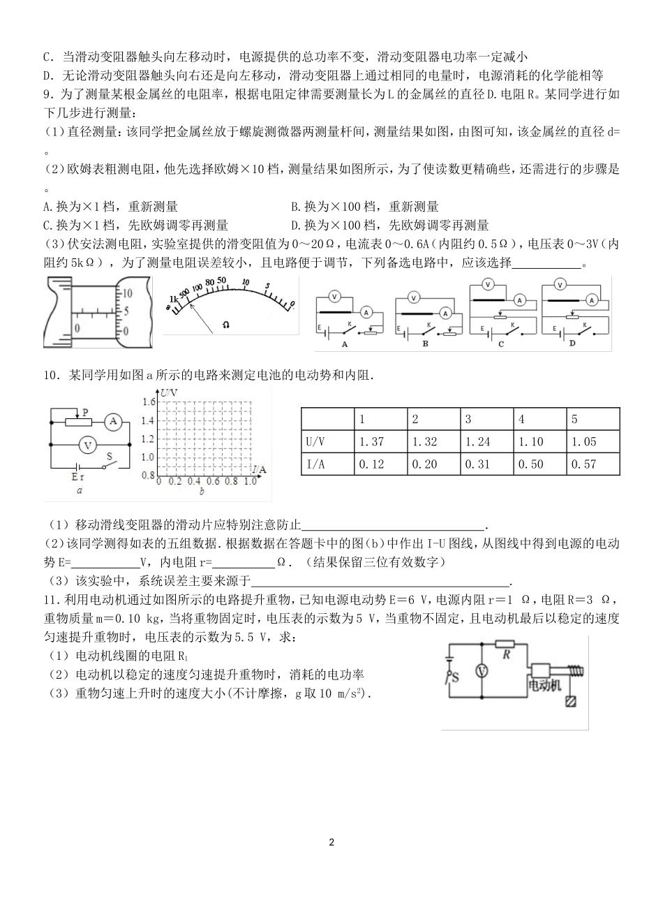
《恒定电流》期考复习题1.关于电流,下列说法中正确的是A.通过导体截面的电量越多,导体中的电流越大B.导体两端没有电压时,导体中的自由电荷也在运动,所以导体中也有电流C.单位时间内通过导体截面的电量越多,导体中的电流越大D.电荷定向移动方向即为电流方向,因为电流有方向,所以电流是矢量2.如图所示电路中,当变阻器R的滑动片P向上滑动时,电压表V和电流表A的示数变化情况是()A.V和A的示数都增大B.V和A的示数都减小C.V示数增大、A示数减小D.V示数减小、A示数增大3.对欧姆定律公式I=U/R的理解,下面哪一句话是错误的:()A.对某一段导体来说,导体中的电流跟它两端的电压成正比B.在相同电压的条件下,不同导体中的电流跟电阻成反比C.导体中的电流既与导体两端的电压有关也与导体电阻有关D.因为电阻是导体本身的属性,所以导体中的电流只与导体两端电压有关,与电阻无关4.如图所示,三个完全相同的电灯混联,若每只灯的额定功率是P,这个电路允许的最大功率是()A.3PB.2PC.1.5PD.P5.如图所示的电路中,输入电压U恒为12V,灯泡L上标有“6V,12W”字样,电动机线圈的电阻RM=0.50Ω.若灯泡恰能正常发光,以下说法中正确的是()A.电动机的输入功率为12WB.电动机的输出功率为12WC.电动机的热功率为2.0WD.整个电路消耗的电功率为22W6.在如图所示的电路中,滑动变阻器的总阻值为R,电源内阻为r,滑片从右向左移动的过程中,下列说法正确的是()A、电源输出的功率一定先增大后减小B、滑动变阻器消耗的功率一定减小C、电源效率一定减小D、电源发热功率一定减小7.一个电流表的满偏电流Ig=1mA,内阻为500Ω,要把它改装成一个量程为10V的电压表,则应在电流表上()A.串联一个10kΩ的电阻B.并联一个10kΩ的电阻C.并联一个9.5kΩ的电阻D.串联一个9.5kΩ的电阻8.如图所示,在研究电源电动势与内、外电压关系的实验装置中,玻璃容器盛有稀硫酸,稀硫酸中插入石墨棒M、锌棒N作为电源的两极。A、B是位于两电极内侧的探针,理想电压表V1、V2分别接在电源的两极和探针上,下列说法正确的是()A.M极为电源正极,电压表V2的正接线柱应与探针B相连B.当滑动变阻器触头向左移动时,电压表V1、V2的示数均减小1C.当滑动变阻器触头向左移动时,电源提供的总功率不变,滑动变阻器电功率一定减小D.无论滑动变阻器触头向右还是向左移动,滑动变阻器上通过相同的电量时,电源消耗的化学能相等9.为了测量某根金属丝的电阻率,根据电阻定律需要测量长为L的金属丝的直径D.电阻R。某同学进行如下几步进行测量:(1)直径测量:该同学把金属丝放于螺旋测微器两测量杆间,测量结果如图,由图可知,该金属丝的直径d=。(2)欧姆表粗测电阻,他先选择欧姆×10档,测量结果如图所示,为了使读数更精确些,还需进行的步骤是。A.换为×1档,重新测量B.换为×100档,重新测量C.换为×1档,先欧姆调零再测量D.换为×100档,先欧姆调零再测量(3)伏安法测电阻,实验室提供的滑变阻值为0~20Ω,电流表0~0.6A(内阻约0.5Ω),电压表0~3V(内阻约5kΩ),为了测量电阻误差较小,且电路便于调节,下列备选电路中,应该选择。10.某同学用如图a所示的电路来测定电池的电动势和内阻.(1)移动滑线变阻器的滑动片应特别注意防止.(2)该同学测得如表的五组数据.根据数据在答题卡中的图(b)中作出I-U图线,从图线中得到电源的电动势E=V,内电阻r=Ω.(结果保留三位有效数字)(3)该实验中,系统误差主要来源于.11.利用电动机通过如图所示的电路提升重物,已知电源电动势E=6V,电源内阻r=1Ω,电阻R=3Ω,重物质量m=0.10kg,当将重物固定时,电压表的示数为5V,当重物不固定,且电动机最后以稳定的速度匀速提升重物时,电压表的示数为5.5V,求:(1)电动机线圈的电阻R1(2)电动机以稳定的速度匀速提升重物时,消耗的电功率(3)重物匀速上升时的速度大小(不计摩擦,g取10m/s2).212345U/V1.371.321.241.101.05I/A0.120.200.310.500.57

1、当您付费下载文档后,您只拥有了使用权限,并不意味着购买了版权,文档只能用于自身使用,不得用于其他商业用途(如 [转卖]进行直接盈利或[编辑后售卖]进行间接盈利)。
2、本站所有内容均由合作方或网友上传,本站不对文档的完整性、权威性及其观点立场正确性做任何保证或承诺!文档内容仅供研究参考,付费前请自行鉴别。
3、如文档内容存在违规,或者侵犯商业秘密、侵犯著作权等,请点击“违规举报”。

碎片内容

《恒定电流》练习

您可能关注的文档

确认删除?
VIP
微信客服
  • 扫码咨询
会员Q群
  • 会员专属群点击这里加入QQ群
客服邮箱
回到顶部