电脑桌面
添加小米粒文库到电脑桌面
安装后可以在桌面快捷访问

南通市市区城市规划管理技术规定VIP专享VIP免费

南通市市区城市规划管理技术规定_第1页
1/48
南通市市区城市规划管理技术规定_第2页
2/48
南通市市区城市规划管理技术规定_第3页
3/48
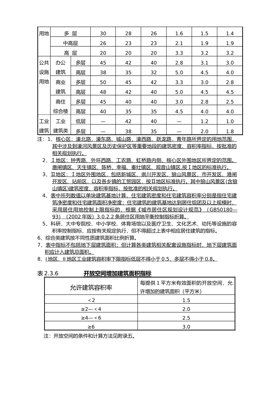
第一章总则1.1为加强南通市区城市规划管理,规范、有序地推进城市建设,提高人居环境质量,促进城市可持续发展,维护公共利益和公众合法权益,保证城市规划的实施,根据《中华人民共和国城市规划法》(以下简称《城市规划法》)、《江苏省实施〈中华人民共和国城市规划法〉办法》(以下简称《省实施办法》)、《江苏省城市规划管理技术规定》(以下简称《省技术规定》)以及国家、省、市与城市规划相关的强制性标准、规范,结合南通市实际情况,制定本规定。1.2本规定是《城市规划法》、《省实施办法》、《省技术规定》相配套的实施性规定,在南通市区行政区范围内,编制城市规划、进行城市规划管理须执行本规定。在城市规划区范围内的其它地区按本规定有关条款执行。1.3南通市区行政区内工业与民用建筑工程、市政基础设施工程、道路桥梁工程、综合防灾工程、园林绿化工程、城市景观与环境设计、城市亮化与美化工程、室外广告发布等各项建设工程,须执行本规定。城市总体规划确定的规划区范围内的铁路、港口、公路、河道、各类管线等适用于本规定。第二章城市土地使用管理2.1城市用地分类2.1.1城市用地,根据其使用的主要性质进行分类,按照《城市用地分类与规划建设用地标准》执行。2.1.2与城市用地相连的各级风景区、各类旅游度假区,其向公众开放,并有一定游憩设施的用地,包括用地范围内的水域,计入公共绿地,其余概不作为城市建设用地。2.2建设用地的适建性规定2.2.1各类建设用地的划分和使用性质应遵循土地使用相容性的原则,符合经批准的详细规划的规定。2.2.2尚无经批准的详细规划的地区的建设用地,应由城市规划行政主管部门根据分区规划或总体规划的规定进行建设适建性划分。2.2.3城市建设用地的适建规定见表2.2.3。2.2.4表2.2.3中未列入的建设项目,由城市规划行政主管部门根据建设项目对周围环境的影响和基础设施等条件,确定其适建性。2.2.5需改变经批准的规划用地性质或超出表2.2.3规定的适建范围的,应对规划进行调整,并按规定程序和审批权限批准后方可执行。2.2.6城市新建居住小区应按国家和省城市行政主管部门规定,同步安排教育、医疗卫生、文化体育、商业服务、金融邮电、社区服务、市政公用和行政管理及其他八类设施,为居民提供必要的公共活动空间。2.3建设基地控制指标2.3.1建设基地最小面积应不低于表2.3.1的规定。2.3.2建设基地不足上述规定的最小面积,但有下列情况之一,且不妨碍城市规划实施的,城市规划行政主管部门可以核准建设:2.3.2.1邻接土地已经完成建设或为道路、河道或有其他类似情况,确实无法调整、合并的;2.3.2.2因城市规划街区划分、市政公用设施等的限制,确实无法调整、合并的。2.3.3城市规划区内的成片开发地区,必须编制详细规划,经批准后实施。2.3.4城市各类建设基地的建筑密度、容积率应不超过表2.3.4的规定。编制核心区及城市中心区详细规划、城市历史街区保护规划、以及特殊工艺的工业用地规划时,可根据具体情况对容积率指标作适当调整,经规定程序批准后实施。2.3.5原有建设基地的容积率已超过规定值的或绿地率未达到规定值的,不得在该基地范围进行扩建、加层。2.3.6在符合消防、抗震、卫生、交通等有关规定和本规定的前提下,在自身功能需要以外为社会公众提供开放空间的,可按表2.3.6的规定增加建筑面积,由规划行政主管部门具体核定,但增加的建筑面积总计不得超过该建设基地的规定建筑面积的百分之十五(规定建筑面积=建设基地面积×该基地允许建筑容积率)。表2.3.1建设基地面积下限指标建设项目类型居住建筑非居住建筑低层多层高层低层多层高层建设基地面积(平方米)50010002000-10003000表2.3.4建设基地建筑密度、容积率上限指标建设基地类型建筑密度(%)容积率核心区Ⅰ地区Ⅱ地区核心区Ⅰ地区Ⅱ地区住宅低层3833301.00.90.8用地多层3028261.61.51.4中高层2623232.11.91.9高层2020203.33.23.2公共设施用地办公建筑多层4542402.83.13.0高层3835325.04.54.0商业建筑多层5045423.33.02.8高层4842405.04.54.5商住综合楼多层4540403.02.82.5高层4035354.54.04.0工业建筑工业建筑类低层—4240—1.21.0多层—3835—2.01.8...

1、当您付费下载文档后,您只拥有了使用权限,并不意味着购买了版权,文档只能用于自身使用,不得用于其他商业用途(如 [转卖]进行直接盈利或[编辑后售卖]进行间接盈利)。
2、本站所有内容均由合作方或网友上传,本站不对文档的完整性、权威性及其观点立场正确性做任何保证或承诺!文档内容仅供研究参考,付费前请自行鉴别。
3、如文档内容存在违规,或者侵犯商业秘密、侵犯著作权等,请点击“违规举报”。

碎片内容

南通市市区城市规划管理技术规定

确认删除?
VIP
微信客服
  • 扫码咨询
会员Q群
  • 会员专属群点击这里加入QQ群
客服邮箱
回到顶部