电脑桌面
添加小米粒文库到电脑桌面
安装后可以在桌面快捷访问

(完整版)16、高压旋喷桩施工工艺工法VIP免费

(完整版)16、高压旋喷桩施工工艺工法_第1页
1/9
(完整版)16、高压旋喷桩施工工艺工法_第2页
2/9
(完整版)16、高压旋喷桩施工工艺工法_第3页
3/9
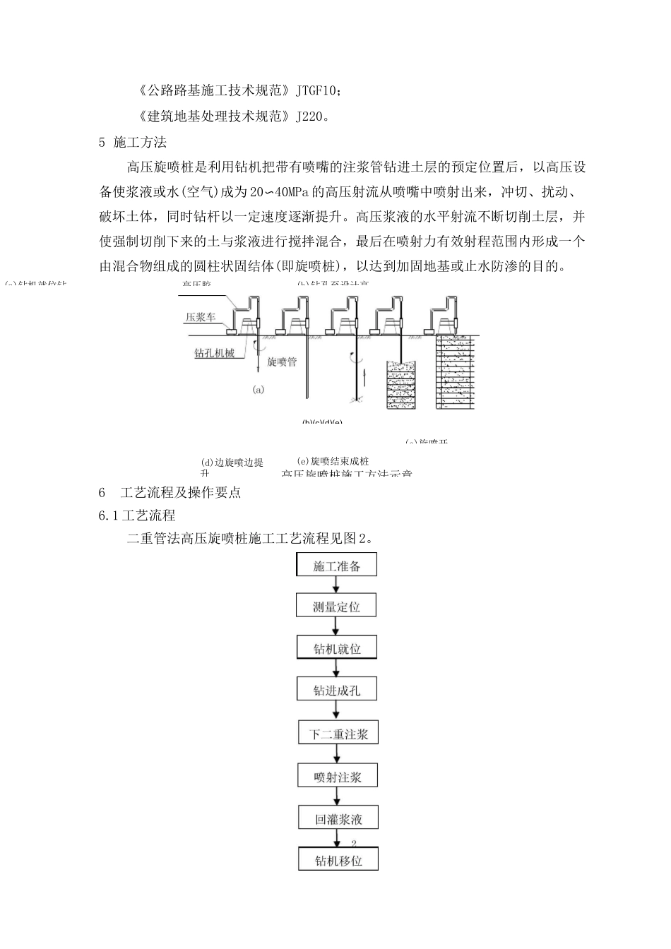
1高压旋喷桩施工工艺工法QB/ZTYJGYGF-LJLM-0116-2011)第四工程有限公司胡晓磊1前言1.1工艺工法概况高压旋喷法是从20世纪70年代初期最先由日本开发的地基加固技术。它是在静压灌浆基础上引进水力采煤技术发展起来的,该技术在我国已有三十多年的应用历史。根据喷射方法的不同,高压旋喷桩可分为单管法、二管法和三管法。单管法仅喷射水泥浆;二管法是用二重注浆管同时喷射高压水泥浆和空气两种介;三管法是使用三重注浆管分别同时喷射水、气、水泥浆三种介质。本文结合工程实例,主要介绍二重管法高压旋喷桩的施工工艺工法。1.2工艺原理高压旋喷桩加固地基分两个阶段,第一阶段为成孔阶段,即通过钻机预成孔(或驱动密封良好的喷射管)和带有1个或2个横向喷嘴的特制喷射头进行成孔,使喷射头达到预定的深度;第二阶段为喷射加固阶段,即采用高压水泥浆、高压水以一定的压力,通过喷射管由喷射头上的横向喷嘴向土中喷射,同时钻杆一边旋转一边向上提升。由于高压旋喷射流具有强大的切削能力,因此一边切削四周土体,一边与之搅拌混合,形成圆柱状的水泥与土混合的加固体,即为“旋喷桩”。2工艺工法特点2.1水泥浆与原地基软土就地搅拌混合,可最大限度地利用原土。2.2施工设备简单,振动小,施工速度快,机械化程度高,使用成本低。2.3桩体固结强度高,单桩承载力较高,软土地基加固效果好。3适用范围适用于不含有机质土、淤泥质土、黏性土、粉土、砂土、黄土等公路、铁路路基的地基加固。4主要引用标准《客运专线铁路路基工程施工技术指南》TZ212;《铁路路基施工规范》TB10202;(d)边旋喷边提升(e)旋喷结束成桩高压旋喷桩施工方法示意《公路路基施工技术规范》JTGF10;《建筑地基处理技术规范》J220。5施工方法高压旋喷桩是利用钻机把带有喷嘴的注浆管钻进土层的预定位置后,以高压设备使浆液或水(空气)成为20〜40MPa的高压射流从喷嘴中喷射出来,冲切、扰动、破坏土体,同时钻杆以一定速度逐渐提升。高压浆液的水平射流不断切削土层,并使强制切削下来的土与浆液进行搅拌混合,最后在喷射力有效射程范围内形成一个由混合物组成的圆柱状固结体(即旋喷桩),以达到加固地基或止水防渗的目的。6工艺流程及操作要点6.1工艺流程二重管法高压旋喷桩施工工艺流程见图2。高压胶(b)(c)(d)(e)(a)钻机就位钻(b)钻孔至设计高(c)旋喷开3图2二重管法高压旋喷桩施工工艺流程图6.2操作要点6.2.1施工准备1在设计文件提供的各种技术资料的基础上作补充工程地质勘探,进一步了解施工工点地基土的性质、埋藏条件。2场地平整。先进行场地平整,清除桩位处地上、地下的一切障碍物,场地低洼处用粘性土料回填夯实,并做好排浆沟。3室内配合比试验。根据设计要求的喷浆量或现场土样的情况,按不同含水量设计并调整几种配合比,通过在室内将现场采取的土样进行风(烘)干、碾碎,过2〜5mm筛的粉状土样,按设计喷浆量、水灰比搅拌、养护、力学试验,确定施工喷浆量。4准备充足的水泥加固料和水。水泥浆量计算有两种方法,即体积法和喷量法,取大者作为设计喷射浆量。1)体积法:兀De2门兀D2Q=Kh(1+0)+Kh4114222)喷量法:Q=Hq(1+0)式中:Q——需要的喷浆量(m3);De——旋喷固结体直径(m);D――注浆管直径(m);0K填充率,0.75〜0.9;1h——旋喷长度(m);1K——未旋喷范围土的填充率,0.5〜0.75;2h——未旋喷长度(m);2B——损失系数,0.1〜0.2;v提升速度(m/min);H――喷射长度(m);q——单位喷浆量(m3/m)。根据计算所需的喷浆量和设计的水灰比,即可确定水泥的使用数量5试桩试验。根据室内试验确定的施工喷浆量、水灰比制备水泥浆液在试验工点打设数根试桩,并根据试桩结果,调整加固料的喷浆量,确定搅拌桩搅拌机提升速度、搅拌轴回转速度、喷入压力、停浆面等施工工艺参数。6.2.2测量定位用全站仪测定旋喷桩中心点,用小竹签做好标记,复测合格后,用钢尺和测线布设护桩,确保桩机准确就位。桩孔中心偏差不得大于50mm。6.2.3钻机就位移动旋喷桩机到指定桩位,立轴转盘与孔位对正,同时整平钻机,导向架和钻杆应与地面垂直,钻杆垂直度偏差不大于1%〜1.5%。为了保证桩位准确,必须使用...

1、当您付费下载文档后,您只拥有了使用权限,并不意味着购买了版权,文档只能用于自身使用,不得用于其他商业用途(如 [转卖]进行直接盈利或[编辑后售卖]进行间接盈利)。
2、本站所有内容均由合作方或网友上传,本站不对文档的完整性、权威性及其观点立场正确性做任何保证或承诺!文档内容仅供研究参考,付费前请自行鉴别。
3、如文档内容存在违规,或者侵犯商业秘密、侵犯著作权等,请点击“违规举报”。

碎片内容

(完整版)16、高压旋喷桩施工工艺工法

确认删除?
VIP
微信客服
  • 扫码咨询
会员Q群
  • 会员专属群点击这里加入QQ群
客服邮箱
回到顶部