电脑桌面
添加小米粒文库到电脑桌面
安装后可以在桌面快捷访问

初三物理第一至六章自测题VIP免费

初三物理第一至六章自测题_第1页
1/5
初三物理第一至六章自测题_第2页
2/5
初三物理第一至六章自测题_第3页
3/5
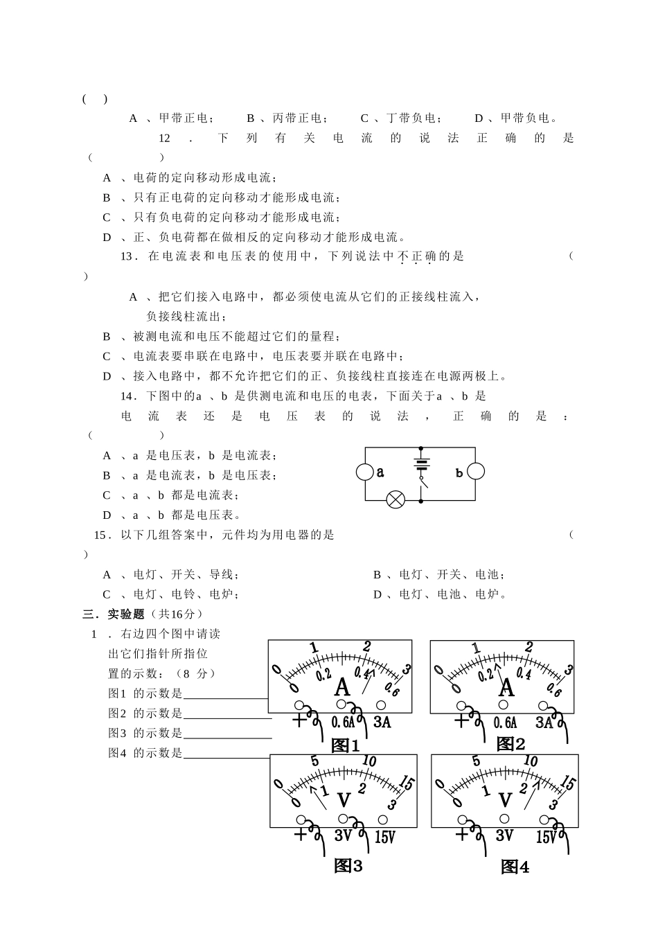
初三物理期中测试题姓名得分一.填空题(第空1分,共30分)1.一个物体能够,我们就说它具有能。2.分子运动论的基本内容是:(1)一切物质都是由分子组成;(2)分子都在;(3)分子之间。3.被拉弯的弓具有能;炮弹由炮口斜向上射出,它在飞行过程中具有能和能。4.写出下列过程中能量的转化情况:(1)冬天双手相互摩擦变暖是。(2)内燃机的做功冲程是。(3)水轮发电机发电是。(4)灯泡通电发热发光是。5.水的比热是,它所表示的物理意义是。6.烟煤的燃烧值是2.9×107焦/千克,它所表示的物理意义是。完全燃烧500克的烟煤放出的热量是焦。7.汽油机在一个工作循环中有四个冲程:、、和冲程。8.自然界只存在种电荷;同种电荷互相,异种电荷互相。9.电流是由形成的;在物理学上规定方向为电流方向;金属导体中电流方向与导体内部自由电子定向移动的方向。10.电流强度表示的物理量,它的符号是,它的主单位是。11.使电路形成电流,而是提供电压的装置,对人体安全的电压为伏特。二.选择题(每小题2分,共30分)(请把答案填在下面表格中)题号123456789101112131415答案1.在国际单位制中,焦耳是属()A、比热单位;B、机械效率单位;C、功率单位;D、能量单位。2.小明骑自行车在沿斜坡匀速上坡的过程中,下列选项正确的是()A、动能减少;B、重力势能不变;C、机械能增加;D、以上说法都不对3.下列事例中,属于内能转化为机械能的是()A、冬天用热水取暖;B、用酒精灯给水加热;C.在石块上磨刀,刀发烫;D、瓶塞被水蒸汽顶起。4.下列有关物体的内能说法中错误的是()A、0℃的物体内能为零;B、一切物体都具有内能;C、物体间的内能可发生转移;D、其它形式的能可转化为内能。5.下列现象中,通过做功而使物体的内能发生改变的是()A、晒太阳感到暖和;B、铁块在火炉里加热;C、两手相搓手心变热;D、烟花点燃后腾空而起。6.一个物体的温度升高了,则A.物体一定吸收了热量;B、一定是其它物体对它做了功;C、物体吸了热或对物体做了功;D、以上说法都正确。7.铅块和铁块的质量、温度都相同,同时放入同一杯热水中,当它们与热水的温度相同时,吸收的热量(C铝>C铁)()A、铝块多;B、铁块多;C、一样多;D、无法判断。8.绝缘体不容易导电,这是因为()A、绝缘体中没有电子;B、绝缘体中的电子不运动;C、绝缘体中的正电荷和负电荷中和了;D、绝缘体中的电荷几乎被束缚在原子或分子范围内,自由电荷很少。9.用一个开关同时控制电灯发光和电铃发声,那么这两个用电器()A、一定是串联;B、一定是并联;C、可串联也可并联;D、串联或并联都不行10.如下图所示的电路图中,正确的是()ABCD11.甲、乙、丙、丁四个带电体,甲排斥丙,丙吸引丁,丁吸引乙,若乙带负电,则()A、甲带正电;B、丙带正电;C、丁带负电;D、甲带负电。12.下列有关电流的说法正确的是()A、电荷的定向移动形成电流;B、只有正电荷的定向移动才能形成电流;C、只有负电荷的定向移动才能形成电流;D、正、负电荷都在做相反的定向移动才能形成电流。13.在电流表和电压表的使用中,下列说法中不正确的是()A、把它们接入电路中,都必须使电流从它们的正接线柱流入,负接线柱流出;B、被测电流和电压不能超过它们的量程;C、电流表要串联在电路中,电压表要并联在电路中;D、接入电路中,都不允许把它们的正、负接线柱直接连在电源两极上。14.下图中的a、b是供测电流和电压的电表,下面关于a、b是电流表还是电压表的说法,正确的是:()A、a是电压表,b是电流表;B、a是电流表,b是电压表;C、a、b都是电流表;D、a、b都是电压表。15.以下几组答案中,元件均为用电器的是()A、电灯、开关、导线;B、电灯、开关、电池;C、电灯、电铃、电炉;D、电灯、电池、电炉。三.实验题(共16分)1.右边四个图中请读出它们指针所指位置的示数:(8分)图1的示数是图2的示数是图3的示数是图4的示数是2.请根据下面两个实物连接图画出相应的电路图,画在虚框内(共4分)(1)(2)(1)(2)3.据下面的电路图,用笔画线连接右边的电路元件(L1、L2电流不超过0.6A)。(4分)四.计算题(共20分)1.使2...

1、当您付费下载文档后,您只拥有了使用权限,并不意味着购买了版权,文档只能用于自身使用,不得用于其他商业用途(如 [转卖]进行直接盈利或[编辑后售卖]进行间接盈利)。
2、本站所有内容均由合作方或网友上传,本站不对文档的完整性、权威性及其观点立场正确性做任何保证或承诺!文档内容仅供研究参考,付费前请自行鉴别。
3、如文档内容存在违规,或者侵犯商业秘密、侵犯著作权等,请点击“违规举报”。

碎片内容

初三物理第一至六章自测题

精品文库+ 关注
实名认证
内容提供者

小学学习各类资料大全

确认删除?
VIP
微信客服
  • 扫码咨询
会员Q群
  • 会员专属群点击这里加入QQ群
客服邮箱
回到顶部