电脑桌面
添加小米粒文库到电脑桌面
安装后可以在桌面快捷访问

七、公司防火安全制度VIP专享VIP免费

七、公司防火安全制度_第1页
1/4
七、公司防火安全制度_第2页
2/4
七、公司防火安全制度_第3页
3/4
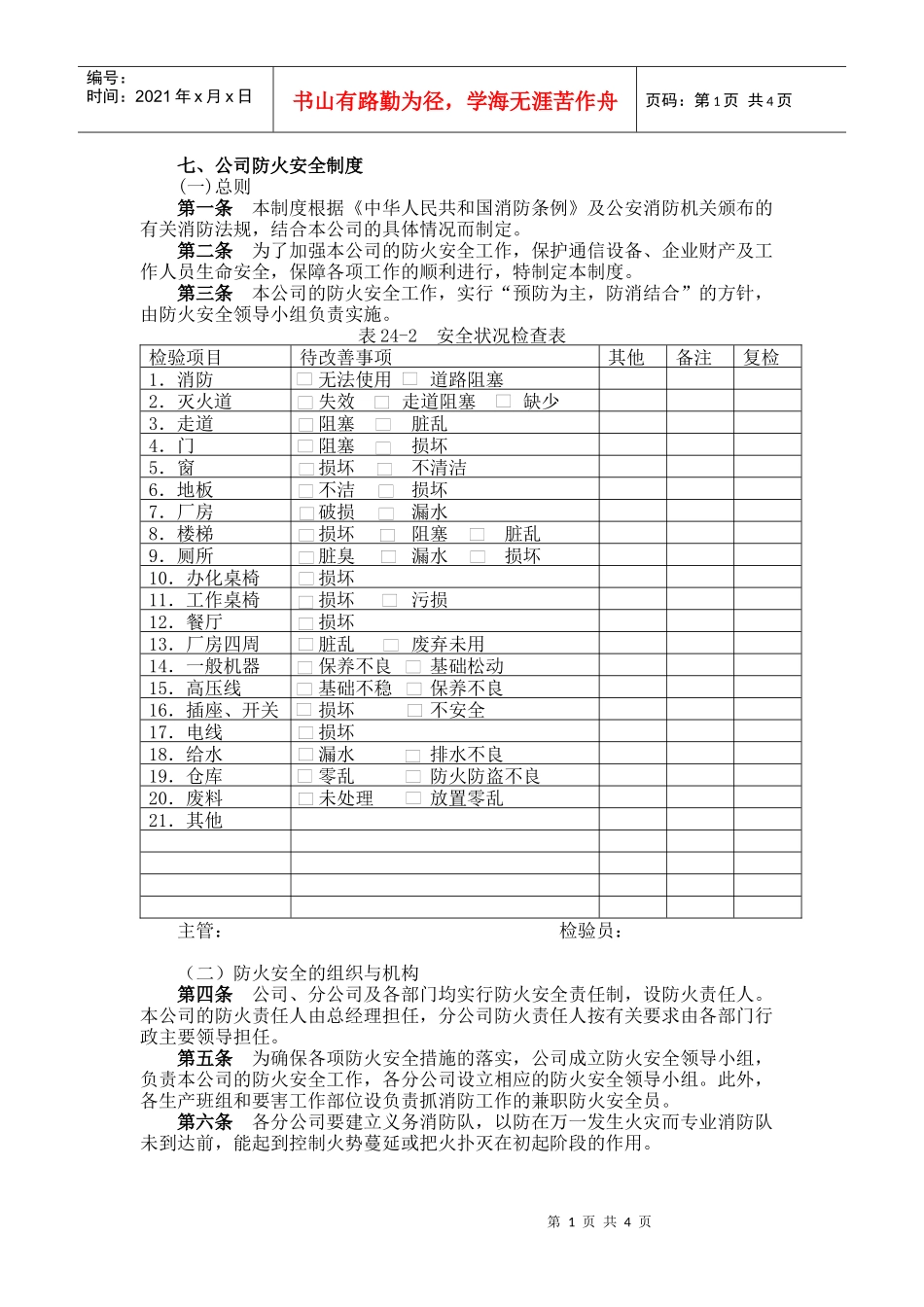
第1页共4页编号:时间:2021年x月x日书山有路勤为径,学海无涯苦作舟页码:第1页共4页七、公司防火安全制度(一)总则第一条本制度根据《中华人民共和国消防条例》及公安消防机关颁布的有关消防法规,结合本公司的具体情况而制定。第二条为了加强本公司的防火安全工作,保护通信设备、企业财产及工作人员生命安全,保障各项工作的顺利进行,特制定本制度。第三条本公司的防火安全工作,实行“预防为主,防消结合”的方针,由防火安全领导小组负责实施。表24-2安全状况检查表检验项目待改善事项其他备注复检1.消防无法使用道路阻塞2.灭火道失效走道阻塞缺少3.走道阻塞脏乱4.门阻塞损坏5.窗损坏不清洁6.地板不洁损坏7.厂房破损漏水8.楼梯损坏阻塞脏乱9.厕所脏臭漏水损坏10.办化桌椅损坏11.工作桌椅损坏污损12.餐厅损坏13.厂房四周脏乱废弃未用14.一般机器保养不良基础松动15.高压线基础不稳保养不良16.插座、开关损坏不安全17.电线损坏18.给水漏水排水不良19.仓库零乱防火防盗不良20.废料未处理放置零乱21.其他主管:检验员:(二)防火安全的组织与机构第四条公司、分公司及各部门均实行防火安全责任制,设防火责任人。本公司的防火责任人由总经理担任,分公司防火责任人按有关要求由各部门行政主要领导担任。第五条为确保各项防火安全措施的落实,公司成立防火安全领导小组,负责本公司的防火安全工作,各分公司设立相应的防火安全领导小组。此外,各生产班组和要害工作部位设负责抓消防工作的兼职防火安全员。第六条各分公司要建立义务消防队,以防在万一发生火灾而专业消防队未到达前,能起到控制火势蔓延或把火扑灭在初起阶段的作用。第2页共4页第1页共4页编号:时间:2021年x月x日书山有路勤为径,学海无涯苦作舟页码:第2页共4页(三)防火安全职责第七条公司全体员工都应增强消防意识并安全防火的责任感和义务感。第八条公司防火责任人和各分公司的防火责任人分别对本公司和本部门的防火安全负责。第九条各级防火安全责任人的职责。1.贯彻上级的消防工作指示,严格执行消防法规。2.将消防工作列入议事日程,做到与生产经营同计划、同布置、同检查、同总结、同评比。3.执行防火安全制度,依法纠正违章行为。4.协助公安机关调查火灾原因,提出处理意见。第十条防火安全领导小组的职责1.处理本公司防火安全工作。2.制定公司的防火安全制度。3.组织防火安全检查,主持整改火险与事故隐患。4.组织交流经验,评比表彰先进。第十一条各施工生产班组和要害工作部位的兼职防火安全员在防火安全领导小组领导下,落实本工作部门的防火安全措施。第十二条义务消防队接受防火安全领导小组的指挥调动,认真履行消防职责。(四)防火安全措施第十三条公司的防火安全工作,要本着以“预防为主,防消结合”原则,防患于未然。第十四条各部门在生产和工作中,均须严格执行国家和市消防机关颁布的有关防火规定,并根据自己的实际情况,采取具体措施。表24-3用电安全检查表项次检查项目良好不良缺点事实改善事项1电器设备及马达外壳是否接地2电气设备是否有淋水或淋化学液3电气设备配管配线是否破损4电气设备配管及马达是否过载使用5高压马达短路环、电器是否良好6配电箱处是否堆材料、工具或其他杂物7导体露出部分是否容易接近、是否挂“危险”标示牌8D.S及BusBar是否因接触不良而发红9配电盘外壳及P.T.C.T二次线路是否接地10转动部分是否有覆罩11变电室灭火器是否良好12临时线路的配置是否完全13高压线路的绝缘支持物是否不洁或有脱落现象14中间接线盒是否有积棉或其他物品15现场配电盘是否确实关妥16电器开关的保险丝是否符合规定第3页共4页第2页共4页编号:时间:2021年x月x日书山有路勤为径,学海无涯苦作舟页码:第3页共4页17避雷针是否有效备注:本表由安全部门填写一式两份,一份送机电部门,一份存安全卫生部门备查。部门主管:检查人:第十五条防火安全领导小组应经常对全体员工进行防火安全教育,并组织业义务消防队进行消防训练。第十六条各施工生产班、组要害部位的兼职防火安全员,应在每日下班和交接班前,对本工作部位进行一次防火安全检查;其他各...

1、当您付费下载文档后,您只拥有了使用权限,并不意味着购买了版权,文档只能用于自身使用,不得用于其他商业用途(如 [转卖]进行直接盈利或[编辑后售卖]进行间接盈利)。
2、本站所有内容均由合作方或网友上传,本站不对文档的完整性、权威性及其观点立场正确性做任何保证或承诺!文档内容仅供研究参考,付费前请自行鉴别。
3、如文档内容存在违规,或者侵犯商业秘密、侵犯著作权等,请点击“违规举报”。

碎片内容

七、公司防火安全制度

确认删除?
VIP
微信客服
  • 扫码咨询
会员Q群
  • 会员专属群点击这里加入QQ群
客服邮箱
回到顶部