电脑桌面
添加小米粒文库到电脑桌面
安装后可以在桌面快捷访问

出水设备验收表VIP专享VIP免费

出水设备验收表_第1页
1/14
出水设备验收表_第2页
2/14
出水设备验收表_第3页
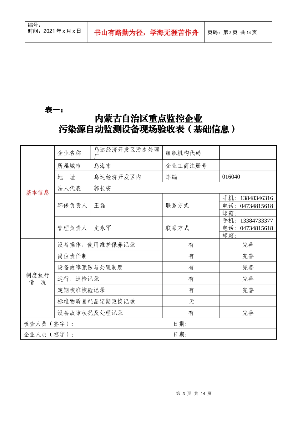
3/14
第1页共14页编号:时间:2021年x月x日书山有路勤为径,学海无涯苦作舟页码:第1页共14页附:内蒙古自治区重点监控企业污染源自动监测设备验收表(报批稿)企业名称:乌达经济开发区污水处理厂验收单位:环保部门填写验收日期编号内蒙古自治区环境保护厅制第2页共14页第1页共14页编号:时间:2021年x月x日书山有路勤为径,学海无涯苦作舟页码:第2页共14页填写说明该表分“现场验收表”、“比对监测结果表”、“验收组成员名单”、“责任环保部门验收结论”四部分组成。1、“现场验收表”由责任环保部门的现场验收人员填写,并由企业人员认可签字,其中“表一(基础信息)”每个企业填写一份,“表二(废气)”、“表三(废水)”每套自动监测设备填写一份。2、“比对监测结果表”由责任环保部门的环保监测机构填写。3、“责任环保部门验收结论”由责任环保部门填写。4、填写时使用蓝黑钢笔或签字笔,字迹清晰、不得涂改,或者采用计算机输入(签字内容除外)。第3页共14页第2页共14页编号:时间:2021年x月x日书山有路勤为径,学海无涯苦作舟页码:第3页共14页表一:内蒙古自治区重点监控企业污染源自动监测设备现场验收表(基础信息)基本信息企业名称乌达经济开发区污水处理厂组织机构代码所属城市乌海市企业工商注册号地址乌达经济开发区内邮编016040法人代表郭长安环保负责人王磊联系方式手机:13848346316电话:04734815618邮箱:管理负责人史永军联系方式手机:13384733377电话:04734815618邮箱:制度执行情况设备操作、使用维护保养记录有完善岗位责任制有完善设备故障预防与处置制度有完善运行、巡检记录有完善定期校准校验记录有完善标准物质易耗品定期更换记录无设备故障状况及处理记录有完善核查人员(签字):日期:企业人员(签字):日期:第4页共14页第3页共14页编号:时间:2021年x月x日书山有路勤为径,学海无涯苦作舟页码:第4页共14页表二:内蒙古自治区重点监控企业污染源自动监测设备现场验收表(废气)污染治理设施信息锅炉台数及总吨位台蒸吨机组装机容量万KW全年发电量千瓦时全年耗煤量吨脱硫设计单位脱硫工艺设计脱硫效率(%)设计处理风量(万m3/h)设计煤质含硫率(%)实际平均煤质含硫率(%)除尘工艺设计除尘效率(%)脱硝工艺设计脱销效率(%)排污口信息排污口名称排污口序号排污口位置东经:度分秒;北纬:度分秒排污口是否规范排污口标志牌安装是□否□设施运行及日常现场监督检查记录是□否□自动监测设备基本情况生产厂家探头位置设备型号及编码投用时间设备安装是否规范计量器具型式批准证书或生产许可证有效期环境监测仪器质量监督检验中心适用性检测证书有效期第5页共14页第4页共14页编号:时间:2021年x月x日书山有路勤为径,学海无涯苦作舟页码:第5页共14页在线自动监测仪通过环境保护部环境监测仪器质量监督检验中心适用性检测合格,并在有效期内是□否□运营类别自运营□第三方运营□环保部门运营□废气排放口已安装流速仪是□否□烟气排放连续监测系统(CEMS)设置符合规范要求的操作平台是□否□CEMS取样点位处应具有符合规范要求的标准分析方法取样孔是□否□SO2自动监测系统取样方式A释稀抽取式□B直接抽取式□C直接测量式□D其他□SO2自动监测系统的二氧化硫分析原理A紫外荧光□B非分散红外□C非分散紫外□D紫外差分吸收(DOAS)□E定电位电解测量技术□F其他□自动监测设备联网情况数据采集器序号终端服务地址码数据上报间隔现场各项数据与监控中心接收数据单位及数值是否一致执行标准污染物名称标准值标准名称及标准号仪器参数设置情况二级门禁管理系统有□无□氧量有□无□校准系数有□无□第6页共14页第5页共14页编号:时间:2021年x月x日书山有路勤为径,学海无涯苦作舟页码:第6页共14页速度场系数有□无□仪器参数设备设置值现场核查值排污口尺寸(米)过剩空气系数校准系数速度场系数数据采集传输仪运行情况废气排放口是否安装独立数据采集传输设备是□否□数据采集传输仪性能符合规范要求是□否□数据采集传输仪安装符合规范要求是□否□数据采集传输仪与监控中心通讯畅通是□否□数据采集传输仪通讯方式符合《污染源在...

1、当您付费下载文档后,您只拥有了使用权限,并不意味着购买了版权,文档只能用于自身使用,不得用于其他商业用途(如 [转卖]进行直接盈利或[编辑后售卖]进行间接盈利)。
2、本站所有内容均由合作方或网友上传,本站不对文档的完整性、权威性及其观点立场正确性做任何保证或承诺!文档内容仅供研究参考,付费前请自行鉴别。
3、如文档内容存在违规,或者侵犯商业秘密、侵犯著作权等,请点击“违规举报”。

碎片内容

出水设备验收表

确认删除?
VIP
微信客服
  • 扫码咨询
会员Q群
  • 会员专属群点击这里加入QQ群
客服邮箱
回到顶部