电脑桌面
添加小米粒文库到电脑桌面
安装后可以在桌面快捷访问

项目经理部工作流程和相关工程报表VIP免费

项目经理部工作流程和相关工程报表_第1页
1/34
项目经理部工作流程和相关工程报表_第2页
2/34
项目经理部工作流程和相关工程报表_第3页
3/34
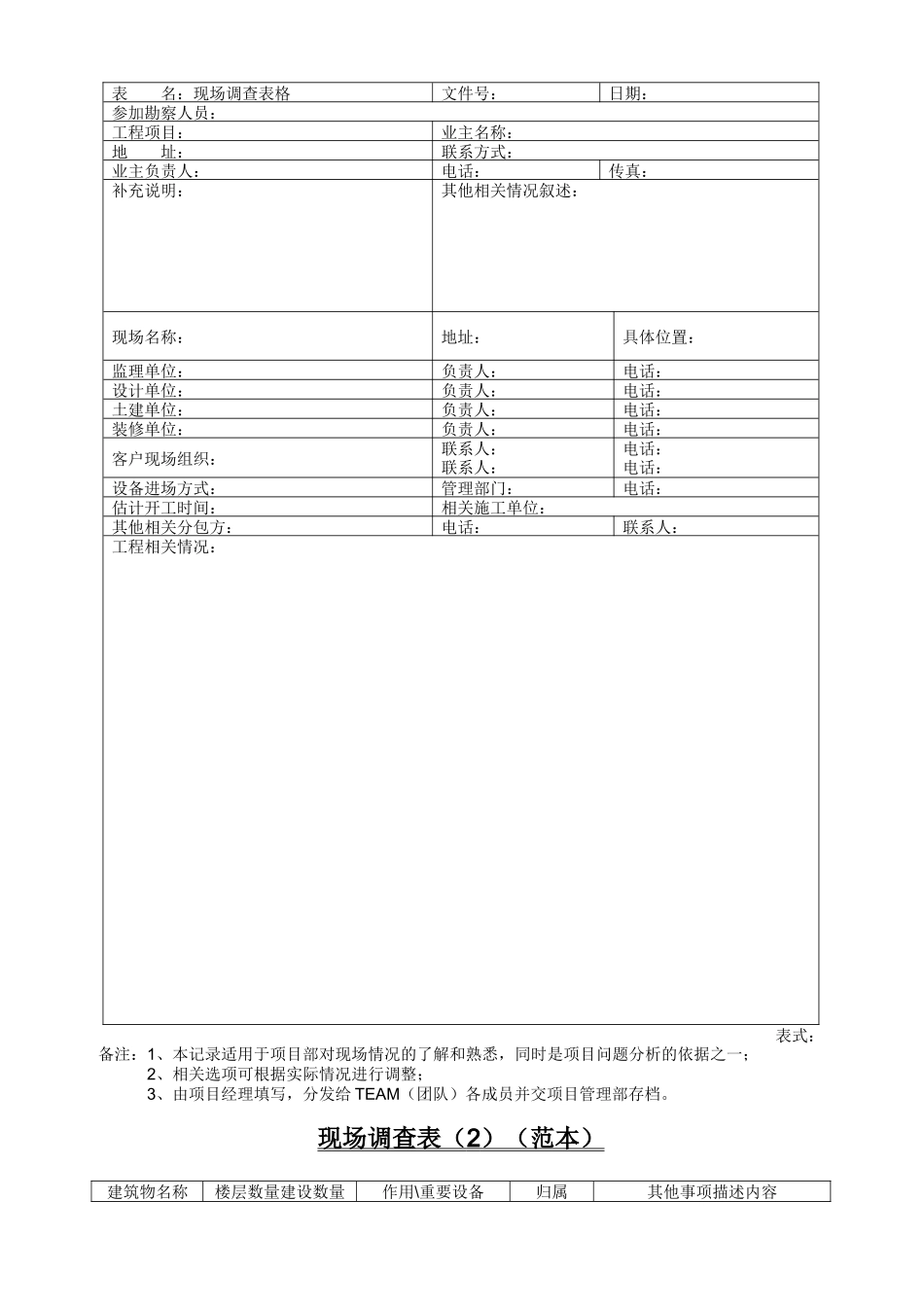
客户需求分析现场勘察纪要技术方案设计技术方案会审合同签订施工组织方案设计制定工程进度计划产品部准备材料设备施工机具准备检查开工通知工料机进场按工序施工检查工程变更申请上步工序验测下步工序准备工程质量控制工程成本控制工程进度控制系统集成调试预验收验收竣工及移交培训工程项目部工作流程和相关工程报表一、工作流程图:二、项目部工作流程描述和项目管理工程中需要利用的报表(一)前期准备1、现场勘察纪要有公司副总提出相关要求,项目部经理指派人员到现场勘察。现场人员勘察完毕需填写现场勘察表,然后将勘察表报送项目部经理和公司副总审批。现场勘察表(1)(范本)表名:现场调查表格文件号:日期:参加勘察人员:工程项目:业主名称:地址:联系方式:业主负责人:电话:传真:补充说明:其他相关情况叙述:现场名称:地址:具体位置:监理单位:负责人:电话:设计单位:负责人:电话:土建单位:负责人:电话:装修单位:负责人:电话:客户现场组织:联系人:联系人:电话:电话:设备进场方式:管理部门:电话:估计开工时间:相关施工单位:其他相关分包方:电话:联系人:工程相关情况:表式:备注:1、本记录适用于项目部对现场情况的了解和熟悉,同时是项目问题分析的依据之一;2、相关选项可根据实际情况进行调整;3、由项目经理填写,分发给TEAM(团队)各成员并交项目管理部存档。现场调查表(2)(范本)建筑物名称楼层数量建设数量作用\重要设备归属其他事项描述内容是否有相关设备:长:宽:高:支撑方式:层高电力供给农电:市电:发电机:主干线路弱电竖井竖井数量长度竖井原设计用途及现有线缆种类、冗余情况工程涉及的子系统内容:设备间(主机房)情况描述:(包括长、宽、高、现有设备状况、房间使用情况)接线间(配线间)情况描述:(包括现有设备使用状况,是否存在安全隐患、房间长、宽、高)表式:备注:1、本记录适用于项目部对现场情况的了解和熟悉,同时是项目问题分析的依据之一;2、相关选项可根据实际情况进行调整;3、由项目经理填写,分发给TEAM(团队)各成员并交项目管理部存档。2、施工组织方案及TEAM(团队)各成员名录和联系方式根据公司副总提出相关要求,项目部经理制定施工组织方案。报送公司副总审批,审批后抄送项目经理和工程管理部经理,确定团队人员名单及联系方式。现场主要人员分工名录序号职位名称姓名联系电话E-mail12345678910111213141516171819203、工程施工任务书跟据公司老总和副总提出要求和任务,项目部经理选定项目经理并向项目经理发送工程施工任务书。工程施工任务书(范本)编号:工程名称工程地点工程类型合同编号项目部负责人项目经理要求开工时间要求竣工时间施工任务描述:任务要求:交接文件资料清单:工程实施有关联系人及联系方式:下达人年月日承接人年月日表式:备注:1、本记录适用于项目部实施项目任务分配阶段,由公司授权代表下达。2、本记录由项目部填写,项目经理、公司副总接收并保存。4、工程进度计划表有项目经理根据项目实际情况及建设方(甲方)的要求填写和制定,报送项目部经理和公司副总及老总审批。公司审批完毕后,再抄送建设方及监理审阅。工程施工进度总表(范本)序号工作内容起止时间月份月份月份15913172125292610141822263048一综合布线系统1墙面剔槽2配管安装3线缆敷设4模块卡接5机柜安装、配线架安装卡接6测试二网络系统1设备安装2交换机调试三PBX系统1线缆端接2电话分配四验收1报验2材料文档整理3系统验收表式:备注:1、以上所列项可以进行调整,具体工程内容不同,工期也不同。2、以上内容由项目部协商制定,由项目经理编制,并分发给TEAM各成员及各自部门经理和业主、监理、总包等。3、根据时间递进随时根据实际工程情况进行调整5、材料设备供货时间表及订货单首先由项目经理根据工程实际情况及建设方的要求填写供货时间表和订货单,报送项目部经理和公司副总审核。审核后由项目部经理再报老总审批,老总审批完毕后再抄送项目部经理。项目部经理将供货时间表抄送建设方审阅,订货单抄送采购部,采购部相关人员负责材料采购。材料设备供货时间表(范本)...

1、当您付费下载文档后,您只拥有了使用权限,并不意味着购买了版权,文档只能用于自身使用,不得用于其他商业用途(如 [转卖]进行直接盈利或[编辑后售卖]进行间接盈利)。
2、本站所有内容均由合作方或网友上传,本站不对文档的完整性、权威性及其观点立场正确性做任何保证或承诺!文档内容仅供研究参考,付费前请自行鉴别。
3、如文档内容存在违规,或者侵犯商业秘密、侵犯著作权等,请点击“违规举报”。

碎片内容

项目经理部工作流程和相关工程报表

确认删除?
VIP
微信客服
  • 扫码咨询
会员Q群
  • 会员专属群点击这里加入QQ群
客服邮箱
回到顶部