电脑桌面
添加小米粒文库到电脑桌面
安装后可以在桌面快捷访问

质检表4隐蔽工程检查验收记录VIP免费

质检表4隐蔽工程检查验收记录_第1页
1/64
质检表4隐蔽工程检查验收记录_第2页
2/64
质检表4隐蔽工程检查验收记录_第3页
3/64
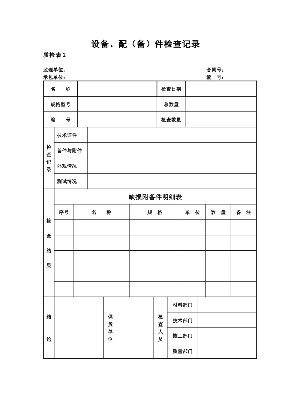
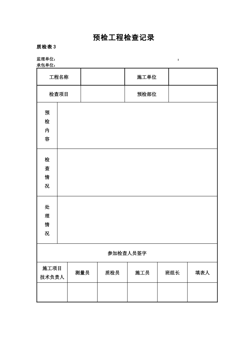
材料、构配件检查记录质检表1监理单位:合同号:承包单位:编号:工程名称施工单位检验日期年月日序号名称规格型号数量合格证号检查记录检查量检测手段检查结论:□合格□不合格监理(建设)单位施工单位质检员材料员设备、配(备)件检查记录质检表2监理单位:合同号:承包单位:编号:名称检查日期规格型号总数量编号检查数量检查记录技术证件备件与附件外观情况测试情况检查结果缺损附备件明细表序号名称规格单位数量备注结论供货单位检查人员材料部门技术部门施工部门质量部门预检工程检查记录质检表3监理单位::承包单位:工程名称施工单位检查项目预检部位预检内容检查情况处理情况参加检查人员签字施工项目技术负责人测量员质检员施工员班组长填表人隐蔽工程检查验收记录质检表4监理单位::承包单位:年月日工程名称施工单位隐检项目隐检范围验收意见处理情况验收人:年月日建设单位监理单位设计单位施工项目技术负责人施工单位挖孔桩现场质量检验报告单质检表5监理单位:合同号:承包单位:编号:工程名称施工时间桩号及部位检验时间项次检验项目规定值或允许偏差实测数据检验结果1混凝土强度(Mpa)2桩位(mm)群桩排架桩3钢筋笼偏心值(mm)横向纵向4钢筋骨架底面高程(mm)5桩顶标高(mm)6桩底标高(mm)7桩长(mm)8桩径(mm)9无破损检测外观检查:自检说明:质检工程师:日期:监理评语:专业工程师:日期:挖孔桩终孔后灌注混凝土前检查表质检表6监理单位:合同号:承包单位:编号:工程名称施工时间桩号及部位检验时间护筒顶高程(m)护筒长度(m)设计直径(mm)实测直径(m)孔位偏差(mm)设计孔底高程(m)终孔孔底高程(m)清孔后孔底高程(m)灌注前孔底高程(m)灌注前沉浆比重含沙率(%)基底承载能力(MPa)设计实际桩底平面位置、嵌入弱风化岩深度(m)自检说明:质检工程师:日期:监理评语:专业工程师:日期:技术负责人:监理工程师:结构物基底质检表质检表7监理单位:合同号:承包单位:编号:工程名称桩号施工日期检验日期基底平面尺寸(m)基底标高(m)基础底面标高基底承载能力(MPa)水位及其他设计实际土质岩质设计实际设计实际规定值实测值规定值实测值基底平面位置:地基处理方法(若换填土标明换土厚度、层数、压实度等):自检说明:质检员:日期:监理评语:专业工程师:日期:技术负责人:监理工程师:桥梁基坑现场质量检验报告单质检表8监理单位:合同号:承包单位:编号:工程名称施工时间桩号及部位检验时间项次检验项目规定值或允许偏差检验结果检验方法或频率1基底平面尺寸(mm)2基底标高(mm)3基底承载能力(mm)4平整度(mm)自检说明:质检工程师:日期:监理评语:专业监理工程师:日期:技术负责人:监理工程师:日期:地基处理检查表质检表9监理单位:合同号:承包单位:编号:工程名称施工时间桩号及部位检验时间处理方法级配或含量处理范围长度宽度厚度分层厚度(cm)松铺压实底面高程偏差允许值左前左后右前右后(mm)密实度或强度项目试样密实度或强度合格率(%)第一层第二层第三层第四层第五层顶面高程偏差允许值左前左后右前右后备注自检说明:质检工程师:日期:监理评语:专业工程师:日期:技术负责人:监理工程师:钢筋检查表质检表10监理单位:合同号:承包单位:编号:工程名称施工日期桩号及部位检验时间检查项目允许值或允许偏差检查点数合格点数合格率平均偏差受力钢筋加工后沿构件方向全长钢筋层距受力钢筋间距箍筋、螺旋筋间距保护层厚度焊接预埋件位置符合设计□不符合设计□箍筋、螺旋筋间距符合设计□不符合设计□受力筋接头形式规定长度实测最小长度质量受拉区最大比例(%)受压区最大比例(%)去锈情况钢筋(网)在模板内固定情况备注填表说明:钢筋检查如不合格,必须更换调整,更换或调整后另行检查填表自检说明:质检工程师:日期:监理评语:专业工程师:日期:技术负责人:监理工程师:钢筋加工及安装现场质量检验报告单质检表11监理单位:合同号:承包单位:编号:工程名称施工时间工程部位检验时间项次检验项目规定值或允许偏差实测数据检验结果1受力钢筋间距(mm)两排以上排距同排梁板、拱...

1、当您付费下载文档后,您只拥有了使用权限,并不意味着购买了版权,文档只能用于自身使用,不得用于其他商业用途(如 [转卖]进行直接盈利或[编辑后售卖]进行间接盈利)。
2、本站所有内容均由合作方或网友上传,本站不对文档的完整性、权威性及其观点立场正确性做任何保证或承诺!文档内容仅供研究参考,付费前请自行鉴别。
3、如文档内容存在违规,或者侵犯商业秘密、侵犯著作权等,请点击“违规举报”。

碎片内容

质检表4隐蔽工程检查验收记录

精品中小学文档+ 关注
实名认证
内容提供者

精品资料,值得下载

确认删除?
VIP
微信客服
  • 扫码咨询
会员Q群
  • 会员专属群点击这里加入QQ群
客服邮箱
回到顶部