电脑桌面
添加小米粒文库到电脑桌面
安装后可以在桌面快捷访问

环境污染治理项目验收申请表(废气)VIP免费

环境污染治理项目验收申请表(废气)_第1页
1/10
环境污染治理项目验收申请表(废气)_第2页
2/10
环境污染治理项目验收申请表(废气)_第3页
3/10
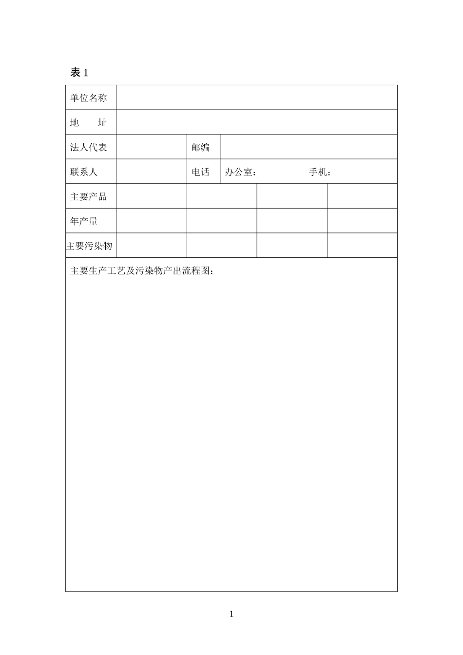
环境污染治理项目验收申请表(废气)单位名称:(盖章)项目内容:项目类别:填表日期:贵州省环境保护局印制表1单位名称地址法人代表邮编联系人电话办公室:手机:主要产品年产量主要污染物主要生产工艺及污染物产出流程图:1表2污染治理项目内容项目总投资(万元)治理目标项目开工日期设施投入试运行日期设施专职管理人员(人)项目实施情况(主要工程内容):23表3设施设计处理能力(立方米/日)治理前废气排放量(立方米/小时)治理后废气排放量(立方米/小时)监测结果主要监测指标治理前浓度(毫克/升)治理后浓度(毫克/升)处理率(%)标准限值年削减量(吨/年)执行标准监测报告编号监测单位4第5页共10页编号:时间:2021年x月x日书山有路勤为径,学海无涯苦作舟页码:第5页共10页表4县级环境保护行政主管部门审查意见:(公章)经办人(签字):年月日地市级环境保护行政主管部门审查意见:(公章)第6页共10页第5页共10页编号:时间:2021年x月x日书山有路勤为径,学海无涯苦作舟页码:第6页共10页经办人(签字):年月日第6页共10页第7页共10页编号:时间:2021年x月x日书山有路勤为径,学海无涯苦作舟页码:第7页共10页表5项目验收主持单位验收日期项目验收参与单位验收意见验收小组负责人(签名)第8页共10页第7页共10页编号:时间:2021年x月x日书山有路勤为径,学海无涯苦作舟页码:第8页共10页表6省级环境保护行政主管部门审批意见:(公章)经办人(签字):年月日填表说明1.污染治理单位在项目验收前按要求填写本表有关内容,经县、市级环保部门审查后报省环保局;“项目类别”一栏,若是限期治理项目,则填“╳年省级限期治理项目”。2.本表一式4份,县、市、省级环保部门各1份,单位自留1份。第9页共10页第8页共10页编号:时间:2021年x月x日书山有路勤为径,学海无涯苦作舟页码:第9页共10页

1、当您付费下载文档后,您只拥有了使用权限,并不意味着购买了版权,文档只能用于自身使用,不得用于其他商业用途(如 [转卖]进行直接盈利或[编辑后售卖]进行间接盈利)。
2、本站所有内容均由合作方或网友上传,本站不对文档的完整性、权威性及其观点立场正确性做任何保证或承诺!文档内容仅供研究参考,付费前请自行鉴别。
3、如文档内容存在违规,或者侵犯商业秘密、侵犯著作权等,请点击“违规举报”。

碎片内容

环境污染治理项目验收申请表(废气)

确认删除?
VIP
微信客服
  • 扫码咨询
会员Q群
  • 会员专属群点击这里加入QQ群
客服邮箱
回到顶部