电脑桌面
添加小米粒文库到电脑桌面
安装后可以在桌面快捷访问

重庆市中小学学校教育科研室(处)工作规程VIP免费

重庆市中小学学校教育科研室(处)工作规程_第1页
1/30
重庆市中小学学校教育科研室(处)工作规程_第2页
2/30
重庆市中小学学校教育科研室(处)工作规程_第3页
3/30
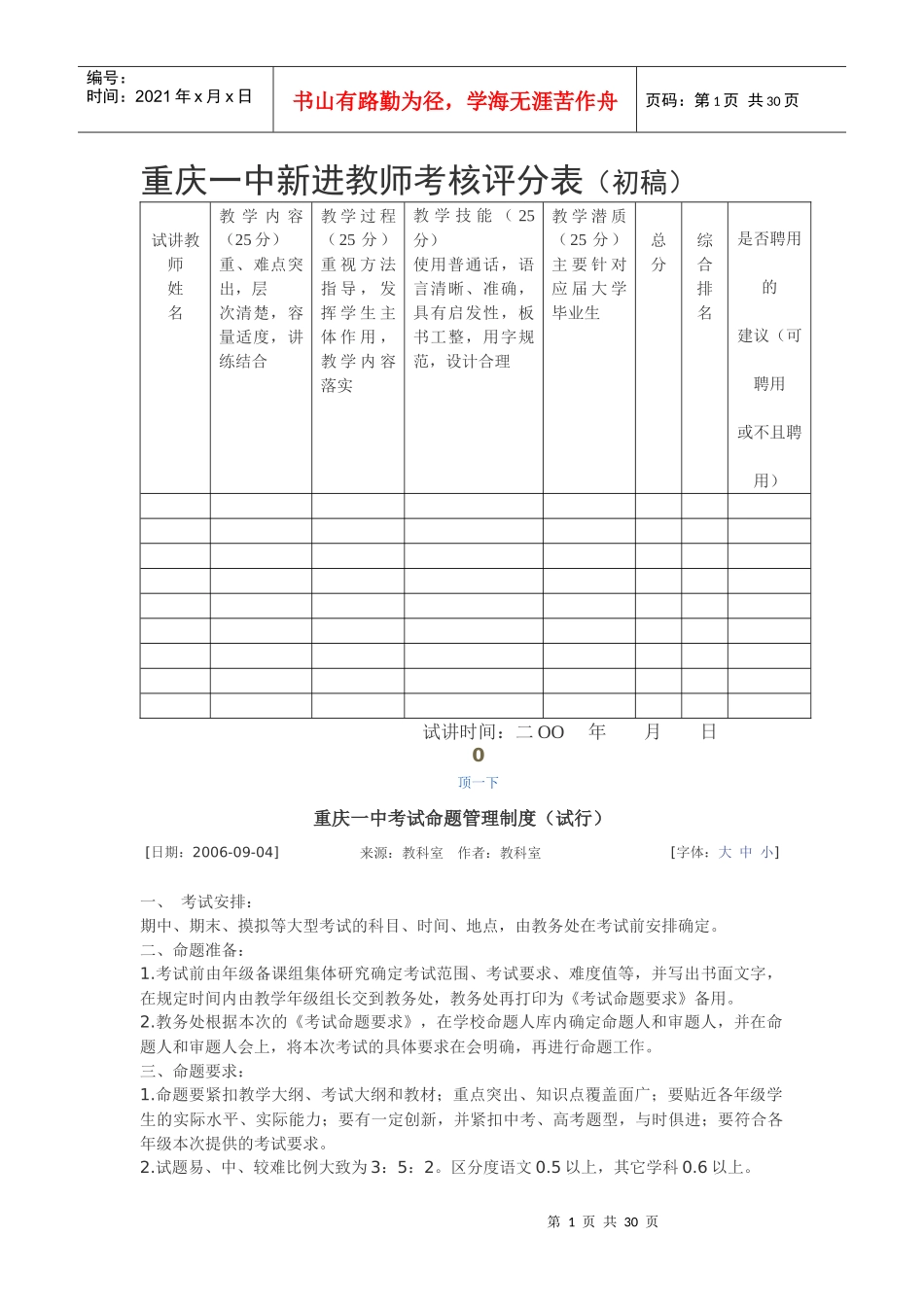
第1页共30页编号:时间:2021年x月x日书山有路勤为径,学海无涯苦作舟页码:第1页共30页重庆一中新进教师考核评分表(初稿)试讲教师姓名教学内容(25分)重、难点突出,层次清楚,容量适度,讲练结合教学过程(25分)重视方法指导,发挥学生主体作用,教学内容落实教学技能(25分)使用普通话,语言清晰、准确,具有启发性,板书工整,用字规范,设计合理教学潜质(25分)主要针对应届大学毕业生总分综合排名是否聘用的建议(可聘用或不且聘用)试讲时间:二OO年月日0顶一下重庆一中考试命题管理制度(试行)[日期:2006-09-04]来源:教科室作者:教科室[字体:大中小]一、考试安排:期中、期末、摸拟等大型考试的科目、时间、地点,由教务处在考试前安排确定。二、命题准备:1.考试前由年级备课组集体研究确定考试范围、考试要求、难度值等,并写出书面文字,在规定时间内由教学年级组长交到教务处,教务处再打印为《考试命题要求》备用。2.教务处根据本次的《考试命题要求》,在学校命题人库内确定命题人和审题人,并在命题人和审题人会上,将本次考试的具体要求在会明确,再进行命题工作。三、命题要求:1.命题要紧扣教学大纲、考试大纲和教材;重点突出、知识点覆盖面广;要贴近各年级学生的实际水平、实际能力;要有一定创新,并紧扣中考、高考题型,与时俱进;要符合各年级本次提供的考试要求。2.试题易、中、较难比例大致为3:5:2。区分度语文0.5以上,其它学科0.6以上。第2页共30页第1页共30页编号:时间:2021年x月x日书山有路勤为径,学海无涯苦作舟页码:第2页共30页高中理科难度系数控制在0.55—0.70;高中文科难度系数控制在0.50—0.65初中各科难度系数控制在0.55—0.70.。非高考、中考学科难度系数0.7以上,区分度在0.6以上。3.命题尽可能理论联系实际,贴近学生生活实际,结合当今最新科技,渗透重大时事热点。4.试题力求原创,每套试卷自编原创题在二道以上,力求在学生的参考书上不出现原题。5.命题前命题人要参加该年级学科备课组集体备课一次,了解老师们的想法和学生实际,了解年级使用了哪些教辅资料,使命题更加科学、合理、有效.6.命题一旦开始,除与审题教师探讨外,必须保密。7.命题包括试题卷、答题卷、标准答案、评分标准。8.命题必须使用规范汉字,试卷中不得出现繁体字、异体字、错别字和不合文字规范的简化字。四、审题要求:1.当命题人将试题初稿命制好后,交审题人审核。审题人检查试题有无知识性、科学性错误,是否出现了不规范汉字和错别字,是否有二道以上原创题,命题是否紧扣教学大纲、考试大纲和教材,是否重点突出、知识点覆盖面广,是否贴近各年级学生的实际水平,实际能力,是否紧扣中考、高考题型。2.与命题教师一起探讨试题的题型、难易度,本次考试的考点是否达到相关要求,有无陈题、旧题出现,与命题教师一起商讨如何打造新题型,如何更换试题。3.为了让试题在科学、合理、有效的基础上更加精致,命题教师与审题教师应一道商讨如何排版,形成一套高质量的试题。4.试卷最后打上命题和审题教师的姓名,并作好保密工作。五、制作要求:1.试题定稿后由命题人交打印室打印,并负责试卷的初校和二校工作,确定无误后交审题人最后审核。审题人最后审核,确定试卷无误后再交付印刷。2.试卷印刷好后,由教务处按各考室人数分好,并妥善保管。3.打印过程中命题人和审题人、教务处的有关人员要有保密意识,并作好保密工作。六、质量要求:1.考试学科的备课组长应将试卷出错处、阅卷过程中发现的问题,对试卷的评述填写在考试小结表上,交教学年级组长随考试成绩表一起上报教务处。2高考中考学科命题费为每分一元,审题费约为命题费的三分之一,非高考中考学科命题费按考试时间算为每分钟一元;如果难度系数和区分度达到本次考试要求,奖励命题人100元,奖励审题人50元,非高考中考学科命题审题奖励费减半;如果反馈(学生老师)情况很好,另有奖励。3.试卷出错一处,审题费少发10元,命题费少发5元。教务处2004.8.3.重庆一中考试记录表学年度期高(初)级期学科考试记录表项目选择题填空题其它题原创题填表人签字初稿命题人月日定稿修改几题修改几题修改几题修改几题审题人月日第...

1、当您付费下载文档后,您只拥有了使用权限,并不意味着购买了版权,文档只能用于自身使用,不得用于其他商业用途(如 [转卖]进行直接盈利或[编辑后售卖]进行间接盈利)。
2、本站所有内容均由合作方或网友上传,本站不对文档的完整性、权威性及其观点立场正确性做任何保证或承诺!文档内容仅供研究参考,付费前请自行鉴别。
3、如文档内容存在违规,或者侵犯商业秘密、侵犯著作权等,请点击“违规举报”。

碎片内容

重庆市中小学学校教育科研室(处)工作规程

精品中小学文档+ 关注
实名认证
内容提供者

精品资料,值得下载

确认删除?
VIP
微信客服
  • 扫码咨询
会员Q群
  • 会员专属群点击这里加入QQ群
客服邮箱
回到顶部