电脑桌面
添加小米粒文库到电脑桌面
安装后可以在桌面快捷访问

安全基准风险分析表VIP免费

安全基准风险分析表_第1页
1/27
安全基准风险分析表_第2页
2/27
安全基准风险分析表_第3页
3/27
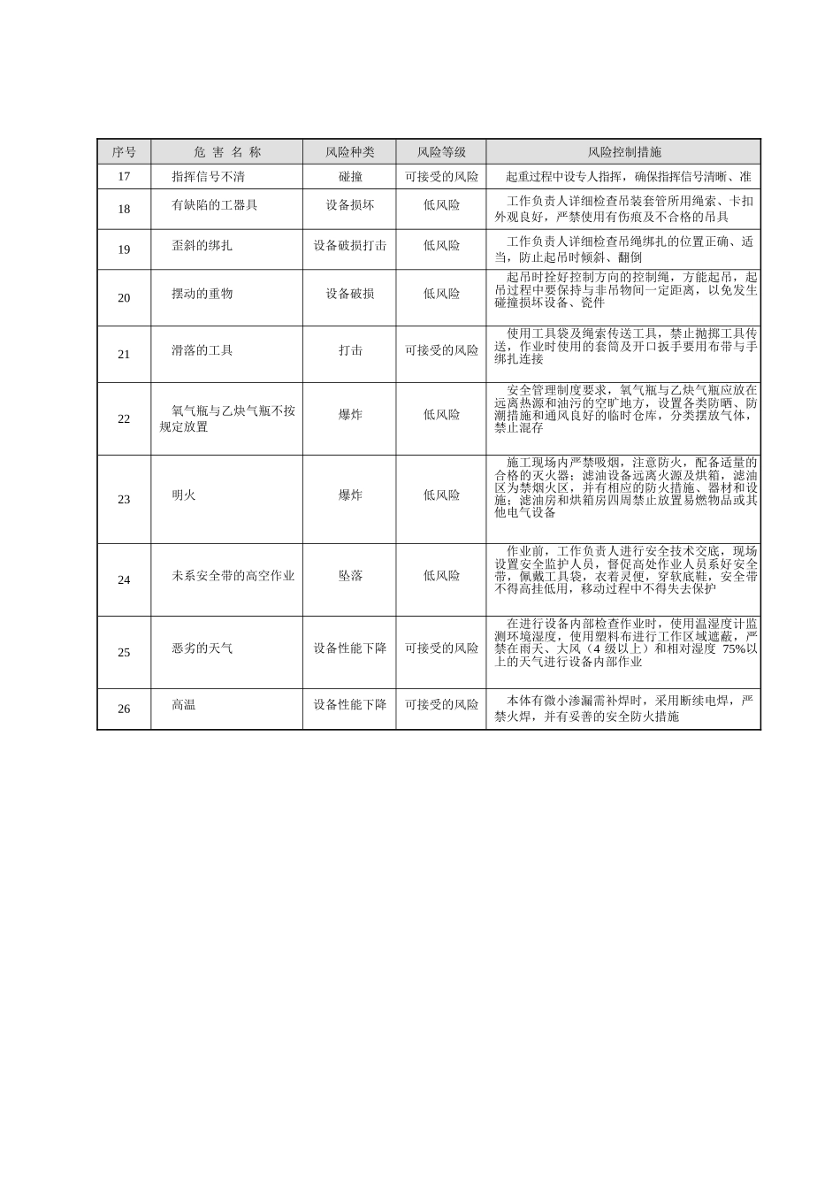
01变压器、油浸式电抗器的安装作业安全基准风险分析表作业指导书编码:BDDQ-ZW-01安全施工作业票编码:BDDQ-ZW-01-01/02序号危害名称风险种类风险等级风险控制措施1无资质的人员进行特种作业设备损坏可接受的风险由项目总工对特种作业人员资质进行审核,确保特种人员资质符合要求2未正确佩戴安全帽打击可接受的风险安全员对进入现场人员的安全防护用品使用进行检查,确保人员正确佩戴安全帽3未系安全带的高空作业坠落低风险作业前,工作负责人进行安全技术交底,现场设置安全监护人员,督促高处作业人员系好安全带,佩戴工具袋,衣着灵便,穿软底鞋,安全带不得高挂低用,移动过程中不得失去保护4关键工序不熟悉设备损坏可接受的风险关键施工前,由项目总工对施工人员进行详细的技术交底,使施工人员熟悉工序5进入施工区域的非工作人员触电可接受的风险在主变施工区域加装临时围栏或警告绳,并悬挂“禁止进入”标示牌,非工作人员严禁入内6无防护的孔洞坠落可接受的风险作业前,检查在作业场所周围的孔洞的围蔽情况,确保作业场所周围的孔洞已围蔽或封堵,且悬挂“当心坑洞”标示牌7无序的施工碰撞、设备破损可接受的风险设备、瓷件开箱检查由施工队长或工作负责人组织并实施,并派专职或兼职安全员监护8撬棍插入设备箱内过深设备破损可接受的风险设备、瓷件开箱时使用起钉器,不得用撬棒伸入箱内或穿过瓷件箱板开箱,以防损坏瓷件或设备9敲打设备箱内侧设备破损可接受的风险开箱时,施工负责人督促施工人员使用撬棒、手锤、凿子、螺丝刀等手动工具,不得敲打瓷件内侧的箱板10朝天的铁钉刺伤可接受的风险开箱后的所有箱板,及时打弯“朝天钉”,专人清理回收,堆放到指定位置11飞溅的异物设备破损可接受的风险开箱后的设备和瓷件应做到边开箱、边检查、边就位,暂不能就位安装的,做好预防敲打、倾倒以及外来异物飞落的保护措施12不正确使用梯子坠落中等风险工作人员高空作业时,拴好安全带,梯子放置稳固,由专人扶持或专梯专用;上下梯子清理鞋底油污;用绳索将梯子上、下部固定牢固13含氧量不足的设备内部窒息可接受的风险充氮变压器、电抗器内部检查时,未经工作负责人确认充分排氮后,任何人不准进入变压器、电抗器内,并远离排气口处14遗漏在设备内的施工工具设备烧损可接受的风险进入变压器、电抗器内部检查时,必须穿着专用工作服,事先对所用工器具进行详细检查,并注册登记,工作结束后按数收回,防止遗留在器身内15设备内部照明不足碰撞可接受的风险携带手电筒进入设备内部检查,照明必须良好,安全照明电压不大于12V,防止碰撞16有缺陷的起重机打击低风险使用起重机前司机应检查液压系统、钢丝绳索、刹车系统等,确保车况良好序号危害名称风险种类风险等级风险控制措施17指挥信号不清碰撞可接受的风险起重过程中设专人指挥,确保指挥信号清晰、准确18有缺陷的工器具设备损坏低风险工作负责人详细检查吊装套管所用绳索、卡扣外观良好,严禁使用有伤痕及不合格的吊具19歪斜的绑扎设备破损打击低风险工作负责人详细检查吊绳绑扎的位置正确、适当,防止起吊时倾斜、翻倒20摆动的重物设备破损低风险起吊时拴好控制方向的控制绳,方能起吊,起吊过程中要保持与非吊物间一定距离,以免发生碰撞损坏设备、瓷件21滑落的工具打击可接受的风险使用工具袋及绳索传送工具,禁止抛掷工具传送,作业时使用的套筒及开口扳手要用布带与手绑扎连接22氧气瓶与乙炔气瓶不按规定放置爆炸低风险安全管理制度要求,氧气瓶与乙炔气瓶应放在远离热源和油污的空旷地方,设置各类防晒、防潮措施和通风良好的临时仓库,分类摆放气体,禁止混存23明火爆炸低风险施工现场内严禁吸烟,注意防火,配备适量的合格的灭火器;滤油设备远离火源及烘箱,滤油区为禁烟火区,并有相应的防火措施、器材和设施;滤油房和烘箱房四周禁止放置易燃物品或其他电气设备24未系安全带的高空作业坠落低风险作业前,工作负责人进行安全技术交底,现场设置安全监护人员,督促高处作业人员系好安全带,佩戴工具袋,衣着灵便,穿软底鞋,安全带不得高挂低用,移动过程中不得失去保护25恶劣的天气设备性能下降可接受的风险在进...

1、当您付费下载文档后,您只拥有了使用权限,并不意味着购买了版权,文档只能用于自身使用,不得用于其他商业用途(如 [转卖]进行直接盈利或[编辑后售卖]进行间接盈利)。
2、本站所有内容均由合作方或网友上传,本站不对文档的完整性、权威性及其观点立场正确性做任何保证或承诺!文档内容仅供研究参考,付费前请自行鉴别。
3、如文档内容存在违规,或者侵犯商业秘密、侵犯著作权等,请点击“违规举报”。

碎片内容

安全基准风险分析表

确认删除?
VIP
微信客服
  • 扫码咨询
会员Q群
  • 会员专属群点击这里加入QQ群
客服邮箱
回到顶部