电脑桌面
添加小米粒文库到电脑桌面
安装后可以在桌面快捷访问

子分部工程与分项工程相关表VIP免费

子分部工程与分项工程相关表_第1页
1/14
子分部工程与分项工程相关表_第2页
2/14
子分部工程与分项工程相关表_第3页
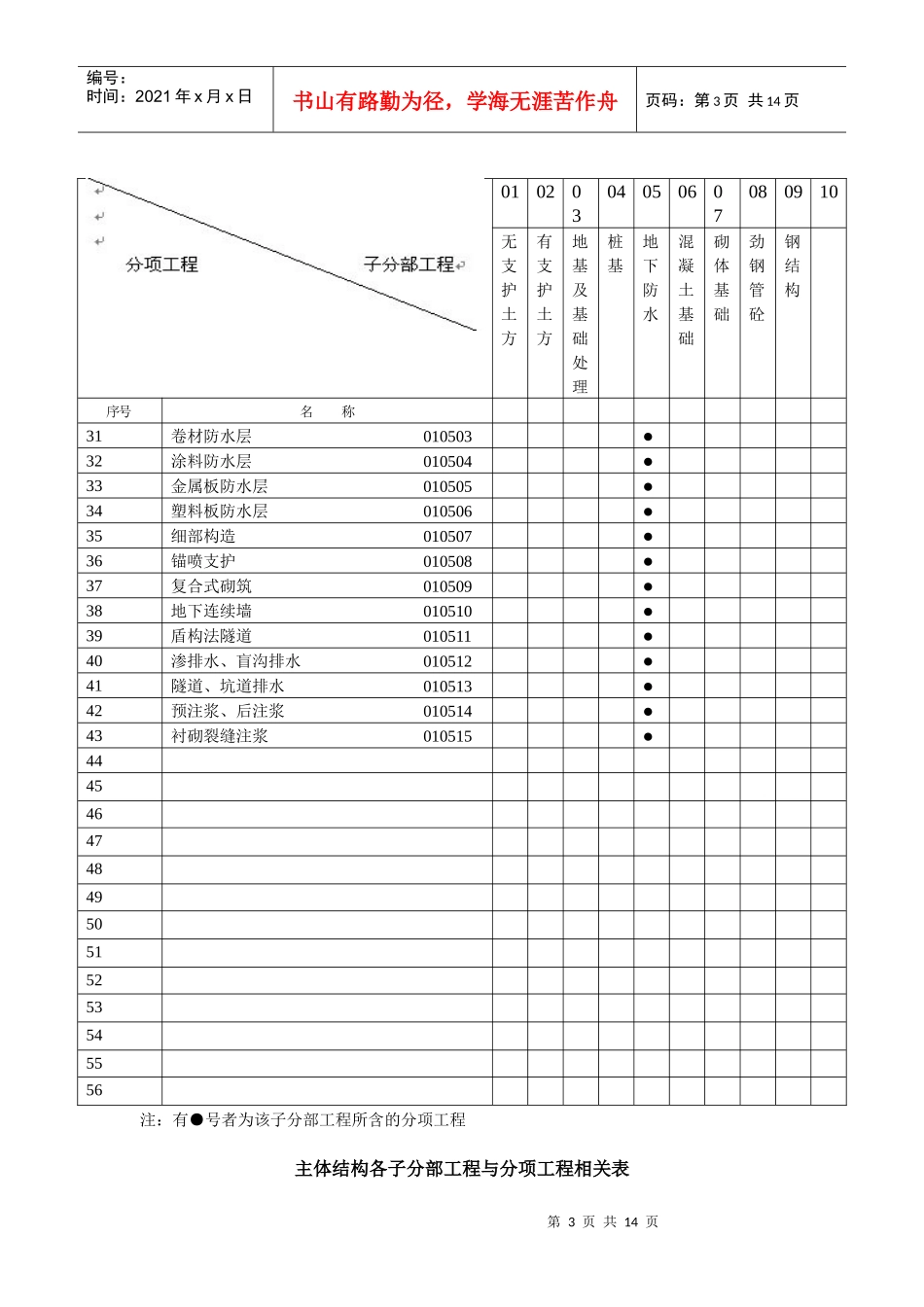
3/14
第1页共14页编号:时间:2021年x月x日书山有路勤为径,学海无涯苦作舟页码:第1页共14页子分部工程与分项工程相关表1、地基基础工程各子分部工程与分项工程相关表2、主体结构各子分部工程与分项工程相关表3、装饰装修工程各子分部工程与分项工程相关表4、屋面工程各子分部工程与分项工程相关表5、建筑给水、排水与采暖分部工程与分项工程相关表6、建筑电气安装工程分部(子分部)工程与分项工程相关表7、通风与空调工程各子分部工程与分项工程相关表8、电梯安装分部工程各子分部工程与分项工程相关表地基基础工程各子分部工程与分项工程相关表01020304050607080910无支护土方有支护土方地基及基础处理桩基地下防水混凝土基础砌体基础劲钢管砼钢结构序号名称1土方开挖010101●2土方回填010102●3排桩墙支护(Ⅰ)(Ⅱ)010201●4降水与排水010202●5地下连续墙010203●6锚杆及土钉墙支护010204●7加筋水泥土桩墙支护010205●8沉井与沉箱010206●9钢或混凝土支撑010207●10灰土地基010301●第2页共14页第1页共14页编号:时间:2021年x月x日书山有路勤为径,学海无涯苦作舟页码:第2页共14页11砂和砂石地基010302●12土工合成材料地基010303●13粉煤灰地基010304●14强夯地基010305●15振冲地基010306●16砂桩地基010307●17预压地基010308●18高压喷射注浆地基010309●19土和灰土挤密桩复合地基010310●20注浆地基010311●21水泥粉煤灰碎石桩复合地基010312●22夯实水泥土桩复合地基010313●23水泥土搅拌桩地基010314●24静力压桩工程010401●25预应力管桩工程010402●26混凝土预制桩(钢筋骨架)工程(Ⅰ)(Ⅱ)010403●27钢桩工程(Ⅰ)(Ⅱ)010404●28混凝土灌注桩工程(Ⅰ)(Ⅱ)010405●29防水混凝土010501●30水泥砂浆防水层010502●注:有●号者为该子分部工程所含的分项工程地基基础工程各子分部工程与分项工程相关表第3页共14页第2页共14页编号:时间:2021年x月x日书山有路勤为径,学海无涯苦作舟页码:第3页共14页01020304050607080910无支护土方有支护土方地基及基础处理桩基地下防水混凝土基础砌体基础劲钢管砼钢结构序号名称31卷材防水层010503●32涂料防水层010504●33金属板防水层010505●34塑料板防水层010506●35细部构造010507●36锚喷支护010508●37复合式砌筑010509●38地下连续墙010510●39盾构法隧道010511●40渗排水、盲沟排水010512●41隧道、坑道排水010513●42预注浆、后注浆010514●43衬砌裂缝注浆010515●44454647484950515253545556注:有●号者为该子分部工程所含的分项工程主体结构各子分部工程与分项工程相关表第4页共14页第3页共14页编号:时间:2021年x月x日书山有路勤为径,学海无涯苦作舟页码:第4页共14页010203040506混凝土结构劲钢⌒管砼结构砌体结构钢结构木结构网架和索膜序号名称1模板(安装、预制构件、拆除)(Ⅰ)(Ⅱ)(Ⅲ)010601,0201012钢筋(加工、连接)()()010602ⅠⅡ,020102●3混凝土(原材料及配合比施工)(Ⅰ)(Ⅱ)010603,020103●4预应力(原材料、制安、放张封锚)(Ⅰ)(Ⅱ)(Ⅲ)020104●5现浇结构(结构、基础)(Ⅰ)(Ⅱ)010604,020105●6装配式结构(预制构件、装配)(Ⅰ)(Ⅱ)020106●7砖砌体010701,020301●8混凝土小型空心砌块砌体010702,020302●9石砌体010704,020303●10填充墙砌体020304●11配筋砖砌体010703,020305●12钢结构焊接(Ⅰ)(Ⅱ)010901,020401●13坚固件连接010902,020402●14钢零部件加工010903,020403●15单层钢构件安装020404●16多层钢构件安装020405●17钢构件组装020406●18钢构件预拼装020407●19钢网架安装020408●20压型金属板安装020409●21防腐涂料涂装010905,020410●●22防火涂料涂装010906,020411●●23木屋盖工程(方木和原木)●24胶合木结构●第5页共14页第4页共14页编号:时间:2021年x月x日书山有路勤为径,学海无涯苦作舟页码:第5页共14页25轻型木结构(规格材、钉连接)●26木结构防腐、防虫、防火●2728装饰装修工程各子分部工程与分项工程相关表01020304050607080910建筑地面抹灰门窗吊顶轻质隔墙饰面板︵砖︶幕墙涂饰裱糊与软包细部序号名...

1、当您付费下载文档后,您只拥有了使用权限,并不意味着购买了版权,文档只能用于自身使用,不得用于其他商业用途(如 [转卖]进行直接盈利或[编辑后售卖]进行间接盈利)。
2、本站所有内容均由合作方或网友上传,本站不对文档的完整性、权威性及其观点立场正确性做任何保证或承诺!文档内容仅供研究参考,付费前请自行鉴别。
3、如文档内容存在违规,或者侵犯商业秘密、侵犯著作权等,请点击“违规举报”。

碎片内容

子分部工程与分项工程相关表

确认删除?
VIP
微信客服
  • 扫码咨询
会员Q群
  • 会员专属群点击这里加入QQ群
客服邮箱
回到顶部