电脑桌面
添加小米粒文库到电脑桌面
安装后可以在桌面快捷访问

隐蔽工程验收表VIP免费

隐蔽工程验收表_第1页
1/22
隐蔽工程验收表_第2页
2/22
隐蔽工程验收表_第3页
3/22
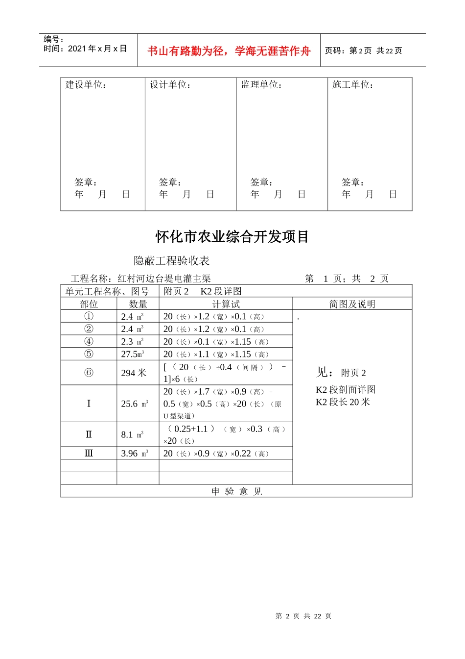
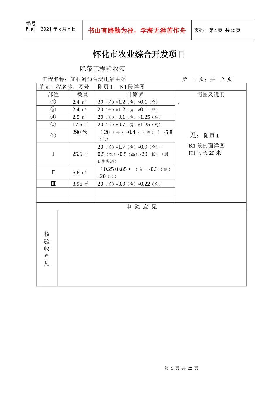
第1页共22页编号:时间:2021年x月x日书山有路勤为径,学海无涯苦作舟页码:第1页共22页怀化市农业综合开发项目隐蔽工程验收表工程名称:红村河边台堤电灌主渠第1页;共2页单元工程名称、图号附页1K1段详图部位数量计算试简图及说明①2.4m320(长)×1.2(宽)×0.1(高).见:附页1K1段剖面详图K1段长20米②2.4m320(长)×1.2(宽)×0.1(高)④2.5m320(长)×0.1(宽)×1.25(高)⑤17.5m320(长)×0.7(宽)×1.25(高)⑥290米(20(长)÷0.4(间隔))×5.8(长)Ⅰ25.6m320(长)×1.7(宽)×0.9(高)–0.5(宽)×0.5(高)×20(长)(原U型渠道)Ⅱ6.6m3(0.25+0.85)(宽)×0.3(高)×20(长)Ⅲ3.96m320(长)×0.9(宽)×0.22(高)申验意见核验收意见第2页共22页第1页共22页编号:时间:2021年x月x日书山有路勤为径,学海无涯苦作舟页码:第2页共22页建设单位:签章:年月日设计单位:签章:年月日监理单位:签章:年月日施工单位:签章:年月日怀化市农业综合开发项目隐蔽工程验收表工程名称:红村河边台堤电灌主渠第1页;共2页单元工程名称、图号附页2K2段详图部位数量计算试简图及说明①2.4m320(长)×1.2(宽)×0.1(高).见:附页2K2段剖面详图K2段长20米②2.4m320(长)×1.2(宽)×0.1(高)④2.3m320(长)×0.1(宽)×1.15(高)⑤27.5m320(长)×1.1(宽)×1.15(高)⑥294米[(20(长)÷0.4(间隔))–1]×6(长)Ⅰ25.6m320(长)×1.7(宽)×0.9(高)–0.5(宽)×0.5(高)×20(长)(原U型渠道)Ⅱ8.1m3(0.25+1.1)(宽)×0.3(高)×20(长)Ⅲ3.96m320(长)×0.9(宽)×0.22(高)申验意见第3页共22页第2页共22页编号:时间:2021年x月x日书山有路勤为径,学海无涯苦作舟页码:第3页共22页核验收意见建设单位:签章:年月日设计单位:签章:年月日监理单位:签章:年月日施工单位:签章:年月日怀化市农业综合开发项目隐蔽工程验收表工程名称:红村河边台堤电灌主渠第1页;共2页单元工程名称、图号附页3K3段详图部位数量计算试简图及说明①2.4m320(长)×1.2(宽)×0.1(高).见:附页3K3段剖面详图K3段长20米②2.4m320(长)×1.2(宽)×0.1(高)④2.1m320(长)×0.1(宽)×1.05(高)⑤27.5m320(长)×1.1(宽)×1.05(高)⑥294米[(20(长)÷0.4(间隔))–1]×6(长)Ⅰ25.6m320(长)×1.7(宽)×0.9(高)–0.5(宽)×0.5(高)×20(长)(原U型渠道)Ⅱ8.1m3(0.25+1.1)(宽)×0.3(高)×20(长)Ⅲ3.96m320(长)×0.9(宽)×0.22(高)第4页共22页第3页共22页编号:时间:2021年x月x日书山有路勤为径,学海无涯苦作舟页码:第4页共22页申验意见核验收意见建设单位:签章:年月日设计单位:签章:年月日监理单位:签章:年月日施工单位:签章:年月日怀化市农业综合开发项目隐蔽工程验收表工程名称:红村河边台堤电灌主渠第1页;共2页单元工程名称、图号附页4K4段详图部位数量计算试简图及说明①2.4m320(长)×1.2(宽)×0.1(高).见:附页4K4段剖面详图K4段长20米②2.4m320(长)×1.2(宽)×0.1(高)④1.8m320(长)×0.1(宽)×0.9(高)⑤19.8m320(长)×1.1(宽)×0.9(高)⑥294米[(20(长)÷0.4(间隔))–1]×6(长)Ⅰ25.6m320(长)×1.7(宽)×0.9(高)–0.5(宽)×0.5(高)×20(长)(原U型渠道)Ⅱ8.1m3(0.25+1.1)(宽)×0.3(高)×20(长)Ⅲ3.96m320(长)×0.9(宽)×0.22(高)第5页共22页第4页共22页编号:时间:2021年x月x日书山有路勤为径,学海无涯苦作舟页码:第5页共22页申验意见核验收意见建设单位:签章:年月日设计单位:签章:年月日监理单位:签章:年月日施工单位:签章:年月日怀化市农业综合开发项目隐蔽工程验收表工程名称:红村河边台堤电灌主渠第1页;共2页单元工程名称、图号附页5K5段详图部位数量计算试简图及说明①2.4m320(长)×1.2(宽)×0.1(高).见:附页5K5段剖面详图K5段长20米②2.4m320(长)×1.2(宽)×0.1(高)④1.8m320(长)×0.1(宽)×0.9(高)⑤12.6m320(长)×0.7(宽)×0.9(高)⑥274.4米[(20(长)÷...

1、当您付费下载文档后,您只拥有了使用权限,并不意味着购买了版权,文档只能用于自身使用,不得用于其他商业用途(如 [转卖]进行直接盈利或[编辑后售卖]进行间接盈利)。
2、本站所有内容均由合作方或网友上传,本站不对文档的完整性、权威性及其观点立场正确性做任何保证或承诺!文档内容仅供研究参考,付费前请自行鉴别。
3、如文档内容存在违规,或者侵犯商业秘密、侵犯著作权等,请点击“违规举报”。

碎片内容

隐蔽工程验收表

您可能关注的文档

确认删除?
VIP
微信客服
  • 扫码咨询
会员Q群
  • 会员专属群点击这里加入QQ群
客服邮箱
回到顶部