电脑桌面
添加小米粒文库到电脑桌面
安装后可以在桌面快捷访问

大气污染物排放限值VIP免费

大气污染物排放限值_第1页
1/14
大气污染物排放限值_第2页
2/14
大气污染物排放限值_第3页
3/14
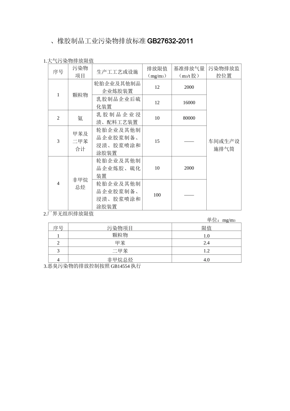
、橡胶制品工业污染物排放标准GB27632-20111.大气污染物排放限值序号污染物项目生产工工艺或设施排放限值(mg/m3)基准排放气量(m3/t胶)污染物排放监控位置1颗粒物轮胎企业及其他制品企业炼胶装置122000车间或生产设施排气筒乳胶制品企业后硫化装置12160002氨乳胶制品企业浸渍、配料工艺装置10800003甲苯及二甲苯合计轮胎企业及其他制品企业胶浆制备、浸渍、胶浆喷涂和涂胶装置15——4非甲烷总烃轮胎企业及其他制品企业炼胶、硫化装置102000轮胎企业及其他制品企业胶浆制备、浸渍、胶浆喷涂和涂胶装置100——2.厂界无组织排放限值单位:mg/m3序号污染物项目限值1颗粒物1.02甲苯2.43二甲苯1.24非甲烷总烃4.03.恶臭污染物的排放控制按照GB14554执行二、恶臭污染物排放标准GB14554-931.恶臭污染物排放标准值序号控制项目排气筒高度,m排放量,kg/h150.33200.58250.90301.31硫化氢351.8402.3605.2809.31001412021150.04200.08250.122甲硫醇300.17350.24400.31600.69150.33200.58250.903甲硫醚301.3351.8402.3605.2序号控制项目排气筒咼度,m标准值(无量纲)150.43200.77251.24二甲二硫醚301.7352.4403.1607.0151.5202.7254.2306.15二硫化碳358.34011602480100120436897154.9208.725146氨3020352740356075150.54200.97251.5302.27三甲胺353.0403.9608.780151002412035156.5201225188苯乙烯30263535404660104序号控制项目排气筒咼度,m标准值(无量纲)1520002560009臭气浓度351500040200005040000>60600002.恶臭污染物厂界标准值序号控制项目单位一级二级三级新扩改建现有新扩改建现有1氨mg/m31.01.52.04.05.02三甲胺mg/m30.050.080.150.450.803硫化氢mg/m30.030.060.100.320.604甲硫醇mg/m30.0040.0070.0100.0200.0355甲硫醚mg/m30.030.070.150.551.106二甲二硫mg/m30.030.060.130.420.717二硫化碳mg/m32.03.05.08.0108苯乙烯mg/m33.05.07.014199臭气浓度无量纲1020306070三、大气污染物综合排放标准GB16297-1996新污染源大气污染物排放限值序号污染物最高允许排放浓度(mg/m3)最高允许排放速率(kg/h)无组织排放监控浓度限值I1旦』二级三级监控点浓度(mg/m3)960152.63.5(硫、二氧化硫、硫204.36.6酸和其它含硫化合301522二物生产)402538*周界外氧5039581浓度最高0.40化550605583占硫(硫、二氧化硫、硫7077120酸和其它含硫化合80110160物使用)901302001001702701400150.771.2(硝酸、氮肥和火炸201.32.0药生产)304.46.6氮407.511氧501218周界外浓20.12化601625度最高点240物702335(硝酸使用和其8031479040611005278颗18150.150.74周界外浓3粒(碳黑尘、染料尘)200.851.3度最高点肉眼不可雾308.81340152345502335(其它)60335070467080639590150.100.15(普钙工业)200.170.26300.590.88氟401.01.5周界外浓207化物9.0501.52.3度最高点(卩g/m3)(其它)602.23.3703.14.7804.26.3250.520.78300.871.3*氯402.94.4周界外浓865505.07.6度最高点0.40气607.712701117801523150.0040.006铅200.0060.009及300.0270.041其周界外浓9化0.70400.0470.071度最高点0.0060500.0720.11合600.100.15物700.150.224050601.01.52.21.52.33.3150.260.39200.430.65甲301.42.2周界外浓19醛25402.63.8度最高点0.20503.85.9605.48.3150.0500.080200.0900.13乙300.290.44周界外浓20醛125400.500.77度最高点0.040500.771.2601.11.6150.771.2201.32.0丙304.46.6周界外浓21烯22407.511度最高点0.60醛501218601625150.520.78200.871.3丙302.94.4周界外浓22烯16405.07.6度最高点0.40醛507.71260111723*1.9250.150.24周界外浓0.024150.0500.080硝200.0900.13基300.290.44周界外浓27苯16400.500.77度最高点0.040类500.771.2601.11.7150.771.2201.32.0氯304.46.6周界外浓28乙36407.511度最高点0.60烯501218601625150.050x10-30.080x10-3苯0.30x10-3200.085x10-30.13x10-329并300.29x10-30.43x10-3周界外浓0.008a(沥清及碳素制品生400.50x10-30.76x10-3度最高点(卩g/m3)芘产和加工)500.77x10-31.2x10-3601.1x10-31.7x10-3*250.100.15300.170.26周界外浓30光3.0400.590.88度最高点0.080气501.01.5140150.180.27...

1、当您付费下载文档后,您只拥有了使用权限,并不意味着购买了版权,文档只能用于自身使用,不得用于其他商业用途(如 [转卖]进行直接盈利或[编辑后售卖]进行间接盈利)。
2、本站所有内容均由合作方或网友上传,本站不对文档的完整性、权威性及其观点立场正确性做任何保证或承诺!文档内容仅供研究参考,付费前请自行鉴别。
3、如文档内容存在违规,或者侵犯商业秘密、侵犯著作权等,请点击“违规举报”。

碎片内容

大气污染物排放限值

您可能关注的文档

wxg+ 关注
实名认证
内容提供者

该用户很懒,什么也没介绍

确认删除?
VIP
微信客服
  • 扫码咨询
会员Q群
  • 会员专属群点击这里加入QQ群
客服邮箱
回到顶部