电脑桌面
添加小米粒文库到电脑桌面
安装后可以在桌面快捷访问

常用法兰标准尺寸表VIP免费

常用法兰标准尺寸表_第1页
1/50
常用法兰标准尺寸表_第2页
2/50
常用法兰标准尺寸表_第3页
3/50
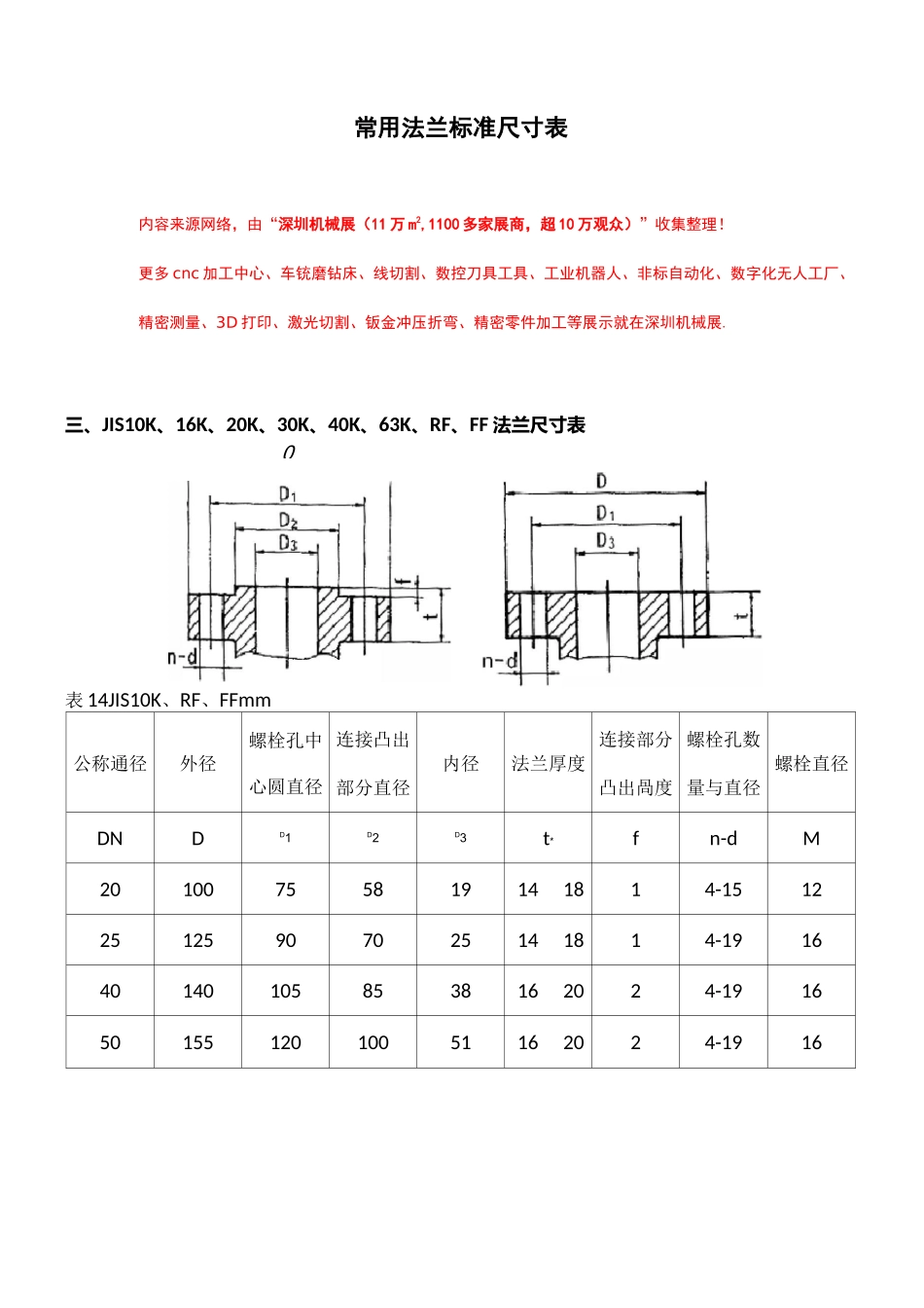
常用法兰标准尺寸表作者:日期:常用法兰标准尺寸表内容来源网络,由“深圳机械展(11万m2,1100多家展商,超10万观众)”收集整理!更多cnc加工中心、车铳磨钻床、线切割、数控刀具工具、工业机器人、非标自动化、数字化无人工厂、精密测量、3D打印、激光切割、钣金冲压折弯、精密零件加工等展示就在深圳机械展.三、JIS10K、16K、20K、30K、40K、63K、RF、FF法兰尺寸表表14JIS10K、RF、FFmm公称通径外径螺栓孔中心圆直径连接凸出部分直径内径法兰厚度连接部分凸出咼度螺栓孔数量与直径螺栓直径DNDD1D2D3t*fn-dM20100755819141814-151225125907025141814-1916401401058538162024-19165015512010051162024-19160___6517514012061182224-19168018515013076182228-1916100210175155102182428-1916125250210185125202428-2320150280240215152222628-2320200330290265204222628-23202504003553252542430212-25223004154003753052432316-2522表15JIS16K、RF、FFmm公称通径外径螺栓孔中心圆直径连接凸出部分直径内径法兰厚度连接部分凸出咼度螺栓孔数量与直径螺栓直径DNDD1D2D3t*fn-dM20100755819141814-151225125607025141814-1916401401058538162024-19165015512010051162028-19166517514012064182228-19168020016013576202428-2320100225185160102222628-23201252702251951252226212-25221503052602301522428212-25222003503052752042630212-25222504303803452542834212-27243004804303953053036316-2724表16JIS20K、RF、FFmm公称通径外径螺栓孔中心圆直径连接凸出部分直径内径法兰厚度连接部分凸出咼度螺栓孔数量与直径螺栓直径DNDD1D2D3t*fn-dM20100755819161814-151225125907025162014-1916401401058538182224-19165015512010051182228-19166517514012064202428-19168020016013576222628-2320100225185160102242828-23201252702251951252630212-25221503052602301522832212-25222003503052752043034212-25222504303803452543438212-27243004804303953053640316-2724*t值中较小值为钢及可锻铸铁法兰;较大值为铸铁法兰。表17JIS30K、RF、FFmm公称通径外径螺栓孔中心圆直径连接凸出部分直径内径法兰厚度连接部分凸出咼度螺栓孔数量与直径螺栓直径DND%D2D3t*fn-dM201208560191814-1916251309570252014-19164016012090382224-232050165130105512228-191665200160130642628-232080210170140762828-23201002401951601023228-25221252752301951253628-252215032527523515238212-272420037032028020442212-272425045039034525448212-333030051545040530552316-3930表18JIS40K、RF、FF公称通径外径螺栓孔中心圆直径连接凸出部分直径内径法兰厚度连接部分凸出咼度螺栓孔数量与直径螺栓直径DNDD1D2D3t*fn-dM201208560192014-1916251309570252214-19164016012090382424-232050165130105512628-191665200160130643028-232080210170140763228-23201002502051651023628-25221253002502001254028-272415035529524015244212-333020040534529020050212-3330250475440355247.556212-3330300540470440298.560316-3936表19JIS63K、RF、FFmm公称通径外径螺栓孔中心圆直径连接凸出部分直径内径法兰厚度连接部分凸出咼度螺栓孔数量与直径螺栓直径DNDD1D2D3tfn-dM25140100702227140-23204017513090353224-252250185145105483428-2320tun泄3曙mH縊3云MpI0鰹M—ftMl鰹1E辿cnOS型甲WCXIoS型弔wT~~1ooim<4NoEEZIMOSTIdfodMM1P吆4II+SRIs000oom03Id『"EaCNCNCNCNocoOCOoco9CO9COLOCN00LOCN00$00coco100coco1CNT—1coco1CNT—16COiCNT—1CNCNCNCNCNCNCNm00mO尊2CNLH00LH009Ahcn6609sT—100mCNm00CNomoLH9oCNOKsCNLHLHCOo寸LOLH00T—1启CNLO9CNLHOCOscoOLHTO启CNomCNOCNLHCNCOLH9COLH写oLHsLHLO9sOOLHCN2T—1oCN2CNOCO209870.0431912.71.64-15122510879.5512514.31.64-15124012798.5733817.51.64-151250152120.5925119.11.64-191665178139.51056422.31.64-191680190152.51277623.91.64-1916100229190.515710223.91.68-1916125254216.018612523.91.68-2220150279241.521615225.41.68-2220200343298.527020428.61.68-22202...

1、当您付费下载文档后,您只拥有了使用权限,并不意味着购买了版权,文档只能用于自身使用,不得用于其他商业用途(如 [转卖]进行直接盈利或[编辑后售卖]进行间接盈利)。
2、本站所有内容均由合作方或网友上传,本站不对文档的完整性、权威性及其观点立场正确性做任何保证或承诺!文档内容仅供研究参考,付费前请自行鉴别。
3、如文档内容存在违规,或者侵犯商业秘密、侵犯著作权等,请点击“违规举报”。

碎片内容

常用法兰标准尺寸表

确认删除?
VIP
微信客服
  • 扫码咨询
会员Q群
  • 会员专属群点击这里加入QQ群
客服邮箱
回到顶部