电脑桌面
添加小米粒文库到电脑桌面
安装后可以在桌面快捷访问

机械设计基础最新机考题库 VIP免费

机械设计基础最新机考题库 _第1页
1/6
机械设计基础最新机考题库 _第2页
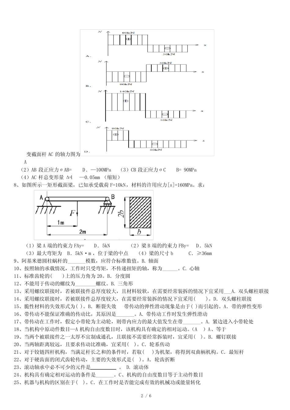
2/6
1/6机械设计基础选择题1、如下图所示,图中A点处形成的转动副数为__3_____个。2、下图所示的受力系统中,杆AB的正确受力图为_______。答3、如图所示,已知一重量G=100N的物体放在水平面上,水平面和物体间的摩擦系数fs=0.3。请分析下列情况:(1)当作用在物体上的水平力F=10N时,B.摩擦力为10N,物体处于平衡状态(2)当作用在物体上的水平力F=20N时C.摩擦力为20N,物体处于平衡状态(3)当作用在物体上的水平力F=40N时D.摩擦力为40N,物体滑动3、如图所示,已知一重量的物体放在水平面上,水平面和物体间的摩擦系数。请分析下列情况:(1)当作用在物体上的水平力时B.摩擦力为10N,物体处于平衡状态4、如图所示力F作用在梁AB的中点,F与梁AB的夹角为60°,已知力F=2kN,AB=400mm。求:(1)梁A端的约束力C.FAx=1kN,FAy=0.866kN(2)梁B端的约束力D.FBx=0kN,FBy=0.866kN5、如图所示,直杆AD的左端固定,作用在截面B、C、D上的力分别为F1=100KN,F2=80KN,F3=60KN求:(1)CD段的轴力FCD=C.60kN(2)BC段的轴力FBC=B.—20kN(3)AB段的轴力FAB=C.80kN6、如图所示钢制拉杆承受载荷F=32kN,若材料的许用应力[σ]=120MPa,杆件横截面积为圆形,横截面的最小半径为_____。A9.2mm7、如下图所示变截面杆AC,在A、B两处分别受到50kN和140kN的力的作用,材料E=200GPa。求:2/6变截面杆AC的轴力图为A(2)AB段正应力σAB=D.—100MPa(3)CB段正应力σCB=90MPa(4)AC杆总变形量Δl=—0.05mm(缩短)8、如图所示一矩形截面梁,已知承受载荷F=10kN,材料的许用应力[s]=160MPa。求:(1)梁A端的约束力FAy=D.5kN(2)梁B端的约束力FBy=D.5kN(3)最大弯矩为B.5kN·m,位于梁的中点(4)梁的尺寸bC.≥36mm9、阿基米德圆柱蜗杆的_______模数,应符合标准数值。B.轴面10、按照轴的承载情况,工作时只受弯矩,不传递扭矩的轴,称为______。C.心轴11、标准齿轮的()上的压力角为20。B.分度圆12、不能用于传动的螺纹为________螺纹。B.三角形13、采用螺纹联接时,若被联接件总厚度较大,且材料较软,在需要经常装拆的情况下宜采用___A.双头螺柱联接14、采用螺纹联接时,若被联接件总厚度较大,在需要经常装拆的情况下宜采用()。D.双头螺柱联接15、脆性材料的失效形式为()。B.断裂失效带传动的弹性滑动现象是由于()而引起的。A.带的弹性变形16、带传动不能保证准确的传动比,其原因是_______。A.带传动工作时发生弹性滑动17、带传动在工作时,假定小带轮为主动轮,则带内应力的最大值发生在带_______。A.紧边进入小带轮处18、当机构中原动件数目—A机构自由度数目时,该机构具有确定的相对运动。(A)A、等于19、当两个被联接件之一太厚不宜制成通孔,且联接不需要经常拆装时,宜采用()。B.螺钉联接20、当两轴距离较远,且要求传动比准确,宜采用()。C.轮系传动21、对于铰链四杆机构,当满足杆长之和的条件时,若取()为机架,将得到双曲柄机构。C.最短杆22、对于硬齿面的闭式齿轮传动,主要的失效形式是()。A.轮齿折断23、滚动轴承中必不可少的元件是。D.滚动体24、机构具有确定相对运动的条件是_______。C、机构的自由度数目等于主动件数目25、机器与机构的区别在于()。C.在工作时是否能完成有效的机械功或能量转化3/626、机械中常利用()的惯性力来越过机构的死点位置。C.从动构件27、渐开线齿廓基圆上的压力角()。C.等于零渐开线齿廓形状取决于()直径大小。A.基圆28、键的截面尺寸b*h主要是根据——来选择.A、轴的直径,29、键的截面尺寸主要是根据_______来选择。A.轴的直径30、键联接的主要用途是使轮与轮毂之间________。A.沿周向固定并传递扭矩31、螺纹联接是一种()。A.可拆联接32、能实现间歇运动的机构是_______。A.槽轮机构33、平面四杆机构无急回特性时,行程速比系数()。C.等于134、平面四杆机构中,若各杆长度分别为a=40、b=60、c=60、d=70,当以a的相邻杆为机架则此四杆机构为A、双曲柄机构35、普通螺纹的公称直径是指螺纹的_______。B大径36、普通螺纹联接中的松螺纹和紧螺纹联接的主要区别是:松螺纹联接的螺纹部分不承受____的作用。D.扭转37、普通平键联...

1、当您付费下载文档后,您只拥有了使用权限,并不意味着购买了版权,文档只能用于自身使用,不得用于其他商业用途(如 [转卖]进行直接盈利或[编辑后售卖]进行间接盈利)。
2、本站所有内容均由合作方或网友上传,本站不对文档的完整性、权威性及其观点立场正确性做任何保证或承诺!文档内容仅供研究参考,付费前请自行鉴别。
3、如文档内容存在违规,或者侵犯商业秘密、侵犯著作权等,请点击“违规举报”。

碎片内容

机械设计基础最新机考题库

您可能关注的文档

确认删除?
VIP
微信客服
  • 扫码咨询
会员Q群
  • 会员专属群点击这里加入QQ群
客服邮箱
回到顶部