电脑桌面
添加小米粒文库到电脑桌面
安装后可以在桌面快捷访问

图微克活性砂过滤器安装维护手册VIP免费

图微克活性砂过滤器安装维护手册_第1页
1/6
图微克活性砂过滤器安装维护手册_第2页
2/6
图微克活性砂过滤器安装维护手册_第3页
3/6
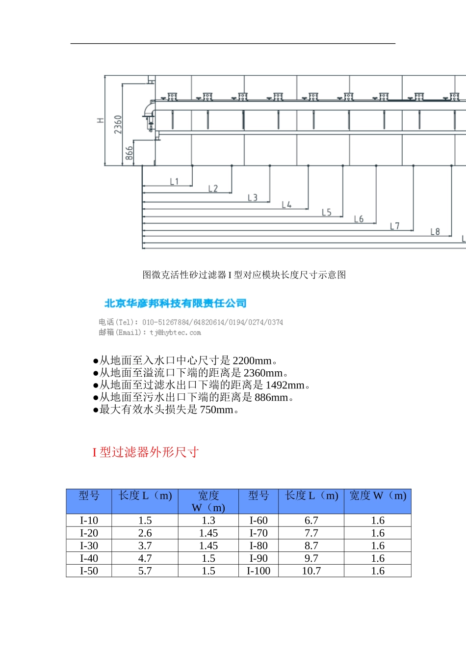
图微克活性砂过滤器安装维护手册I型过滤器安装尺寸示意图图微克活性砂过滤器I型宽度及高程图图微克活性砂过滤器I型对应模块长度尺寸示意图●从地面至入水口中心尺寸是2200mm。●从地面至溢流口下端的距离是2360mm。●从地面至过滤水出口下端的距离是1492mm。●从地面至污水出口下端的距离是886mm。●最大有效水头损失是750mm。I型过滤器外形尺寸型号长度L(m)宽度W(m)型号长度L(m)宽度W(m)I-101.51.3I-606.71.6I-202.61.45I-707.71.6I-303.71.45I-808.71.6I-404.71.5I-909.71.6I-505.71.5I-10010.71.6备注:所有型号高度均为2.6米。T型过滤器安装尺寸示意图图微克活性砂过滤器T型宽度及高程图图微克活性砂过滤器T型对应模块长度尺寸示意图●从地面至入水口中心尺寸是2200mm。●从地面至溢流口下端的距离是2360mm。●从地面至过滤水出口下端的距离是1492mm。●从地面至污水出口下端的距离是886mm。●最大有效水头损失是750mm。T型过滤器外形尺寸型号长度L(m)宽度W(m)型号长度L(m)宽度W(m)T-201.62.4T-1206.72.6T-402.72.4T-1407.72.8T-603.72.4T-1608.72.8T-804.72.4T-1809.72.8T-1005.72.6T-20010.72.8备注:所有型号高度均为2.6米。管道连接口尺寸备注:管道连接口以法兰方式连接,尺寸单位为毫米。

1、当您付费下载文档后,您只拥有了使用权限,并不意味着购买了版权,文档只能用于自身使用,不得用于其他商业用途(如 [转卖]进行直接盈利或[编辑后售卖]进行间接盈利)。
2、本站所有内容均由合作方或网友上传,本站不对文档的完整性、权威性及其观点立场正确性做任何保证或承诺!文档内容仅供研究参考,付费前请自行鉴别。
3、如文档内容存在违规,或者侵犯商业秘密、侵犯著作权等,请点击“违规举报”。

碎片内容

图微克活性砂过滤器安装维护手册

文章天下+ 关注
实名认证
内容提供者

各种文档应有尽有

确认删除?
VIP
微信客服
  • 扫码咨询
会员Q群
  • 会员专属群点击这里加入QQ群
客服邮箱
回到顶部