电脑桌面
添加小米粒文库到电脑桌面
安装后可以在桌面快捷访问

土方开挖质量评定和三检表VIP免费

土方开挖质量评定和三检表_第1页
1/6
土方开挖质量评定和三检表_第2页
2/6
土方开挖质量评定和三检表_第3页
3/6
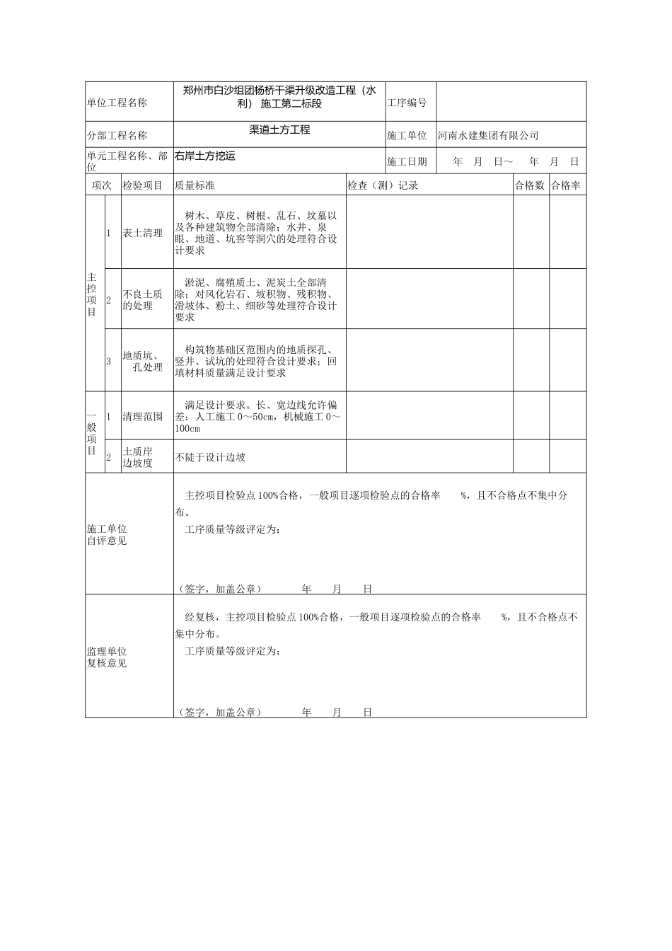
CB18右岸土方挖运工序/单元工程施工质量报验单(河南水建[2016]质报02-号)合同名称:郑州市白沙组团杨桥干渠升级改造工程(水利)施工第二标段合同编号:YQGQSJGZ-Ⅱ致(监理机构):河南建基工程管理有限公司郑州市组团杨桥干渠升级改造工程(水利)监理第二标段项目监理机构右岸土方挖运□工序/□单元工程已按合同要求完成施工,经自检合格,报请贵方复核。附:□工序施工质量评定表□工序施工质量检查、检测记录□右岸土方挖运单元工程施工质量评定表□右岸土方挖运单元工序施工质量检查、检测记录承包人:(现场机构名称及盖章)质检负责人:(签名)日期:年月日监理机构意见复核结果:□同意进入下一工序□不同意进入下一工序□同意进入下一单元工程□不同意进入下一单元工程附件:监理复核支持材料。监理机构:(名称及盖章)监理工程师:(签名)日期:年月日说明:本表一式份,由承包人填写,监理机构复核后,监理机构份、返承包人份。单元工程施工质量验收评定表(划分工序)表A.0.1-2单位工程名称郑州市白沙组团杨桥干渠升级改造工程(水利)施工第二标段单元工程量分部工程名称渠道土方工程施工单位河南水建集团有限公司单元工程名称、部位右岸土方挖运施工日期年月日~年月日项次工序编号工序质量验收评定等级1表土及土质岸坡清理-2软基或土质岸坡开挖3456施工单位自评意见各工序施工质量全部合格,其中优良工序占%,且主要工序达到等级。单元质量等级评定为:(签字,加盖公章)年月日监理单位复核意见经抽查并查验相关检验报告和检验资料,各工序施工质量全部合格,其中优良工序占%,且主要工序达到等级单元质量等级评定为:(签字,加盖公章)年月日注1:对重要隐蔽单元工程和关键部位单元工程的施工质量验收评定应有设计、建设等单位的代表签字,具体要求应满足SL176的规定。注2:本表所填“单元工程量”不作为施工单位工程量结算计量的依据。表土及土质岸坡清理施工质量验收评定表表4.2.3单位工程名称郑州市白沙组团杨桥干渠升级改造工程(水利)施工第二标段工序编号分部工程名称渠道土方工程施工单位河南水建集团有限公司单元工程名称、部位右岸土方挖运施工日期年月日~年月日项次检验项目质量标准检查(测)记录合格数合格率主控项目1表土清理树木、草皮、树根、乱石、坟墓以及各种建筑物全部清除;水井、泉眼、地道、坑窖等洞穴的处理符合设计要求2不良土质的处理淤泥、腐殖质土、泥炭土全部清除;对风化岩石、坡积物、残积物、滑坡体、粉土、细砂等处理符合设计要求3地质坑、孔处理构筑物基础区范围内的地质探孔、竖井、试坑的处理符合设计要求;回填材料质量满足设计要求一般项目1清理范围满足设计要求。长、宽边线允许偏差:人工施工0~50cm,机械施工0~100cm2土质岸边坡度不陡于设计边坡施工单位自评意见主控项目检验点100%合格,一般项目逐项检验点的合格率%,且不合格点不集中分布。工序质量等级评定为:(签字,加盖公章)年月日监理单位复核意见经复核,主控项目检验点100%合格,一般项目逐项检验点的合格率%,且不合格点不集中分布。工序质量等级评定为:(签字,加盖公章)年月日水利水单工程表土及土质岸坡清理施工质量三检表单位工程名称郑州市白沙组团杨桥干渠升级改造工程(水利)施工第二标段工序编号分部工程名称渠道土方工程施工单位河南水建集团有限公司单元工程名称、部位右岸土方挖运施工日期年月日~年月日项次检验项目质量标准班组自检队处自检质检员终检主控项目1表土清理树木、草皮、树根、乱石、坟墓以及各种建筑物全部清除;水井、泉眼、地道、坑窖等洞穴的处理符合设计要求2不良土质的处理淤泥、腐殖质土、泥炭土全部清除;对风化岩石、坡积物、残积物、滑坡体、粉土、细砂等处理符合设计要求3地质坑、孔处理构筑物基础区范围内的地质探孔、竖井、试坑的处理符合设计要求;回填材料质量满足设计要求一般项目1清理范围满足设计要求。长、宽边线允许偏差:人工施工0~50cm,机械施工0~100cm2土质岸边坡度不陡于设计边坡签名施工单位自评意见主控项目检验点100%合格,一般项目逐项检验点的合格率%,且不合格点不集中分布。工序...

1、当您付费下载文档后,您只拥有了使用权限,并不意味着购买了版权,文档只能用于自身使用,不得用于其他商业用途(如 [转卖]进行直接盈利或[编辑后售卖]进行间接盈利)。
2、本站所有内容均由合作方或网友上传,本站不对文档的完整性、权威性及其观点立场正确性做任何保证或承诺!文档内容仅供研究参考,付费前请自行鉴别。
3、如文档内容存在违规,或者侵犯商业秘密、侵犯著作权等,请点击“违规举报”。

碎片内容

土方开挖质量评定和三检表

您可能关注的文档

确认删除?
VIP
微信客服
  • 扫码咨询
会员Q群
  • 会员专属群点击这里加入QQ群
客服邮箱
回到顶部