电脑桌面
添加小米粒文库到电脑桌面
安装后可以在桌面快捷访问

夏令营的论文VIP专享VIP免费

夏令营的论文_第1页
1/6
夏令营的论文_第2页
2/6
夏令营的论文_第3页
3/6
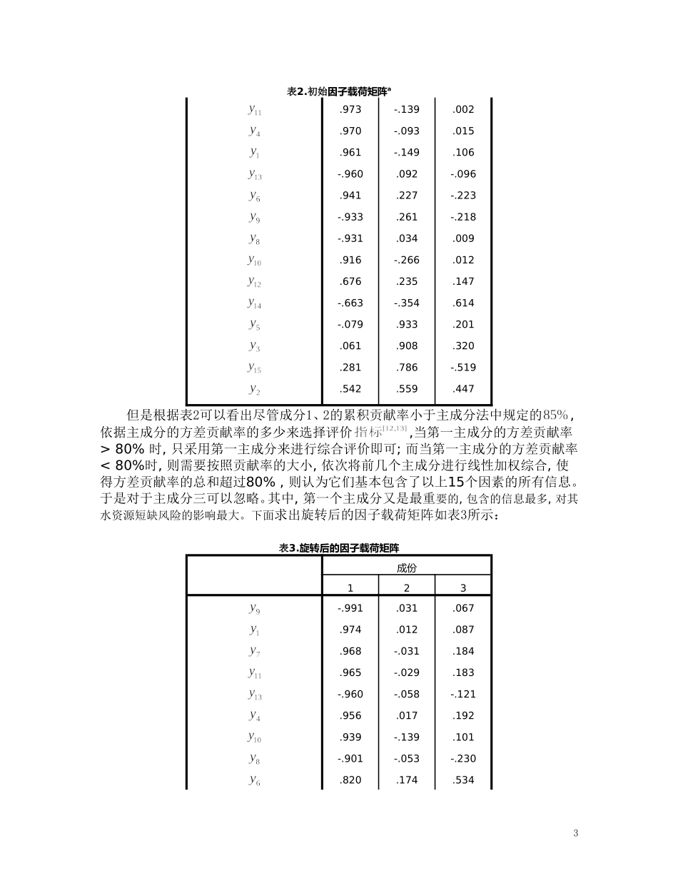
水资源短缺风险综合评价二.问题的分析对于问题一,要判定出北京市水资源短缺风险的主要风险因子。首先要找出造成水资源短缺的因素,我们主要从来水和用水两方面来分析;其次找到合适的筛选方法;最后通过数据分析找出水资源短缺风险的主要风险因子。对于问题二,水资源的短缺主要取决于供水和需水两方面影响,而这两两方面都具有随机性和模糊性。因此,水资源短缺风险也具有随机性和模糊性。北京市水资源短缺的主要风险因子的判别:三.问题的假设各个共同因子之间不相关,特殊因子之间也不相关,共同因子和特殊因子之间也不相关。四.符号说明五.模型的建立与求解1.问题一的陈述2.主要风险因子的选取因子分析法的步骤:(1)输入原始数据并对数据的标准化处理(,)其中为第年对第个因素的值,、为第j个因素的样本均值和样本标准差.(2)计算数据表的相关矩阵.(3)求R的第个特征值:,以及对应的特征向量,它们标准正交。(4)确定公共因子数m:根据累计贡献率的求,取前m个特征根及相应的特征向量,并写出因子载荷阵:(5)对载荷矩阵进行旋转,以求能更好地解释公共因子;(6)对公共因子作出专业性的解释并筛选出主要风险因子。根据上述步骤,对问题一用SPSS求解如下(其中原始数据、标准化后的数据及相关矩阵见附件),计算中的数据主要采用了2001~2009年的各类数据:1表1.主成分的特征值与贡献率成份初始特征值合计方差的贡献率%累积贡献率%9.42862.85362.8533.07620.50783.3591.1297.52590.885.6104.06994.954.3692.46297.415.2621.75099.165.105.70399.868.020.132100.0004.398E-162.932E-15100.0002.039E-161.359E-15100.0003.105E-172.070E-16100.0001.232E-178.212E-17100.000-1.821E-16-1.214E-15100.000-2.692E-16-1.795E-15100.000-4.451E-16-2.967E-15100.000根据表1,第1、2、3主成分的特征值分别为、、,均大于1,方差贡献率分别为、、,其累计方差率达到了.由于这三个成分累计贡献率超过规定的,所以我们选择3个主成分。由下面的碎石图图1也可以看出,主成分为3.图1.表2.初始因子载荷矩阵a成份123.976-.141.0002表2.初始因子载荷矩阵a.973-.139.002.970-.093.015.961-.149.106-.960.092-.096.941.227-.223-.933.261-.218-.931.034.009.916-.266.012.676.235.147-.663-.354.614-.079.933.201.061.908.320.281.786-.519.542.559.447但是根据表2可以看出尽管成分1、2的累积贡献率小于主成分法中规定的,依据主成分的方差贡献率的多少来选择评价,当第一主成分的方差贡献率>80%时,只采用第一主成分来进行综合评价即可;而当第一主成分的方差贡献率<80%时,则需要按照贡献率的大小,依次将前几个主成分进行线性加权综合,使得方差贡献率的总和超过80%,则认为它们基本包含了以上15个因素的所有信息。于是对于主成分三可以忽略。其中,第一个主成分又是最重要的,包含的信息最多,对其水资源短缺风险的影响最大。下面求出旋转后的因子载荷矩阵如表3所示:表3.旋转后的因子载荷矩阵成份123-.991.031.067.974.012.087.968-.031.184.965-.029.183-.960-.058-.121.956.017.192.939-.139.101-.901-.053-.230.820.174.5343表3.旋转后的因子载荷矩阵.629.338.155-.071.949.159-.232.898.236.486.755.013.017.451.873-.456-.065-.854由表3看出,主成分1中各因子载荷值,从来水方面看,比较大的是降雨量,值为0.974;从用水方面看,载荷较大的因子依次为农业用水、工业用水、人口规模、GDP总值、万元生产总值耗水量、污水处理率和环境绿化用水,载荷数值如上表。主成分2中各因子载荷值,从用水方面看,最大的是水库可利用水量和过境水量,值分别为0.949和0.898;从用水方面看其值都较小。主成分(3)中各因子载荷值都较小。根据以上分析可知:水资源短缺风险的主要风险因子为降雨量()、农业用水()、工业用水()、人口规模()、GDP总值()、万元生产总值耗水量()、污水处理率()、环境绿化用水()、水库可利用水量()和过境水()。参考文献[12]冯利华.环境质量的主成分分析[J].数学实践与认识,2003,33(8):32-435.[13]陈建华,叶飞.城市文化广场环境质量的主成分分析与综合评价[J].甘肃科学学报,2003,15(4):98-100.2.1...

1、当您付费下载文档后,您只拥有了使用权限,并不意味着购买了版权,文档只能用于自身使用,不得用于其他商业用途(如 [转卖]进行直接盈利或[编辑后售卖]进行间接盈利)。
2、本站所有内容均由合作方或网友上传,本站不对文档的完整性、权威性及其观点立场正确性做任何保证或承诺!文档内容仅供研究参考,付费前请自行鉴别。
3、如文档内容存在违规,或者侵犯商业秘密、侵犯著作权等,请点击“违规举报”。

碎片内容

夏令营的论文

您可能关注的文档

确认删除?
VIP
微信客服
  • 扫码咨询
会员Q群
  • 会员专属群点击这里加入QQ群
客服邮箱
回到顶部