电脑桌面
添加小米粒文库到电脑桌面
安装后可以在桌面快捷访问

2016届高二第二次月考物理试题(特零)1031VIP专享VIP免费

2016届高二第二次月考物理试题(特零)1031_第1页
1/8
2016届高二第二次月考物理试题(特零)1031_第2页
2/8
2016届高二第二次月考物理试题(特零)1031_第3页
3/8
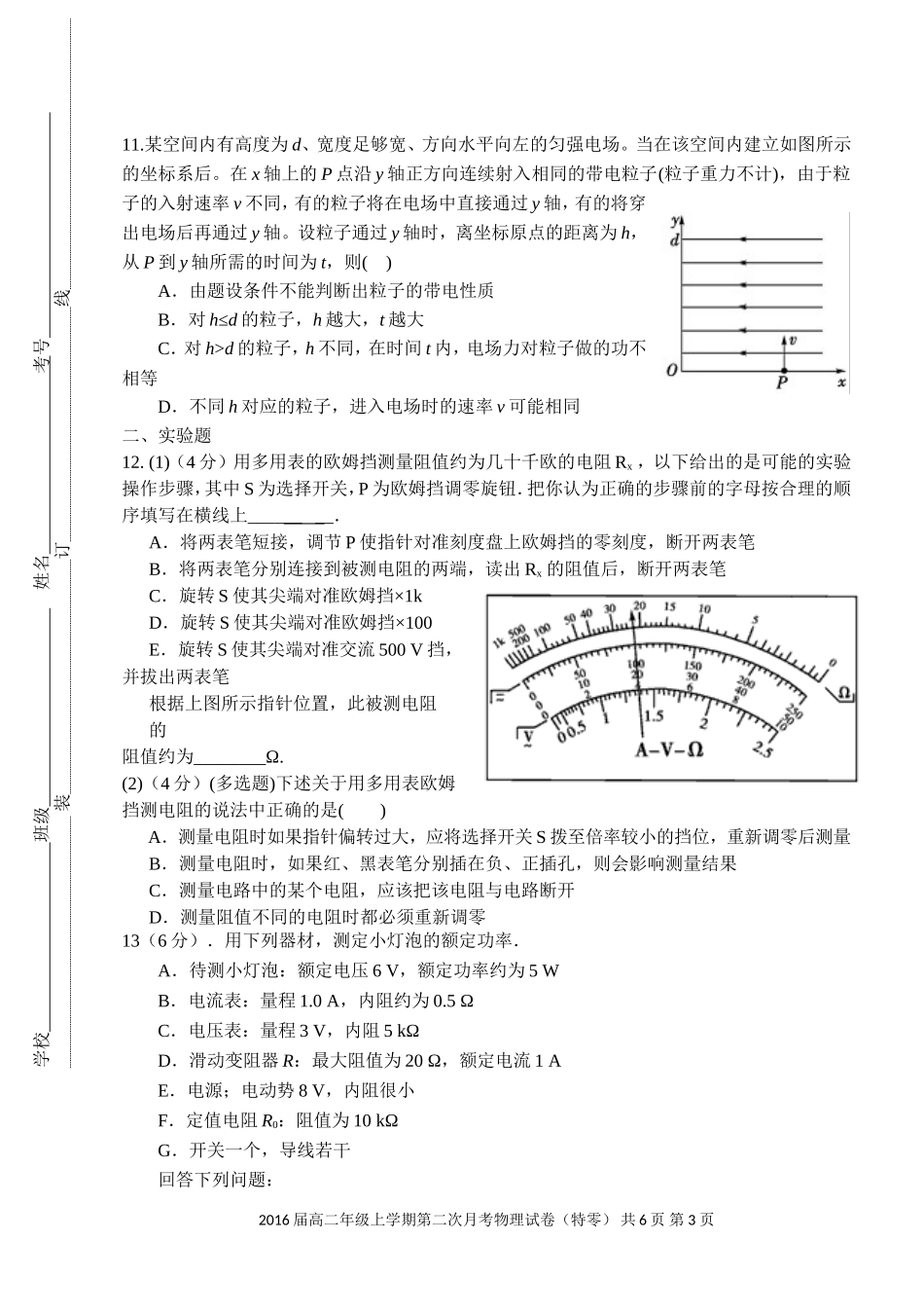
上饶县中学2016届高二年级第二次月考物理试卷(特零)命题人:韩荷玲审题人:郑鹰时间:100分钟总分:100分一、选择题(每题4分,共44分.其中第4、9、10题为多项选择,其余为单项选择)1.关于磁通量,下列说法正确的是()A.磁通量不仅有大小而且有方向,是矢量B.在匀强磁场中,a线圈面积比b线圈面积大,则穿过a线圈的磁通量一定比穿过b线圈的大C.磁通量大,磁感应强度不一定大D.把某线圈放在磁场中的M、N两点,若放在M处的磁通量比在N处的大,则M处的磁感应强度一定比N处大2.如图所示的真空空间中,仅在正方体中的黑点处存在着电荷量大小相等的点电荷,则图中a,b两点电场强度和电势均相同的是()3.有两个相同电流计改装成量程不同的电流表,表A1的量程是表A2的两倍,则①若两表串联接入电路,两表示数相同,指针偏转角度不同②若两表串联接入电路,两表示数不同,指针偏转角度相同③若两表并联接入电路,两表示数不同,指针偏转角度相同④若两表并联接入电路,两表示数相同,指针偏转角度不同A.①③B.②④C.①④D.②③4.如图所示电路中,开关闭合稳定后,某时刻理想电压表和电流表的读数都突然增大,造成这一现象的原因是电阻元件发生短路或断路故障,则可能出现了下列哪种故障()A.1R断路B.1R短路C.2R断路D.3R短路5.一个用半导体材料制成的电阻器D,其电流I随它两端的电压U的关系图象如下图甲所示,将它与两个标准电阻R1、R2并联后接在电压恒为U的电源上,如下图乙所示,三个用电器消耗的电功率均为P.现将它们连接成如下图丙所示的电路,仍然接在该电源的两端,设电阻器D和电阻R1、R2消耗的电功率分别是PD、P1、P2,它们之间的大小关系是()2016届高二年级上学期第二次月考物理试卷(特零)共6页第1页考试时间:2014年11月6—7日VAR1R2RPabErSA.P1=4P2B.PD=P2C.P1<4P2D.PD>P26.在xOy坐标系的原点处放置一根与坐标平面垂直的通电直导线,电流方向指向纸内,此坐标范围内还存在一个平行于xOy平面的匀强磁场.已知在以直导线为圆心的圆周上的a、b、c、d四点中,a点的磁感应强度最大,则此匀强磁场的方向为()A.沿x轴正方向B.沿x轴负方向C.沿y轴负方向D.沿y轴正方向7.两根长直导线a、b平行放置,如图所示为垂直于导线的截面图,图中O点为两根导线ab连线的中点,M、N为ab的中垂线上的两点且与a、b等距,两导线中通有等大、同向的恒定电流,已知直线电流在某点产生的磁场的磁感应强度B的大小跟该点到通电导线的距离r成反比,则下列说法中正确的是()A.M点和N点的磁感应强度大小相等,方向相同B.M点和N点的磁感应强度大小相等,方向相反C.在线段MN上各点的磁感应强度都不可能为零D.若在N点放一小磁针,静止时其北极沿ON指向O点8.如右图所示,是中国科健股份有限公司生产的一块手机电池外壳上的文字说明:充电时电压恰为限制电压,历时4h充满.(假设充电前电池内已无电)该过程电池发热,则充电过程中转化成的电热功率为()A.0.0875WB.0.00729WC.0.735WD.0.6475W9.如图所示,闭合电键S,电压表的示数为U,电流表的示数为I,现向左调节滑动变阻器R的触头P,电压表V的示数改变量的大小为ΔU,电流表的示数改变量大小为ΔI,则下列说法正确的是()A.变大B.变大C.电阻R1的功率变大D.电源的总功率变大10.如下图所示,现有甲、乙、丙三个电动势E相同而内阻r不同的电源.用这三个电源分别给定值电阻R供电,已知它们的阻值大小关系为R>r甲>r乙>r丙,则将R先后接在这三个电源上时的情况相比较,下列说法正确的是()A.接在甲电源上时,电源内阻消耗的功率最大B.接在乙电源上时,电源的总功率最大C.接在丙电源上时,电源的输出功率最大D.接在甲电源上时,电源的输出功率最大2016届高二年级上学期第二次月考物理试卷(特零)共6页第2页11.某空间内有高度为d、宽度足够宽、方向水平向左的匀强电场。当在该空间内建立如图所示的坐标系后。在x轴上的P点沿y轴正方向连续射入相同的带电粒子(粒子重力不计),由于粒子的入射速率v不同,有的粒子将在电场中直接通过y轴,有的将穿出电场后再通过y轴。设粒子通过y轴时,离坐标原点的距离为h,从P到y轴所需的时间为t,则()A...

1、当您付费下载文档后,您只拥有了使用权限,并不意味着购买了版权,文档只能用于自身使用,不得用于其他商业用途(如 [转卖]进行直接盈利或[编辑后售卖]进行间接盈利)。
2、本站所有内容均由合作方或网友上传,本站不对文档的完整性、权威性及其观点立场正确性做任何保证或承诺!文档内容仅供研究参考,付费前请自行鉴别。
3、如文档内容存在违规,或者侵犯商业秘密、侵犯著作权等,请点击“违规举报”。

碎片内容

2016届高二第二次月考物理试题(特零)1031

确认删除?
VIP
微信客服
  • 扫码咨询
会员Q群
  • 会员专属群点击这里加入QQ群
客服邮箱
回到顶部