电脑桌面
添加小米粒文库到电脑桌面
安装后可以在桌面快捷访问

建筑行业箱型基础工程 VIP免费

建筑行业箱型基础工程 _第1页
1/12
建筑行业箱型基础工程 _第2页
2/12
建筑行业箱型基础工程 _第3页
3/12
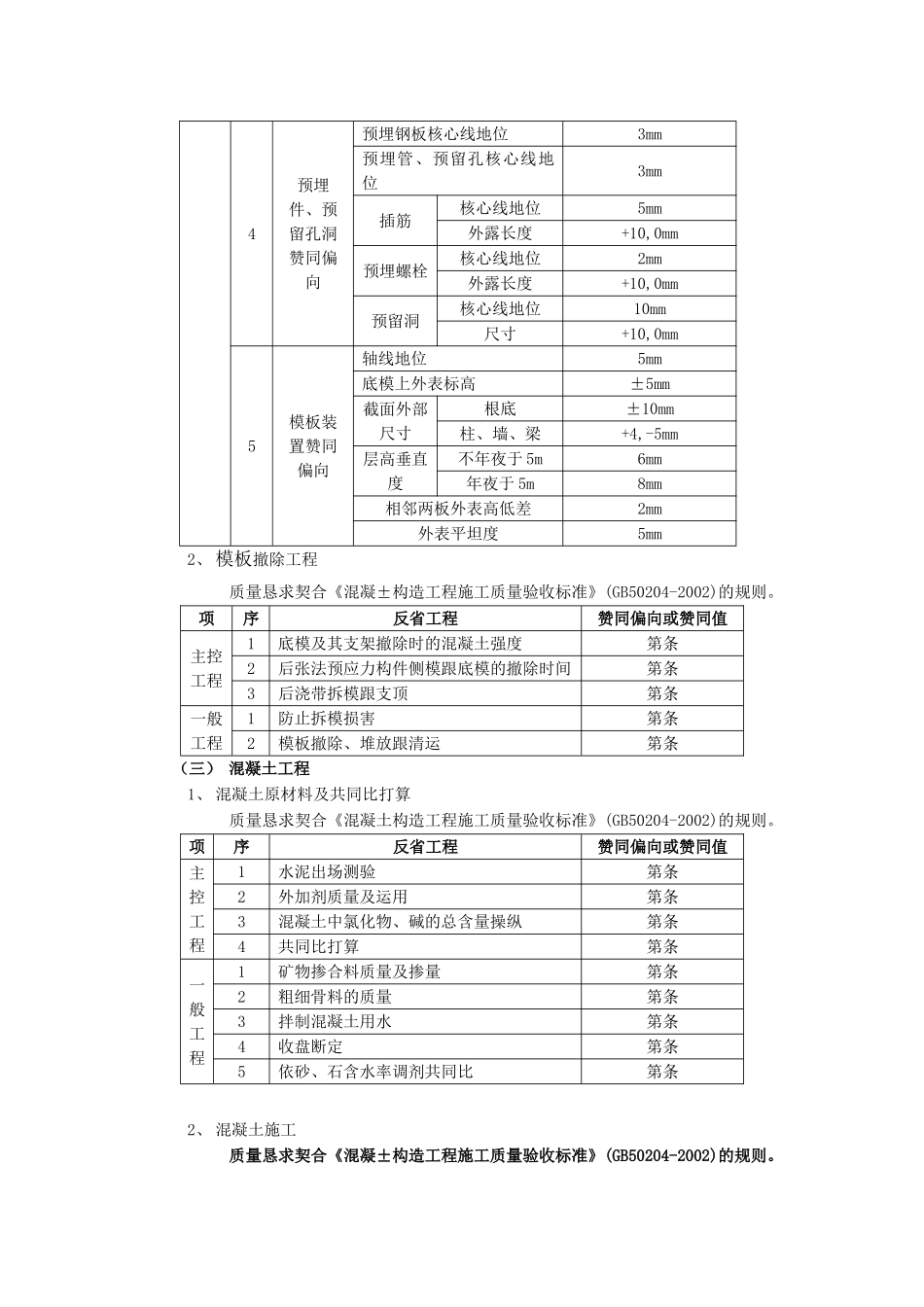
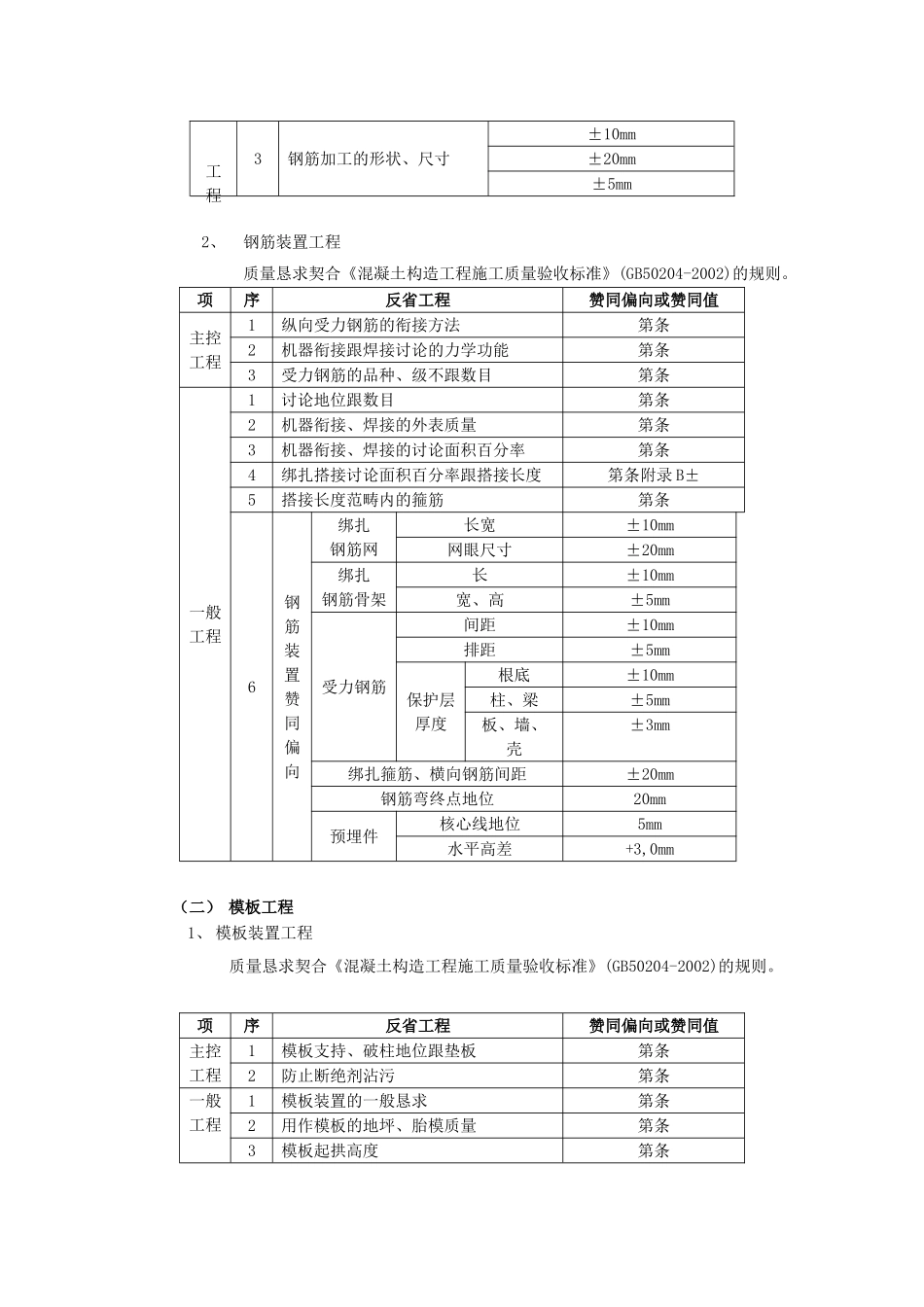
一、施工预备(一)功课前提1、地基土质情况,钎探、地基处置、根底轴线尺寸、基底标高情况等均通过勘探、打算、监理单元验收,并操持完隐检手续。2、实现基槽验线,办完验罢手续。3、地下落水任务实现,存在施工前提。4、按照打算及标准恳求进展,校核混凝土共同比,做完混凝土共同比试配。原材料的复试、台秤经校准、检定及格,预备好混凝土试模。(二)材质恳求1、水泥:水泥品种、强度品级应按照打算恳求断定。质量契合现行水泥标准。工期紧时可做水泥快测。2、砂、石子:按照构造尺寸、钢筋密度、混凝±工程施工工艺、混凝土强度品级的恳求断定石子粒径、砂子细度。砂、石质量契合现行标准。3、水:自来水或不含无害物资的洁清水。4、外加剂:按照施工构造打算恳求,断定能否采纳外加剂。外加剂必需经实验及格后,方可在工程上运用。5、掺合料:按照施工构造打算恳求,断定能否采纳掺合料,质量契合现行标准。6、钢筋:钢筋的级不、规格必需契合打算恳求,质量契合现行标准。钢筋外表应坚持洁净,无锈蚀跟油污,需要时做化学剖析。7、断绝剂:水性断绝剂、甲基硅树酯。(三)施工器具1、混凝土机具:磅秤、混凝土搅拌机、拔出式振捣器、平尖头铁锹、胶皮管、手推车、布料杆、3m杠尺、木抹子、塑料布等。2、钢筋机具:调直机、曲折机、堵截机、钢筋钩子、扳手、无齿锯、钢筋衔接机具、电焊机、撬棍等。3、模板机具:铁、木榔头、水平尺、手锯、钢卷尺、拖线板、气泵、吸尘器、手提电锯等。二、质量恳求(一)钢筋工程1、钢筋原材料及钢筋加工工程质量恳求契合《混凝土构造工程施工质量验收标准》(GB50204-2002)的规则。项序反省工程赞同偏向或赞同值主控工程1力学功能测验第条2抗震用钢筋强度实测值第条3化学身分等专项测验第条4受力钢筋的弯钩跟弯折第条5箍筋弯钩方法第条一般1外表质量第条2钢筋调直第条工程3钢筋加工的形状、尺寸±10mm±20mm±5mm2、钢筋装置工程质量恳求契合《混凝土构造工程施工质量验收标准》(GB50204-2002)的规则。项序反省工程赞同偏向或赞同值主控工程1纵向受力钢筋的衔接方法第条2机器衔接跟焊接讨论的力学功能第条3受力钢筋的品种、级不跟数目第条一般工程1讨论地位跟数目第条2机器衔接、焊接的外表质量第条3机器衔接、焊接的讨论面积百分率第条4绑扎搭接讨论面积百分率跟搭接长度第条附录B±5搭接长度范畴内的箍筋第条6钢筋装置赞同偏向绑扎钢筋网长宽±10mm网眼尺寸±20mm绑扎钢筋骨架长±10mm宽、高±5mm受力钢筋间距±10mm排距±5mm保护层厚度根底±10mm柱、梁±5mm板、墙、壳±3mm绑扎箍筋、横向钢筋间距±20mm钢筋弯终点地位20mm预埋件核心线地位5mm水平高差+3,0mm(二)模板工程1、模板装置工程质量恳求契合《混凝土构造工程施工质量验收标准》(GB50204-2002)的规则。项序反省工程赞同偏向或赞同值主控工程1模板支持、破柱地位跟垫板第条2防止断绝剂沾污第条一般工程1模板装置的一般恳求第条2用作模板的地坪、胎模质量第条3模板起拱高度第条4预埋件、预留孔洞赞同偏向预埋钢板核心线地位3mm预埋管、预留孔核心线地位3mm插筋核心线地位5mm外露长度+10,0mm预埋螺栓核心线地位2mm外露长度+10,0mm预留洞核心线地位10mm尺寸+10,0mm5模板装置赞同偏向轴线地位5mm底模上外表标高±5mm截面外部尺寸根底±10mm柱、墙、梁+4,-5mm层高垂直度不年夜于5m6mm年夜于5m8mm相邻两板外表高低差2mm外表平坦度5mm2、模板撤除工程质量恳求契合《混凝±构造工程施工质量验收标准》(GB50204-2002)的规则。项序反省工程赞同偏向或赞同值主控工程1底模及其支架撤除时的混凝土强度第条2后张法预应力构件侧模跟底模的撤除时间第条3后浇带拆模跟支顶第条一般工程1防止拆模损害第条2模板撤除、堆放跟清运第条(三)混凝土工程1、混凝土原材料及共同比打算质量恳求契合《混凝土构造工程施工质量验收标准》(GB50204-2002)的规则。项序反省工程赞同偏向或赞同值主控工程1水泥出场测验第条2外加剂质量及运用第条3混凝土中氯化物、碱的总含量操纵第条4共同比打算第条一般工程1矿物掺合料质量及掺量第条2粗细骨料的质量第条3拌制混凝土用水第条4收盘断定第条5依砂、石含水率调剂...

1、当您付费下载文档后,您只拥有了使用权限,并不意味着购买了版权,文档只能用于自身使用,不得用于其他商业用途(如 [转卖]进行直接盈利或[编辑后售卖]进行间接盈利)。
2、本站所有内容均由合作方或网友上传,本站不对文档的完整性、权威性及其观点立场正确性做任何保证或承诺!文档内容仅供研究参考,付费前请自行鉴别。
3、如文档内容存在违规,或者侵犯商业秘密、侵犯著作权等,请点击“违规举报”。

碎片内容

建筑行业箱型基础工程

您可能关注的文档

确认删除?
VIP
微信客服
  • 扫码咨询
会员Q群
  • 会员专属群点击这里加入QQ群
客服邮箱
回到顶部