电脑桌面
添加小米粒文库到电脑桌面
安装后可以在桌面快捷访问

建筑行业学生公寓施工组织设计方案 VIP免费

建筑行业学生公寓施工组织设计方案 _第1页
1/58
建筑行业学生公寓施工组织设计方案 _第2页
2/58
建筑行业学生公寓施工组织设计方案 _第3页
3/58
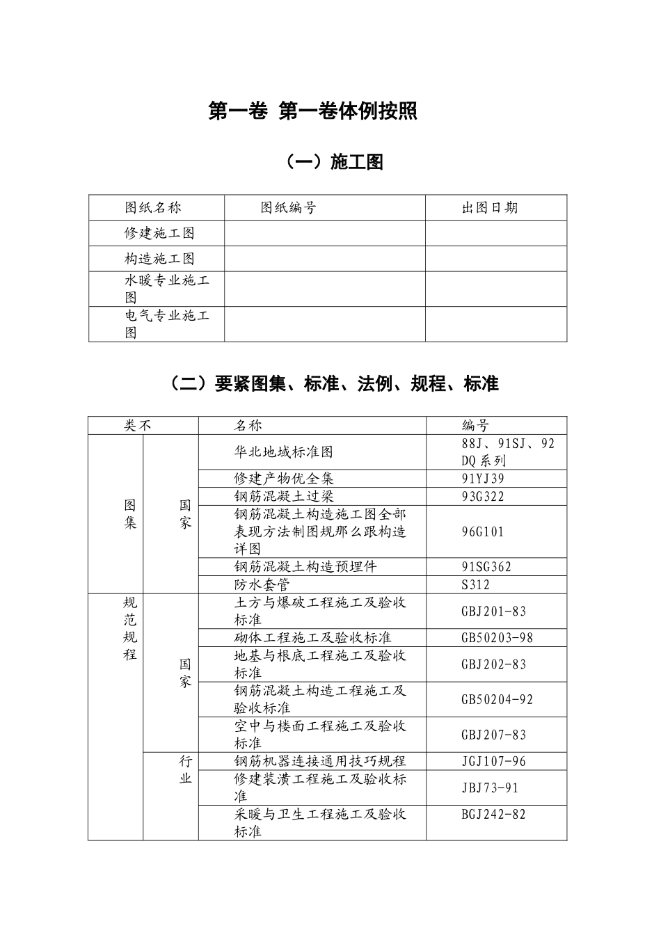
12先生公寓施工构造打算体例日期:2004年5月10日体例单元:目录第一卷第一卷体例按照(一)施工图图纸名称图纸编号出图日期修建施工图构造施工图水暖专业施工图电气专业施工图(二)要紧图集、标准、法例、规程、标准类不名称编号图集国家华北地域标准图88J、91SJ、92DQ系列修建产物优全集91YJ39钢筋混凝土过梁93G322钢筋混凝土构造施工图全部表现方法制图规那么跟构造详图96G101钢筋混凝土构造预埋件91SG362防水套管S312规范规程国家土方与爆破工程施工及验收标准GBJ201-83砌体工程施工及验收标准GB50203-98地基与根底工程施工及验收标准GBJ202-83钢筋混凝土构造工程施工及验收标准GB50204-92空中与楼面工程施工及验收标准GBJ207-83行业钢筋机器连接通用技巧规程JGJ107-96修建装潢工程施工及验收标准JBJ73-91采暖与卫生工程施工及验收标准BGJ242-82电气装置装置工程施工及验收标准GB50254-59-96钢筋焊接及验收规程JGJ18-84修建工程冬期施工规程JGJ104-97修建工程施工测量规程DBJ01-21-95透风与空调工程施工及验收标准GB50243-97修建施工高处功课平安技巧规程JGJ80-91施工现场临时用电平安技巧标准JGJ46-88修建机器应用平安技巧规程JGJ33-86所在修建装置分项工程施工工艺规程DBJ01-26-96标准国家修建装置工程质量测验评定一致标准GBJ300-88修建工程质量测验评定标准GBJ301-88修建采暖卫生与煤气工程质量测验评定标准GBJ302-88透风与空调工程质量测验评定标准GBJ304-88修建电气装置工程质量测验评定标准GBJ303-88所在工程树破监理规程DBJ01-41-98企业ISO9002质量手册及次序文件(三)树破单元供应施工用地、水、电等前提树破单元供应施工用地5600m2,首层面积为2,施工现场园地根天分满意施工恳求。水、电按树破单元指定所在引入,供应150KW电源。第二卷工程概略(一)工程简介序号工程内容1工程称号先生公寓2工程业主34修建面积11859。29m25工程所在6构造方法全现浇钢筋混凝土构造7根底方法条形根底8修建用途首层运动室、宿舍9二至七层宿舍(二)修建打算特色序号工程内容1修建范围面积(m2)占地标准层修建面积层数:7层高度(m)首层:3.42至7层:2檐高3屋面喷刷带色的苯丙乳液保护层4外墙面贴白色、灰色亚光面砖5内墙面刷乳胶漆、釉面砖6楼空地砖、花岗石中7顶棚乳胶漆顶棚、纸面石膏板吊顶刷乳胶漆、硅钙板顶棚8门窗塑钢窗、塑钢门、木门9防水屋面采纳聚氨酯防水涂膜10保温屋面采纳60厚聚苯乙烯泡沫塑料板11水暖采暖采纳上供下回单管垂直零碎,采纳钢制翅片管型散热器给水由市政给水管网直截了当供应消防楼内设独破消火栓零碎,与先生礼堂适用消防泵排水首层采纳单排,管材采纳UPVC管12电气强电照明、变配电装备弱电防雷屋面及室外防雷接地电气消防消火栓、事变照明(三)构造打算特色土质情况持力层为砂质粉土、粘质粉土、部分粉质粘土地基承载力标准值fka=160KPa根底范例条形根底构造方法全现浇钢筋混凝土抗震布防烈度八度抗震品级二级混凝土强度品级根底垫层:C10别的:C30钢筋类不热轧Ⅰ级、Ⅱ级钢筋讨论类不焊接第三卷施工安排(一)工程目的1、质量目的:构造工程创构造长城杯,单元工程创北京市优质工程。2、平安目的:确保无轻伤、无逝世亡事变。3、工期目的:迷信构造施工,公正安排工序穿插,确保条约工期实现。4、现场治理目的:北京市文化平安工地。5、治理系统:治理机制采纳工程法施工治理。质量系统经认证并契合GB/T19002—1994idtISO9002:1994标准的质量系统。(二)治理构造机构1、构造机构:本工程按工程法构造施工,所派工程司理承当过创构造长城杯工程工程治理,并积存了丰厚的施工治理经历的一级工程司理担负;工程总工遴派有较高技巧治理水平、并有创优治理经历、参与过获优质工程工程治理的工程技巧职员任本工程总工程师。按照工程特色,组建精悍工程司理部,对本工程的人、财、物按照工程法施工治理的要务履行一致构造,一致安排,一致打算,一致和谐,一致治理,并细心履行ISO9002质量标准,充分发扬各天分机能部分、各岗亭职员的天分机能感化,细心履行治理职责,确保本工程质量系统接着、无效的运转。通过我们迷信、谨严的任务质量跟工...

1、当您付费下载文档后,您只拥有了使用权限,并不意味着购买了版权,文档只能用于自身使用,不得用于其他商业用途(如 [转卖]进行直接盈利或[编辑后售卖]进行间接盈利)。
2、本站所有内容均由合作方或网友上传,本站不对文档的完整性、权威性及其观点立场正确性做任何保证或承诺!文档内容仅供研究参考,付费前请自行鉴别。
3、如文档内容存在违规,或者侵犯商业秘密、侵犯著作权等,请点击“违规举报”。

碎片内容

建筑行业学生公寓施工组织设计方案

确认删除?
VIP
微信客服
  • 扫码咨询
会员Q群
  • 会员专属群点击这里加入QQ群
客服邮箱
回到顶部