电脑桌面
添加小米粒文库到电脑桌面
安装后可以在桌面快捷访问

建筑行业v送电线路改造工程施工组织设计方案 VIP免费

建筑行业v送电线路改造工程施工组织设计方案 _第1页
1/10
建筑行业v送电线路改造工程施工组织设计方案 _第2页
2/10
建筑行业v送电线路改造工程施工组织设计方案 _第3页
3/10
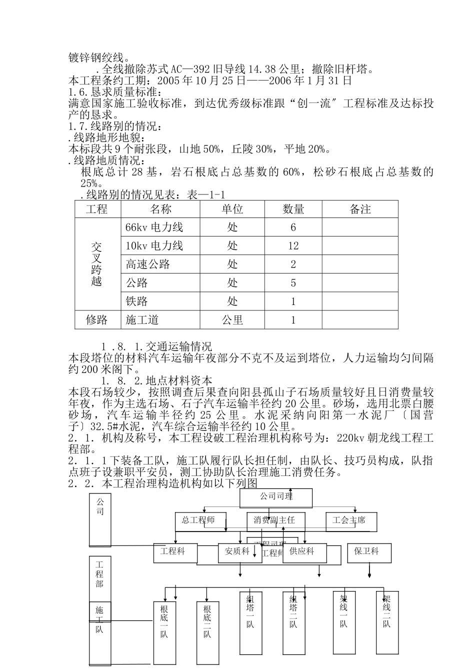
220kv龙州、朝龙2线送电线路改革工程送电装置分公司施工构造打算1工程概略及特色:1.1概略220kv朝龙2线送电线路改革工程,是由220kV朝龙2线3#到П开点的10#,单回路,线路改革长度2.972公里。220kv龙州线送电线路改革工程,是由220kV龙州线П开点的20#到47#,单回路,线路改革长度11.408公里。两条线路改革工程均为我公司中标的施工段。原线路情况:220kv朝龙2线,单回路3#~11#,撤除铁塔1基,撤除砼杆5基,撤除导线型号为AC-392,架旷地线型号为GJ-70,此中右3基铁塔应用;220kv龙州线,单回路20#~53#,撤除铁塔5基,撤除砼杆23基,撤除导线型号为AC-392,架旷地线型号为GJ-70,此中右5基铁塔应用。辽西通讯光缆支线在220kv线路上架设运转。.工程法人:.工程治理单元:.工程监理单元:1.3.本标段工程概略:.工程技巧特征A、线路长度:14.38公里()。B、道路地域:向阳市、向阳县。C、回路数:单回路14.38公里()。D、电压品级:220伏。E、打算气候前提:海拔高度400~600米,最高气温40度,最低气温-40度,均匀气温-5度,覆冰10毫米,最和风速30米/秒。F、导地线型号:导线为LGJ—400/35;地线为GJ—50及OPGW复合光缆。G、塔型:单回路自破铁塔36基。H、根底:现浇混凝土根底28基。.现场天然前提:新建工程位于向阳市龙城区境内经3个州里,阵势崎岖交通较为艰辛,沿线通过朝阴沟、朱杖子、卧龙、西年夜营子、拉拉屯、郭家村、腰而营子等天然乡村。所通过的山地林木果木旺盛。平地多为菜果、年夜棚,通过州里住民区,逾越锦朝高速公路、国道101线,逾越锦赤铁路,逾越年夜凌河。1.4.工程特色:.根底型式:辽宁电力勘察打算院按照本工程的地形特色跟地质前提,采纳的根底型式为惯例开挖式钢筋混凝土根底,根底底层台均设有钢筋笼。.杆塔型式:该工程采纳如下塔型A、ZM1、ZM2、ZM4型单回路直线塔B、GJ1、GJ2、GJ3型单回路转角塔C、J3型角度塔.架线本工程导线全体采纳LGJ—400/35钢芯铝绞线,地线全体采纳GJ—50镀锌钢绞线。.全线撤除苏式AC—392旧导线14.38公里;撤除旧杆塔。本工程条约工期:2005年10月25日——2006年1月31日1.6.恳求质量标准:满意国家施工验收标准,到达优秀级标准跟“创一流〞工程标准及达标投产的恳求。1.7.线路别的情况:.线路地形地貌:本标段共9个耐张段,山地50%,丘陵30%,平地20%。.线路地质情况:根底总计28基,岩石根底占总基数的60%,松砂石根底占总基数的25%。.线路别的情况见表:表—1-1工程名称单位数量备注交叉跨越66kv电力线处610kv电力线处12高速公路处2公路处5铁路处1修路施工道公里11.8.1.交通运输情况本段塔位的材料汽车运输年夜部分不克不及运到塔位,人力运输均匀间隔约200米阁下。1.8.2.地点材料资本本段石场较少,按照调查后果查向阳县孤山子石场质量较好且日消费量较年夜,作为主选石场、石子汽车运输半径约20公里。砂场,选用北票白腰砂场,汽车运输半径约25公里。水泥采纳向阳第一水泥厂〔国营子〕32.5#水泥,汽车综合运输半径约10公里。2.1.机构及称号,本工程设破工程治理机构称号为:220kv朝龙线工程工程部。2.1.1下装备工队,施工队履行队长担任制,由队长、技巧员构成,队指点班子设兼职平安员,测工协助队长治理施工消费任务。2.2.本工程治理构造机构如以下列图公司司理总工程师消费副主任工会主席工程司理总工程师工程科安质科供应科保卫科根底一队根底二队架线一队架线二队组塔一队组塔二队公司工程部施工队2.3.工程部各部分各级职员职责。.安质科担任该工程的平安质量监视。.工程科A、担任产物操纵要素,断定要害专门进程并予以操纵跟治理。B、担任产物标识跟可追溯性的治理。C、对工程劳务的治理跟施工进度、质量的操纵。D、担任消费进程的测验,实验跟工程的终极验收。E、担任施工记载的操纵及统计技巧的运用与推行。F、担任施任务业指点书的体例,及严峻施工方法的制订。G担任制订消费打算并定期体例施工消费统计报表。H、担任线路走廊各项任务。E、担任对工程劳务分包条约的治理。2.3.3.供应科:A、担任甲供材料的装车,盘点,运输保存及发放。B、担任公司供应处推销材料的测验,运输,保存及发放。对不天资证明,...

1、当您付费下载文档后,您只拥有了使用权限,并不意味着购买了版权,文档只能用于自身使用,不得用于其他商业用途(如 [转卖]进行直接盈利或[编辑后售卖]进行间接盈利)。
2、本站所有内容均由合作方或网友上传,本站不对文档的完整性、权威性及其观点立场正确性做任何保证或承诺!文档内容仅供研究参考,付费前请自行鉴别。
3、如文档内容存在违规,或者侵犯商业秘密、侵犯著作权等,请点击“违规举报”。

碎片内容

建筑行业v送电线路改造工程施工组织设计方案

学海无涯书城+ 关注
实名认证
内容提供者

热爱教育事业,爱好互联网行业

确认删除?
VIP
微信客服
  • 扫码咨询
会员Q群
  • 会员专属群点击这里加入QQ群
客服邮箱
回到顶部