电脑桌面
添加小米粒文库到电脑桌面
安装后可以在桌面快捷访问

建筑行业06-江阴某钢铁有限公司3#烧结安装工程施工组织设计 VIP免费

建筑行业06-江阴某钢铁有限公司3#烧结安装工程施工组织设计 _第1页
1/43
建筑行业06-江阴某钢铁有限公司3#烧结安装工程施工组织设计 _第2页
2/43
建筑行业06-江阴某钢铁有限公司3#烧结安装工程施工组织设计 _第3页
3/43
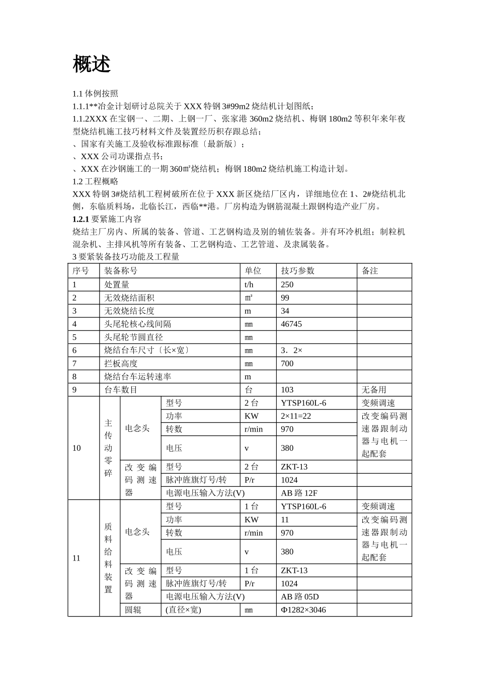
目录概述1.1体例按照1.1.1**冶金计划研讨总院关于XXX特钢3#99m2烧结机计划图纸;1.1.2XXX在宝钢一、二期、上钢一厂、张家港360m2烧结机、梅钢180m2等积年来年夜型烧结机施工技巧材料文件及装置经历积存跟总结;、国家有关施工及验收标准跟标准〔最新版〕;、XXX公司功课指点书;、XXX在沙钢施工的一期360㎡烧结机;梅钢180m2烧结机施工构造计划。1.2工程概略XXX特钢3#烧结机工程树破所在位于XXX新区烧结厂区内,详细地位在1、2#烧结机北侧,东临质料场,北临长江,西临**港。厂房构造为钢筋混凝土跟钢构造产业厂房。1.2.1要紧施工内容烧结主厂房内、所属的装备、管道、工艺钢构造及别的辅佐装备。并有环冷机组;制粒机混杂机、主排风机等所有装备、工艺钢构造、工艺管道、及隶属装备。3要紧装备技巧功能及工程量序号装备称号单位技巧参数备注1处置量t/h2502无效烧结面积㎡993无效烧结长度m344头尾轮核心线间隔㎜467455头尾轮节圆直径㎜6烧结台车尺寸〔长×宽〕㎜3.2×7拦板高度㎜7008烧结台车运转速率m9台车数目台103无备用10主传动零碎电念头型号2台YTSP160L-6变频调速功率KW2×11=22改变编码测速器跟制动器与电机一起配套转数r/min970电压v380改变编码测速器型号2台ZKT-13脉冲旌旗灯号/转P/r1024电源电压输入方法(V)AB路12F11质料给料装置电念头型号1台YTSP160L-6变频调速功率KW11改变编码测速器跟制动器与电机一起配套转数r/min970电压v380改变编码测速器型号1台ZKT-13脉冲旌旗灯号/转P/r1024电源电压输入方法(V)AB路05D圆辊(直径×宽)㎜Ф1282×3046转速r/min质料料槽m33012铺底料槽m32813辊式布料器摆线加速机型号2台功率KW×2转速r/min电压V380频率HZ50圆辊(直径×宽)㎜Ф128×3130数目个614风箱拆卸电动履行器型号7台DKJ-510A输入力矩1600电压V220频率HZ5015会合光滑零碎加油泵型号1台DJB-V70电机B07124流量L/min70功率压力MPa转速1400r/min光滑泵型号2台DRB-L585HZ-Z电机Y90-4流量L/min585功率压力MPa20转速1400r/min16行程开关型号3个LX22-117最年夜形状尺寸㎜52595×10970×1320018装备总分量(估)t兴钢1X99米2烧结机钢构造装置工程量统计表2004-5-18序号车间称号装置内容装置吨位T装备1烧结室水封拉链机梭式布料器凉风阀烧结机台车单辊破120机头电除尘隶属装备环冷机环冷机鼓风机及电机配料室圆盘给料机振动漏斗圆盘给料机仓式除尘皮带称消灰器等机尾电除尘离心风及电机20主抽风室风机及电机隶属装备制粒室制粒机及隶属装备混杂室混杂机及隶属装备燃料破裂室四辊破裂机双辊破裂机及隶属装备制品筛分室振动筛等给给排水水泵及电机过滤装备等N1,N5转运站隶属装备算计:管道给给排水管道及附件煤气及蒸汽压气管道等煤气管道及隶属装备34蒸气管道及隶属装备压气管道及隶属装备机尾电除尘除尘管道190算计:年夜烟道烧结室年夜烟道220算计:220钢构造机头电除尘钢构造件等5主抽风室钢构造件等15混杂室钢构造件等10燃料破裂及受矿槽钢构造件等3制粒室钢构造件等5制品筛分钢构造件等5算计:43总算计:1.4工程特色1.4.1施工工期紧急:本工程条约总工期为85天较以往我公司承建的类似烧结机工程条约工期延长了一半多。特不是部分图纸仍未到图,土建根底未进展交代。烧结机工程是多专业平面穿插施任务业,同时特别年夜一部分施工为露天功课,这就使得工期异常紧急,作为烧结装备装置工程的最初接力棒,为确保后墙不倒,必需夸年夜工期的紧急性,在人力、物力、财力及技巧方法等各个方面采纳多方面综合方法,才能保障工程定期实现。1.4.2装备装置难度年夜:烧结机主体装备位于+14.0平台跟+18.60平台以上,约860吨全体要在5~6线、10~11线预留的吊装孔调运。烧结机头部装备位于1~3线,无奈运用5/32t天车吊装就位,要采纳“笨方法〞运输跟起升吊装就位。+14.0以下的装备如除尘管道、皮带机等也无奈运用行车吊装就位,要设置卷扬机跟手拉葫芦进展装置就位。烧结机头、中、尾骨架均为工艺钢构造,且较长较年夜,可以因制造或运输而变形,装置时要花人力、物力进展调剂。1.4.3现场拼装工艺钢构造多、施工平面局促:现场拼装工艺钢构造时由于构件较年夜较长,园地局促,这是由于烧结机工程的工艺安排...

1、当您付费下载文档后,您只拥有了使用权限,并不意味着购买了版权,文档只能用于自身使用,不得用于其他商业用途(如 [转卖]进行直接盈利或[编辑后售卖]进行间接盈利)。
2、本站所有内容均由合作方或网友上传,本站不对文档的完整性、权威性及其观点立场正确性做任何保证或承诺!文档内容仅供研究参考,付费前请自行鉴别。
3、如文档内容存在违规,或者侵犯商业秘密、侵犯著作权等,请点击“违规举报”。

碎片内容

建筑行业06-江阴某钢铁有限公司3#烧结安装工程施工组织设计

学海无涯书城+ 关注
实名认证
内容提供者

热爱教育事业,爱好互联网行业

确认删除?
VIP
微信客服
  • 扫码咨询
会员Q群
  • 会员专属群点击这里加入QQ群
客服邮箱
回到顶部