电脑桌面
添加小米粒文库到电脑桌面
安装后可以在桌面快捷访问

EPS 300 电泳仪说明书VIP免费

EPS 300 电泳仪说明书_第1页
1/7
EPS 300 电泳仪说明书_第2页
2/7
EPS 300 电泳仪说明书_第3页
3/7
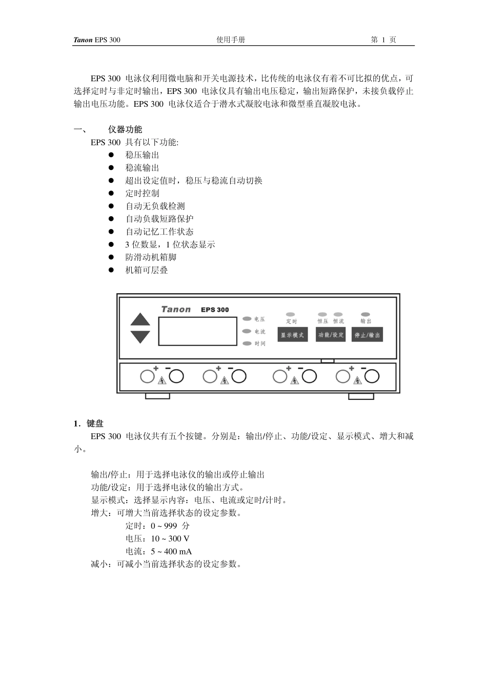
产品标准号:Q/NYBQ03-2003产品注册号:沪食药监械(准)字2004第1400408号EPS300电泳仪用户手册USER’SGUIDE上海天能科技有限公司TanonEPS300使用手册第1页EPS300电泳仪利用微电脑和开关电源技术,比传统的电泳仪有着不可比拟的优点,可选择定时与非定时输出,EPS300电泳仪具有输出电压稳定,输出短路保护,未接负载停止输出电压功能。EPS300电泳仪适合于潜水式凝胶电泳和微型垂直凝胶电泳。一、仪器功能EPS300具有以下功能:�稳压输出�稳流输出�超出设定值时,稳压与稳流自动切换�定时控制�自动无负载检测�自动负载短路保护�自动记忆工作状态�3位数显,1位状态显示�防滑动机箱脚�机箱可层叠1.键盘EPS300电泳仪共有五个按键。分别是:输出/停止、功能/设定、显示模式、增大和减小。输出/停止:用于选择电泳仪的输出或停止输出功能/设定:用于选择电泳仪的输出方式。显示模式:选择显示内容:电压、电流或定时/计时。增大:可增大当前选择状态的设定参数。定时:0~999分电压:10~300V电流:5~400mA减小:可减小当前选择状态的设定参数。TanonEPS300使用手册第2页2.显示EPS300电泳仪有四位显示位,用于显示输出设定,输出电流与电压值,实验时间及故障。左边第一位用于指示输出状态,可显示为:u电压、c电流和t定时。后三位用于显示指定的数据。当故障出现时,EPS300电泳仪根据故障内容,分别显示如下:当出现“Er3”示输出部份出现短路现象。当出现“Er4”示未接负载。3.输出电压调节当“功能/设定”设定为电压时,按上、下键,数码管会显示的数据为:恒压情况下的稳定电压的输出值;恒流情况下的电压的输出最大值。4.输出电流调节当“功能/设定”设定为电流时,按上、下键,数码管会显示的数据为:恒流情况下的稳定电流的输出值;恒压情况下的电流的输出最大值。二、使用方法———————————————————————————————————————注意/警告:1.在电泳仪工作时,不要用手触摸电泳仪的输出部位。2.在对电泳仪与电泳槽进行改变操作时,必须停止电泳仪输出,3.不能在通电时任意插拔输出电线,这样会导致电泳仪输出保护或导致器件损坏。———————————————————————————————————————1.准备在做电泳实验前,将需要做的实验内容准备好后,检查电泳槽内的液体,在确定液体没有超过电泳槽的指定线后,将电泳槽的电极端插入电泳仪的输出电压孔内,电泳槽电极的红、黑线应分别对应插入电泳仪的输出端子的红、黑插孔之中,插入时要将电极插入到底。TanonEPS300使用手册第3页2.开机打开电泳仪开关,电源指示灯亮,数码管显示上次实验的设定值,若本次实验与上次实验相同,则可不必再修改实验参数。3.实验参数选择“功能/设定”键,可检查:定时(t)、电压(u)和电流(c)的设置状态,对于每种指定状态,可通过上、下键来修改实验参数。1)定时当定时为0时,则将电泳仪输出设置为不定时输出(时间为正计时)。若设定的定时时间大于0,则将电泳仪设置为定时输出状态(时间为倒计时),该定时的时间为电泳仪工作的时间,若定时时间到,电泳仪将停止输出。未定时设定定时设定2)恒压输出设定“恒压”时,该电压值为电泳仪输出的恒定电压值。此时电泳仪通过改变输出电流的大小来达到恒压输出的状态。此时电泳仪的电流设定值为允许输出的最大电流值。若电泳仪运行时,由于电泳仪的输出负载太小,导致电泳仪的电流输出超过了电流设定值,则EPS300自动地将恒压方式转换为恒流输出方式,此时实际输出的电流为电泳仪的电流设定值,同时电压将小于设定值。若要避免此类情况的发生,可将电流设定值增大,或加大电泳的输出负载。3)恒流输出设定“恒流”时,该电流值为电泳仪输出的恒定电流值。此时电泳仪通过改变输出电压的大小来达到恒流输出的状态。此时电泳仪的电压设定值为允许输出的最大电压值。若电泳仪运行时,由于电泳仪的输出负载太小,导致电泳仪的电流输出超过了电流设定值,则EPS300自动地将恒流方式转换为恒压输出方式,此时实际输出的电压为电泳仪的电压设定值,同时电流将小于设定值。若要避免此类情况...

1、当您付费下载文档后,您只拥有了使用权限,并不意味着购买了版权,文档只能用于自身使用,不得用于其他商业用途(如 [转卖]进行直接盈利或[编辑后售卖]进行间接盈利)。
2、本站所有内容均由合作方或网友上传,本站不对文档的完整性、权威性及其观点立场正确性做任何保证或承诺!文档内容仅供研究参考,付费前请自行鉴别。
3、如文档内容存在违规,或者侵犯商业秘密、侵犯著作权等,请点击“违规举报”。

碎片内容

EPS 300 电泳仪说明书

您可能关注的文档

确认删除?
VIP
微信客服
  • 扫码咨询
会员Q群
  • 会员专属群点击这里加入QQ群
客服邮箱
回到顶部