电脑桌面
添加小米粒文库到电脑桌面
安装后可以在桌面快捷访问

超声波探伤工艺规程VIP免费

超声波探伤工艺规程_第1页
1/10
超声波探伤工艺规程_第2页
2/10
超声波探伤工艺规程_第3页
3/10
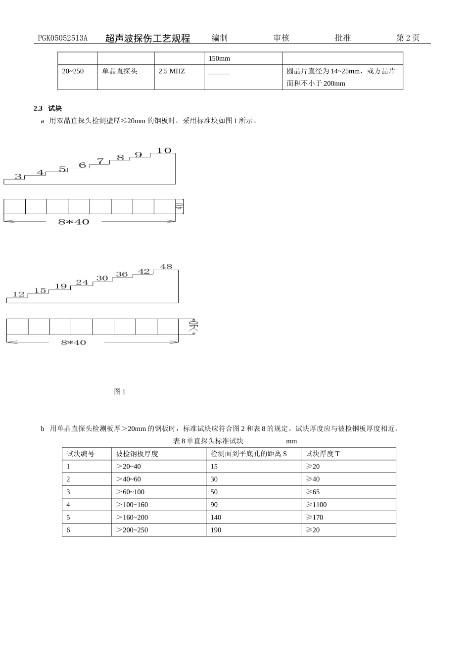
超声波探伤工艺规程文件号:PGK05052513A行文单位:品管课类别:纲领(蓝)可阅范围:全体员工编制:审核:批准:页数:1熟读:品管相关人员日期:日期:日期:生效日:2005.05.25背诵:无PGK05052513A超声波探伤工艺规程编制审核批准第2页1一般要求11适用范围a本规程规定了A型脉冲反射式超声波探伤仪,以单斜探头接触法为主进行探伤的工艺要求。b《对接焊缝超声探伤工艺卡》、《钢板超声探伤工艺卡》是本规程的补充文件,对每台产品(或每类焊缝)应编制工艺卡,以便具体指导探伤实践。1.2.探伤人员a探伤人员应持有锅炉、压力容器超声人员资格(Ⅱ级或Ⅱ级以上技术资格)。b应掌握所探伤工件的材质、坡口形式、焊接工艺、缺陷可能产生的部位等资料,以便对荧光屏上反射波进行综合判断。c探伤人员每年体检一次,矫正视力不得低于1.0。1.3探伤器材a探伤仪和探头①为适应检测工作需要,应配备一定数量的超声波探伤仪,最好使用带贮存等功能的数字型超声波探伤仪。仪器与探头的性能:垂直线性、水平线性、灵敏度余量、分辨率、动态范围、盲区、直探头和斜探头的远场分辨力等指标应符合JB/T10061的要求。②仪器和探头的组合灵敏度:在达到所检测工件最大声程处的探伤灵敏度时,有效灵敏度余量至少为10dB。b耦合剂一般可用浆糊、工业机油作耦合剂。c试块应配备CSK-IA、CSK-IIIA型试块及平底孔试块。1.4仪器、探头的校准a在仪器开始使用时,应对仪器的水平线性进行测定,测定方法按ZBJ4001和ZBY231-84的规定进行。在使用过程中,每隔三个月至少应对仪器的水平线性和垂直线性进行一次测定。b斜探头在使用过程中每个工作日均应校准前沿距离、K值和主声束偏离。c直探头的始脉冲宽度、灵敏度余量和分辨力应每隔一个月检查一次。d探伤系统的复核每次检测前均应对扫描线、灵敏度复核,遇有下述情况应随时对其进行重新核查:校准后的探头、耦合剂和仪器调节旋纽发生改变时;检测人员怀疑检测灵敏度有变化时;连续工作4h以上;工作结束时。e扫描量程的复核如果距离-波幅曲线上任意一点在扫描线上的偏移超过扫描读数的10%,则扫描程应予以修正,并在记录中加以说明。f距离-波幅曲线的复核复核时,校核应不少于3点,如曲线上任何一点幅度下降2dB,则应对上一次以来所有的检测结果进行复核;如幅度上升复核2dB,则应对所有的记录信号进行重新评定。.2钢制压力容器钢板的超声波探伤2.1检测范围和一般要求本条适用于板厚为6~250mm的钢制锅炉、压力容器用板材的超声检测和缺陷等级评定,奥氏体钢板材和双相钢钢板的超声检测也可参照本执行。2.2探头选用探头的选用应按表7的规定进行。表7锅炉、压力容器用板材超声检测探头选用板厚mm采用探头公称频率探头晶片尺寸双晶直探头单晶直探头6~20双晶探头5MHZ晶片面积不小于——PGK05052513A超声波探伤工艺规程编制审核批准第2页150mm20~250单晶直探头2.5MHZ______圆晶片直径为14~25mm,或方晶片面积不小于200mm2.3试块a用双晶直探头检测壁厚≤20mm的钢板时,采用标准块如图1所示。图1b用单晶直探头检测板厚>20mm的钢板时,标准试块应符合图2和表8的规定。试块厚度应与被检钢板厚度相近。表8单直探头标准试块mm试块编号被检钢板厚度检测面到平底孔的距离S试块厚度T1>20~4015≥202>40~6030≥403>60~10050≥654>100~16090≥11005>160~200140≥1706>200~250190≥20PGK05052513A超声波探伤工艺规程编制审核批准第2页图22.5检测方法a检测面可选钢板的任一轧制平面进行检测。若检测人员认为需要或设计上有要求时,也可对钢板的上、下两面分别进行检测。b扫查方式①探头沿垂直于钢板压延方向,间距为100mm的平行线进行扫查。在钢板剖口预定两侧各50mm(当板厚超过100mm时,以板厚的一半为准)内应作100%扫查,扫查示意图如图3。②根据合同、技术协议书或图样的要求,也可采用其它形式的扫查。2.6缺陷记录a在检测过程中,发现下列三种情况之一者即作为缺陷:①缺陷第一次反射波(F1)波高大于或等于满刻度的50%,即F1≥50%者。②当底面第一次反射波(B1)波高未达到满刻度,此时,缺陷第一次反射波(F1)波高与底面第一次反射波(B1)波高之比大于或等于50%即B1<100%,而F1/B1≥50%...

1、当您付费下载文档后,您只拥有了使用权限,并不意味着购买了版权,文档只能用于自身使用,不得用于其他商业用途(如 [转卖]进行直接盈利或[编辑后售卖]进行间接盈利)。
2、本站所有内容均由合作方或网友上传,本站不对文档的完整性、权威性及其观点立场正确性做任何保证或承诺!文档内容仅供研究参考,付费前请自行鉴别。
3、如文档内容存在违规,或者侵犯商业秘密、侵犯著作权等,请点击“违规举报”。

碎片内容

超声波探伤工艺规程

您可能关注的文档

确认删除?
VIP
微信客服
  • 扫码咨询
会员Q群
  • 会员专属群点击这里加入QQ群
客服邮箱
回到顶部