电脑桌面
添加小米粒文库到电脑桌面
安装后可以在桌面快捷访问

产品设计开发常见问题分析VIP免费

产品设计开发常见问题分析_第1页
1/12
产品设计开发常见问题分析_第2页
2/12
产品设计开发常见问题分析_第3页
3/12
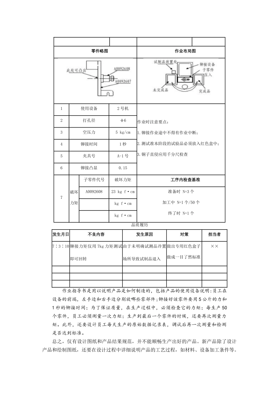
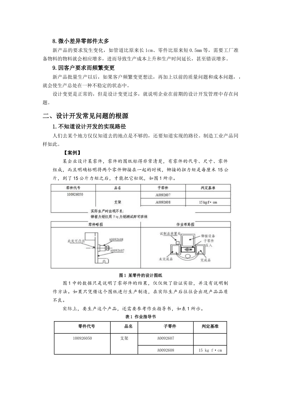
学习导航通过学习本课程,你将能够:●知晓设计开发中的常见问题;●了解设计规范和工艺标准;●掌握设计开发常见问题的根源;●了解并行开发模式。产品设计开发常见问题分析一、设计开发中常见的问题企业在设计开发新产品时常常会面临一些问题,比较典型的有九个:第一,新产品品质问题多;第二,新产品开发时间长;第三,新材料不能及时提供或者频繁更换供应商;第四,开发后设计变更多;第五,设计的产品成本高;第六,设计的产品难制造;第七,设计错误多;第八,微小差异零部件太多;第九,因客户要求而频繁变更。1.新产品品质问题多新产品刚开发时的稳定性不够,容易出现品质问题。2.新产品开发时间长如果新产品的技术含量很高,就会延长开发时间,进而延迟推出时间。3.新材料不能及时提供或者频繁更换供应商设计时间的拖延,会导致新材料不能及时提供给供应商甚至频繁更换供应商的现象。例如,设计初期选定了一个供应商,批量生产时候又更换供应商,产品品质就会发生波动。4.开发后设计变更多新产品在设计过程中会遇到很多变更,如原来的设计思路过时了或市场发生了变化,需要追加功能或外观上的变化;前期的品质不稳定,在后期找到了解决办法,需要进行设计变更;客户的要求发生变化,需要临时改变设计方案等。这些变更都会导致时间的延迟。5.设计的产品成本高有些新设计的产品要求生产设备必须进行重新配套,加上企业为了使老客户认可产品而加大力度进行宣传,会导致新产品的成本增加、利润减少。6.设计的产品难制造有时产品的设计方案很好,但不方便生产和制造,给生产车间、制造部门以及供应商造成很大麻烦,如影响生产进度和导致营业额下降等。7.设计错误多在设计产品的过程中往往会出现很多错误,如图纸错误、物料消耗的清单BOM用量错误、工装错误等。8.微小差异零部件太多新产品的要求发生变化,如管道比原来长1cm、零件比原来短0.5mm等,需要工厂准备物料的物料就会相应增多,进而导致生产成本上升和生产时间延长,甚至错误增多。9.因客户要求而频繁变更新产品批量生产以后,如果客户频繁变更想法,再加上以前的质量问题和成本问题,,就会使生产总处在一种不稳定的状态中。设计变更是正常的,但是设计变更过多,就说明企业在前期的设计开发管理中存在问题。二、设计开发常见问题的根源1.不知道设计开发的实现路径人们去某个地方仅仅知道去的地点是不够的,还要知道实现的路径。制造工业产品同样如此。【案例】某企业设计某零件,零件的图纸标得非常清楚,有零件的代号、尺寸、零件组成,而且明确标明将两个零件铆接在一起的时候,铆接的扭力矩是每厘米15公斤,到了15公斤力矩之后,才能把它松脱,如图1所示。图1某零件的设计图纸图1中的数据只是说明了零部件的结果,仅仅做了验证实验,并没有说明制作方法。如果只凭借这个图纸进行生产制造,在实际生产后往往会出现产品品质不良。实际上,要生产这个产品,还需要参考作业指导书,如表1所示。表1作业指导书零件代号品名子零件判定基准100926050支架A0092607A009260815kgf·cm零件略图作业布局图1使用设备2号机作业时注意要点:1.铆接作业途中不得有作业中断;2.测试准本阶段的试验品必须放入红色盒中;3.铜子直侵应用千分尺检查2打孔径φ63空压力5kg/cm4铆接时间1秒5夹具号A-1号6铆接凸显0.157破坏力矩子零件代号破坏力矩工序内检查基准A009260823kgf·cm准备时N=3个加工中N=1个/50个终了时N=1个kgf·cmkgf·cm品质履历发生月日不良内容发生原因对策担当者7∶3∶10铆接力矩仅用7kg力矩测试即可回转由于未明确试测品冷置场所导致试制品退入做出专用红色盒子做成一目了然标准××作业指导书是用以说明产品是如何制造的,包括产品的使用设备说明:员工在设备的前端,左手边和右手边分别放哪些零部件;铆接好该零件要用5公斤的力和1秒的铆接时间;为了保证质量,在生产过程中,必须检查它的力矩;每生产50个零件,员工必须测量一次力矩;生产到最后一个零件的时候,还要再次测量力矩。此外,还要设计员工每天生产的原始数据记录表,调试后再一次测量和检测是否达到标准。总之,仅有设计图纸和产品结果规范,并不能顺畅生...

1、当您付费下载文档后,您只拥有了使用权限,并不意味着购买了版权,文档只能用于自身使用,不得用于其他商业用途(如 [转卖]进行直接盈利或[编辑后售卖]进行间接盈利)。
2、本站所有内容均由合作方或网友上传,本站不对文档的完整性、权威性及其观点立场正确性做任何保证或承诺!文档内容仅供研究参考,付费前请自行鉴别。
3、如文档内容存在违规,或者侵犯商业秘密、侵犯著作权等,请点击“违规举报”。

碎片内容

产品设计开发常见问题分析

确认删除?
VIP
微信客服
  • 扫码咨询
会员Q群
  • 会员专属群点击这里加入QQ群
客服邮箱
回到顶部