电脑桌面
添加小米粒文库到电脑桌面
安装后可以在桌面快捷访问

焊接工艺资料VIP专享VIP免费

焊接工艺资料_第1页
1/32
焊接工艺资料_第2页
2/32
焊接工艺资料_第3页
3/32
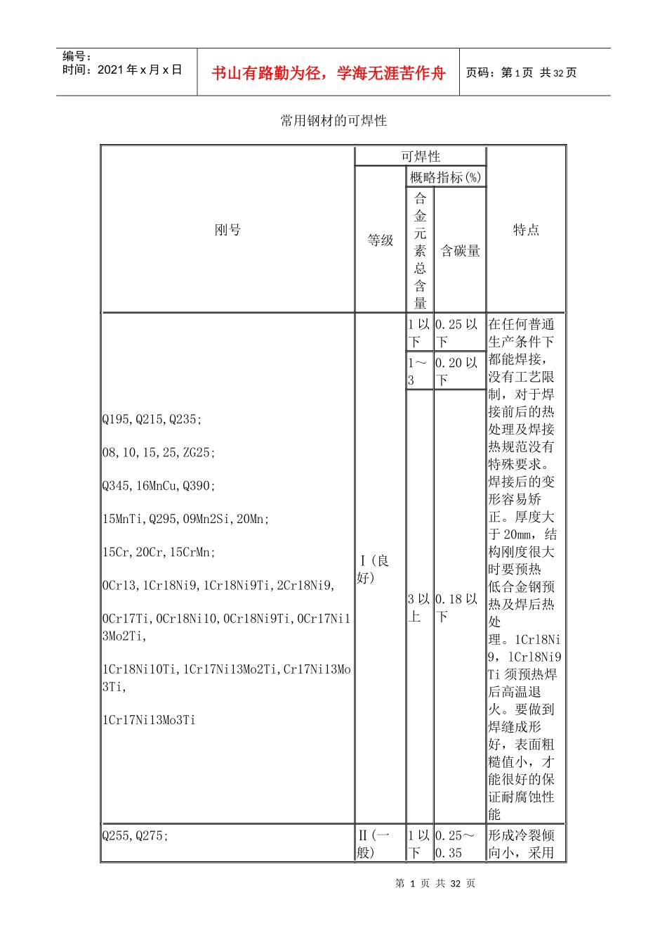
第1页共32页编号:时间:2021年x月x日书山有路勤为径,学海无涯苦作舟页码:第1页共32页常用钢材的可焊性刚号可焊性特点等级概略指标(%)合金元素总含量含碳量Q195,Q215,Q235;08,10,15,25,ZG25;Q345,16MnCu,Q390;15MnTi,Q295,09Mn2Si,20Mn;15Cr,20Cr,15CrMn;0Cr13,1Cr18Ni9,1Cr18Ni9Ti,2Cr18Ni9,0Cr17Ti,0Cr18Ni10,0Cr18Ni9Ti,0Cr17Ni13Mo2Ti,1Cr18Ni10Ti,1Cr17Ni13Mo2Ti,Cr17Ni13Mo3Ti,1Cr17Ni13Mo3TiⅠ(良好)1以下0.25以下在任何普通生产条件下都能焊接,没有工艺限制,对于焊接前后的热处理及焊接热规范没有特殊要求。焊接后的变形容易矫正。厚度大于20mm,结构刚度很大时要预热低合金钢预热及焊后热处理。1Crl8Ni9,lCrl8Ni9Ti须预热焊后高温退火。要做到焊缝成形好,表面粗糙值小,才能很好的保证耐腐蚀性能1~30.20以下3以上0.18以下Q255,Q275;Ⅱ(一般)1以下0.25~0.35形成冷裂倾向小,采用第2页共32页第1页共32页编号:时间:2021年x月x日书山有路勤为径,学海无涯苦作舟页码:第2页共32页30,35,ZG230-450;30Mn,18MnSi,20CrV,20CrMo,30Cr,20CrMnSi,20CrMoA,12CrMoA,22CrMo,Cr11MoV,1Cr13,12CrMo,14MnMoVB,Cr25Ti,15CrMo,12CrMoV合理的焊接热规范可以得到满意的焊接性能。在焊接复杂结构和厚板时,必须预热1~30.20~0.303以上0.18~0.25Q275;35,40,45;40Mn,35Mn2,40Mn2,20Cr,40Cr,35SiMn,30CrMoSi,30Mn2,35CrMoA,25Cr2MoVA,30CrMoSiA,2Cr13,Cr6SiMo,Cr18Si2Ⅲ(较差)1以下0.35~0.45在通常情况下,焊接时有形成裂纹的倾向,焊前应预热,焊后应热处理,只有有限的焊接热规范可能获得较好的焊接性能1~30.30~0.403以上0.28~0.38Q275;50,55,60,65,85;50Mn,60Mn,65Mn,45Mn2,50Mn2,50Cr,30CrMo,40CrSi,35CrMoV,38CrMoAlA,35SiMnA,35CrMoVA,30Cr2MoVA,3Cr13,3Cr13,4Cr9Si2,60Si2CrA,50CrVA,30W4Cr2VAⅣ(差)1以下0.45以上焊接时很容易形成裂纹,但在采用合理的焊接规范、项热和好后热处理的条件下,这些钢也能够焊接1~30.40以上3以上0.38以上铸铁的可焊性焊接金属焊接方法与焊接接头的特点可焊性备注灰铸铁电弧冷焊铸铁焊条:加工性一般,易出现裂纹,只适于小中型工件中较小缺陷的焊补,如小砂眼、小气孔及良好复杂铸件均应整体加热,简单零件用焊炬局部加热即可第3页共32页第2页共32页编号:时间:2021年x月x日书山有路勤为径,学海无涯苦作舟页码:第3页共32页小裂缝等铜钢焊条:加工性较差,抗裂纹性好,强度较高,能承受较大静荷及一定动载荷,能基本满足焊缝致密性要求。对复杂的、刚度大的焊件不宜采用镍铜焊条:加工性好,强度较低,用于刚度不大、预热有困难的焊件上铸铁焊条气焊:加工性良好,接头具有与工件相近的机械性能与颜色,焊补处刚度大,结构复杂时,易出现裂纹,适于焊补刚度不大、结构不复杂、待加工尺寸不大的焊件的缺陷铸铁焊条热焊及半热焊:加工性、致密性都好,内应力小,不易出现裂纹,接头具有与母材相近的强度,但生产率低,主要用于修复,焊后须加工,对承受较大静载荷、动载荷、要求致密性等的复杂结构中,大的缺陷且工件壁较厚时,用电弧焊,中小缺陷且工件较薄用气焊铸铁焊条电渣焊补:加工性、强度及紧密性良好,但在焊补复杂及刚度大的工件时,易发生裂纹可锻铸铁球墨铸铁手工电弧焊低碳钢焊条:容易产生裂纹较差镍铁焊条冷焊:加工性良好,接头具有与母材相等的强度气焊:用于接头质量要求高的中小型缺陷的修补白口铸铁很难硬度高,脆性大,容易出现裂纹第4页共32页第3页共32页编号:时间:2021年x月x日书山有路勤为径,学海无涯苦作舟页码:第4页共32页有色金属的可焊性焊接金属可焊性焊接方法与焊接接头的特点备注铜一般通常采用气焊和氩弧焊并选好用焊丝以达到焊接要求的焊接接头大的复杂的铸件,焊前须预热黄铜(Cu—Zn)良好薄的轧制黄铜板不须预热,大的复杂的结构、厚板须预热。铸造黄铜工件须全部或局部预热硅青铜,磷青铜锡青铜,铝青铜较差主要用于焊补铸件,焊前须预热,焊后应缓慢冷却纯铝L2,L3L4,L5良好铝镁LF,LF3,LF4,LF6锰铝一般焊缝>18mm容易出现裂纹硬铝较差Al—Zn—Mn—Cu高强度铝合金很难结晶裂缝倾向大异种金属间的...

1、当您付费下载文档后,您只拥有了使用权限,并不意味着购买了版权,文档只能用于自身使用,不得用于其他商业用途(如 [转卖]进行直接盈利或[编辑后售卖]进行间接盈利)。
2、本站所有内容均由合作方或网友上传,本站不对文档的完整性、权威性及其观点立场正确性做任何保证或承诺!文档内容仅供研究参考,付费前请自行鉴别。
3、如文档内容存在违规,或者侵犯商业秘密、侵犯著作权等,请点击“违规举报”。

碎片内容

焊接工艺资料

确认删除?
VIP
微信客服
  • 扫码咨询
会员Q群
  • 会员专属群点击这里加入QQ群
客服邮箱
回到顶部