电脑桌面
添加小米粒文库到电脑桌面
安装后可以在桌面快捷访问

工程安全文明施工情况月报表VIP专享VIP免费

工程安全文明施工情况月报表_第1页
1/2
工程安全文明施工情况月报表_第2页
2/2
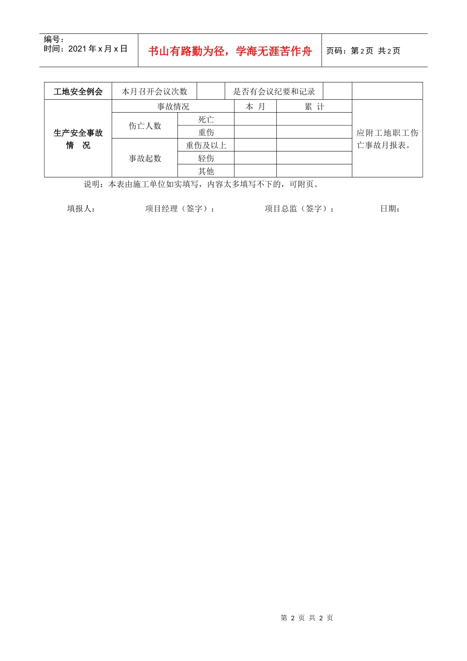
第1页共2页编号:时间:2021年x月x日书山有路勤为径,学海无涯苦作舟页码:第1页共2页附表:工程安全文明施工情况月报表年月(本工程累计第份)施工单位(公章):监理单位(公章):项目实际情况备注(应说明的情况)施工进度情况基础桩基□/土方开挖□/基坑支护□/地下室砼□实际开工日期:主体层砼结构完成□/主体封顶□装修外墙装饰□/外架拆除层□/扫尾□安全文明施工措施费用使用情况是否在施工合同中单列是□/否□该费用包括安全施工费、文明施工费、临时设施费、环境保护费。计划总费用本月累计建设单位已拨付金额(万元)施工单位已使用金额(万元)入场“三级”安全教育情况本月接受教育工种各主要工种,包括特种作业人员本月接受教育人数分部分项工程安全技术交底本月交底次数本月接受交底人数特种作业人员登记情况总登记人数本月新增人数新增工种应注明安全检查情况检查单位次数隐患总条数整改合格条数未整改条数隐患整改条数和未整改条数项目自查企业自查监理检查接受上级检查重要安全设施(设备)情况设施/设备名称安装检测验收拆除主要设施、设备:塔吊、施工升降机、高处作业吊篮、高大脚手架、高大模板支撑等第2页共2页第1页共2页编号:时间:2021年x月x日书山有路勤为径,学海无涯苦作舟页码:第2页共2页工地安全例会本月召开会议次数是否有会议纪要和记录生产安全事故情况事故情况本月累计应附工地职工伤亡事故月报表。伤亡人数死亡重伤事故起数重伤及以上轻伤其他说明:本表由施工单位如实填写,内容太多填写不下的,可附页。填报人:项目经理(签字):项目总监(签字):日期:

1、当您付费下载文档后,您只拥有了使用权限,并不意味着购买了版权,文档只能用于自身使用,不得用于其他商业用途(如 [转卖]进行直接盈利或[编辑后售卖]进行间接盈利)。
2、本站所有内容均由合作方或网友上传,本站不对文档的完整性、权威性及其观点立场正确性做任何保证或承诺!文档内容仅供研究参考,付费前请自行鉴别。
3、如文档内容存在违规,或者侵犯商业秘密、侵犯著作权等,请点击“违规举报”。

碎片内容

工程安全文明施工情况月报表

中小学教育精品资料+ 关注
实名认证
内容提供者

中小学教育资料,优质文档创作者

确认删除?
VIP
微信客服
  • 扫码咨询
会员Q群
  • 会员专属群点击这里加入QQ群
客服邮箱
回到顶部