电脑桌面
添加小米粒文库到电脑桌面
安装后可以在桌面快捷访问

高层办公建筑空调设计冷负荷与全年耗冷量模拟分析_工程建筑论文VIP专享VIP免费

高层办公建筑空调设计冷负荷与全年耗冷量模拟分析_工程建筑论文_第1页
1/12
高层办公建筑空调设计冷负荷与全年耗冷量模拟分析_工程建筑论文_第2页
2/12
高层办公建筑空调设计冷负荷与全年耗冷量模拟分析_工程建筑论文_第3页
3/12
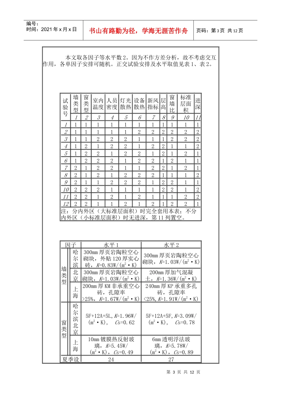
第1页共12页编号:时间:2021年x月x日书山有路勤为径,学海无涯苦作舟页码:第1页共12页高层办公建筑空调设计冷负荷与全年耗冷量模拟分析_工程建筑论文_工学论文_摘要:以不同的气候条件、不同的新风方式、分内外区与否为三类基本不同条件,用正交表安排剩余因素并用DOE-2软件进行模拟计算,得出高层办公建筑空调系统设计冷负荷与全年耗冷量的统计估算指标:哈尔滨、北京、上海三城市的设计冷负荷统计估算值分别为138.3W/m2,143.9W/m2,161.4W/m2;焓控新风方式下全年耗冷量统计估算值分别为79.5kWh/(m2•a),114.5kWh/(m2•a),134.0kWh/(m2•a)。分内外区设置空调系统及采用焓控新风方式最为节能。关键词:高层办公建筑设计冷负荷全年耗冷量模拟分析新风方式内外区0引言现代高层办公楼在某些方面有许多不同于传统建筑的特点:窗面积与外墙面积的比值高;使用新型的墙体材料与玻璃;内部照明、设备的散热量大;一般有周边区与内区之分等。这些都影响着空调负荷的大小和特性。高层办公建筑最常见的平面布局为中央型核心式布局[1](核心式是指把楼梯间、电梯间及前室、卫生间、开水间等这些交通枢纽和必要的公共服务房间集中到一起;中央型是指核心部位位于标准层的中部),本文运用建筑能耗分析软件DOE-2[2]对哈尔滨、北京、上海(可代表三个建筑热工分区)三城市的此类高层办公建筑空调系统设计冷负荷与全年耗冷量进行模拟与分析。考虑到高层建筑的主体是标准层,本第2页共12页第1页共12页编号:时间:2021年x月x日书山有路勤为径,学海无涯苦作舟页码:第2页共12页文近似建筑的各层功能与办公标准层相同。1模拟方案设计1.1基本条件城市不同(代表不同的建筑热工分区)、过渡季新风方式不同(对过渡季负荷产生重大影响),设计冷负荷与全年耗冷量的计算结果就会不同。故将以不同的城市、不同的过渡季新风方式为两类基本不同条件。为简化起见,只研究标准层形状为方形的情形,标准层方位取正S-N或正E-W。当标准层面积较大时,把标准层分为四周型外区与内区,内外区分用两套空调系统;当标准层面积较小时不分内外区、只用一套空调系统。是否分区也作为一类基本不同条件提出来。1.2正交表安排与水平取值由于正交试验方法[3]具有优选安排模拟、减少模拟次数、简化分析过程、提高分析可靠性等优点,本文将用其来安排模拟试验。在正交试验中欲考察的因素称为因子;每个因子在考察范围内分成若干个等级,将等级称为水平,在正交表中用“1”、“2”等数字表示。剩下与负荷(直接地是与逐时负荷)有关的因素共11个:墙类型、窗类型、室温、人员密度、灯光散热、设备散热、新风指标、层高、窗墙比、标准层面积、进深(分内外区时)。第3页共12页第2页共12页编号:时间:2021年x月x日书山有路勤为径,学海无涯苦作舟页码:第3页共12页本文取各因子等水平数2。因为不作方差分析,故不考虑交互作用,各单因子安排可随机。正交试验安排及水平取值见表1、表2。试验号墙类型窗类型室内温度人员密度灯光散热设备散热新风指标层高窗墙比标准层面积进深1234567891011111111111111211111222222311222111222412122122112512212212121612221221211721221122121821212221112921122212211102221111221211221212111221222112121221注:分内外区(大标准层面积)时完全套用本表;不分内外区(小标准层面积)时无进深,第11列置空。因子水平1水平2墙类型哈尔滨300mm厚页岩陶粒空心砌块,外贴120厚实心砖,K=0.83W/(m2·K)300mm厚页岩陶粒空心砌块,K=1.03W/(m2·K)北京300mm厚页岩陶粒空心砌块,K=1.03W/(m2·K)200mm厚加气混凝土,K=1.36W/(m2·K)上海200mm厚KM非承重空心砖,孔隙率>25%,K=1.67W/(m2·K)240mm厚KP承重多孔砖,孔隙率<25%,K=1.91W/(m2·K)窗类型哈尔滨北京5F+12A+5L,K=1.96W/(m2·K),Cs=0.625F+12A+5F,K=3.09W/(m2·K),Cs=0.78上海10mm镀膜热反射玻璃,K=5.45W/(m2·K),Cs=0.496mm透明浮法玻璃,K=5.78W/(m2·K),Cs=0.89夏季设2427第4页共12页第3页共12页编号:时间:2021年x月x日书山有路勤为径,学海无涯苦作舟页码:第4页共12页计室温(℃)人员密度(p/m2)0.250.125灯光散热(W/m2)2030设备...

1、当您付费下载文档后,您只拥有了使用权限,并不意味着购买了版权,文档只能用于自身使用,不得用于其他商业用途(如 [转卖]进行直接盈利或[编辑后售卖]进行间接盈利)。
2、本站所有内容均由合作方或网友上传,本站不对文档的完整性、权威性及其观点立场正确性做任何保证或承诺!文档内容仅供研究参考,付费前请自行鉴别。
3、如文档内容存在违规,或者侵犯商业秘密、侵犯著作权等,请点击“违规举报”。

碎片内容

高层办公建筑空调设计冷负荷与全年耗冷量模拟分析_工程建筑论文

确认删除?
VIP
微信客服
  • 扫码咨询
会员Q群
  • 会员专属群点击这里加入QQ群
客服邮箱
回到顶部