电脑桌面
添加小米粒文库到电脑桌面
安装后可以在桌面快捷访问

预应力锚索支护分项工程质量检验评定表3VIP免费

预应力锚索支护分项工程质量检验评定表3_第1页
1/39
预应力锚索支护分项工程质量检验评定表3_第2页
2/39
预应力锚索支护分项工程质量检验评定表3_第3页
3/39
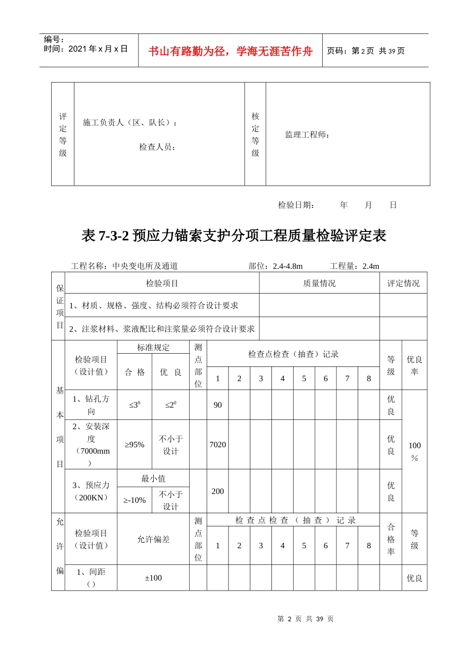
第1页共39页编号:时间:2021年x月x日书山有路勤为径,学海无涯苦作舟页码:第1页共39页表7-3-2预应力锚索支护分项工程质量检验评定表工程名称:部位:m工程量:m保证项目检验项目质量情况评定情况1、材质、规格、强度、结构必须符合设计要求2、注浆材料、浆液配比和注浆量必须符合设计要求基本项目检验项目(设计值)标准规定测点部位检查点检查(抽查)记录等级优良率合格优良123456781、钻孔方向≤30≤202、安装深度(9000mm)≥95%不小于设计3、预应力(200KN)最小值≥-10%不小于设计允许偏差项目检验项目(设计值)允许偏差测点部位检查点检查(抽查)记录合格率等级123456781、间距()±1002、排距(2000mm)100%3、孔深(9000mm)0-+200100%3、外露长度200-300100%第2页共39页第1页共39页编号:时间:2021年x月x日书山有路勤为径,学海无涯苦作舟页码:第2页共39页评定等级施工负责人(区、队长):检查人员:核定等级监理工程师:检验日期:年月日表7-3-2预应力锚索支护分项工程质量检验评定表工程名称:中央变电所及通道部位:2.4-4.8m工程量:2.4m保证项目检验项目质量情况评定情况1、材质、规格、强度、结构必须符合设计要求2、注浆材料、浆液配比和注浆量必须符合设计要求基本项目检验项目(设计值)标准规定测点部位检查点检查(抽查)记录等级优良率合格优良123456781、钻孔方向≤30≤2090优良100%2、安装深度(7000mm)≥95%不小于设计7020优良3、预应力(200KN)最小值200优良≥-10%不小于设计允许偏检验项目(设计值)允许偏差测点部位检查点检查(抽查)记录合格率等级123456781、间距()±100优良第3页共39页第2页共39页编号:时间:2021年x月x日书山有路勤为径,学海无涯苦作舟页码:第3页共39页差项目2、排距(2400mm)2400100%3、孔深(7000mm)0-+2007030100%3、外露长度200-300280100%评定等级施工负责人(区、队长):检查人员:核定等级监理工程师:检验日期:年月日表7-3-2预应力锚索支护分项工程质量检验评定表工程名称:中央变电所及通道部位:4.8-7.2m工程量:2.4m保证项目检验项目质量情况评定情况1、材质、规格、强度、结构必须符合设计要求2、注浆材料、浆液配比和注浆量必须符合设计要求基本项目检验项目(设计值)标准规定测点部位检查点检查(抽查)记录等级优良率合格优良123456781、钻孔方向≤30≤2088优良100%2、安装深度(7000mm)≥95%不小于设计7010优良3、预应力最小值201优第4页共39页第3页共39页编号:时间:2021年x月x日书山有路勤为径,学海无涯苦作舟页码:第4页共39页(200KN)良≥-10%不小于设计允许偏差项目检验项目(设计值)允许偏差测点部位检查点检查(抽查)记录合格率等级123456781、间距()±100优良2、排距(2400mm)2410100%3、孔深(7000mm)0-+2007020100%3、外露长度200-300290100%评定等级施工负责人(区、队长):检查人员:核定等级监理工程师:检验日期:年月日表7-3-2预应力锚索支护分项工程质量检验评定表工程名称:中央变电所及通道部位:7.2-9.6m工程量:2.4m保证项目检验项目质量情况评定情况1、材质、规格、强度、结构必须符合设计要求2、注浆材料、浆液配比和注浆量必须符合设计要求基本检验项目(设计值)标准规定测点部位检查点检查(抽查)记录等级优良率合格优良12345678第5页共39页第4页共39页编号:时间:2021年x月x日书山有路勤为径,学海无涯苦作舟页码:第5页共39页项目1、钻孔方向≤30≤2089优良100%2、安装深度(7000mm)≥95%不小于设计7040优良3、预应力(200KN)最小值200优良≥-10%不小于设计允许偏差项目检验项目(设计值)允许偏差测点部位检查点检查(抽查)记录合格率等级123456781、间距()±100优良2、排距(2400mm)2420100%3、孔深(7000mm)0-+2007050100%3、外露长度200-300260100%评定等级施工负责人(区、队长):检查人员:核定等级监理工程师:检验日期:年月日表7-3-2预应力锚索支护分项工程质量检验评定表工程名称:中央变电所及通道部位:9.6-12m工程量:2.4m保检验项目质量情况评定情况第6页共39页第5页共39页编号:时间:2021年x月x日书山...

1、当您付费下载文档后,您只拥有了使用权限,并不意味着购买了版权,文档只能用于自身使用,不得用于其他商业用途(如 [转卖]进行直接盈利或[编辑后售卖]进行间接盈利)。
2、本站所有内容均由合作方或网友上传,本站不对文档的完整性、权威性及其观点立场正确性做任何保证或承诺!文档内容仅供研究参考,付费前请自行鉴别。
3、如文档内容存在违规,或者侵犯商业秘密、侵犯著作权等,请点击“违规举报”。

碎片内容

预应力锚索支护分项工程质量检验评定表3

中小学文库+ 关注
实名认证
内容提供者

精品资料应用尽有

确认删除?
VIP
微信客服
  • 扫码咨询
会员Q群
  • 会员专属群点击这里加入QQ群
客服邮箱
回到顶部