电脑桌面
添加小米粒文库到电脑桌面
安装后可以在桌面快捷访问

混凝土质量通病的防治与施工(qc成果)-secretVIP免费

混凝土质量通病的防治与施工(qc成果)-secret_第1页
1/13
混凝土质量通病的防治与施工(qc成果)-secret_第2页
2/13
混凝土质量通病的防治与施工(qc成果)-secret_第3页
3/13
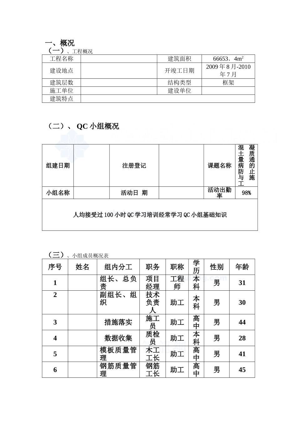
混凝土质量通病的防止与施工***建设集团有限公司二零零九年十一月一、概况(一)、工程概况工程名称建筑面积66653.4m2建设地点开竣工日期2009年8月-2010年7月建筑层数结构类型框架施工单位建设单位建筑特点(二)、QC小组概况(三)、小组成员概况表序号姓名组内分工职务职称学历性别年龄1组长、总负责项目经理工程师本科男312副组长、组织技术负责人助工本科男303措施落实施工员助工高中男444数据收集质检员助工本科男285模板质量管理木工工长助工高中男416钢筋质量管理钢筋工长助工高中男45组建日期注册登记课题名称混凝土质量通病的防止与施工小组名称活动日期活动出勤率98%人均接受过100小时QC学习培训经常学习QC小组基础知识7混凝土质量管理混凝土工长助工高中男42二、选择课题(一)、本工程为一栋公共建筑工程,占地面积比较大,建设单位对混凝土质量要求又比较高,故混凝土质量就显得特别重要。因此小组人员认为下决心一定把混凝土质量控制好。(二)、选择突破口1、提出突破口针对如何保证大面积混凝土结构混凝土质量这一问题,应从哪方面入手解决,小组成员召开碰头会议,充分发挥各自的丰富的想象能力,提出自己的想法和意见后,整理如下:序号名称现象1蜂窝混凝土结构局部出现酥松、砂浆少、石子多、石子之间形成空隙类似蜂窝状的窟窿2麻面混凝土局部表面出现缺浆和许多小凹坑、麻点,形成粗糙面,但无钢筋外漏现象3孔洞混凝土结构内部有尺寸较大的空隙,局部没有混凝土或蜂窝特别大,钢筋局部裸露或全部裸露4漏筋混凝土内部主筋、副筋或箍筋局部裸露在结构构件表面5缝隙、夹层混凝土内成层存在水平或垂直的松散混凝土6缺棱掉角结构或构件边角处混凝土局部掉落,不规则,棱角有缺陷7表面不平整混凝土表面凹凸不平,或板厚薄不一,表面不平8强度不够、均质性差同批混凝试块的抗压强度平均值低于设计要求强度等级9烂脖子基础、柱、墙混凝土浇筑后,与基础、柱台阶或柱、墙底板交接处,出现蜂窝状空隙,台阶或根部混凝土被挤隆起的现象10疏松、脱落混凝土结构、构件浇筑脱模后,表面出现酥松、剥落等情况,表面强度比内部要低很多11松散混凝土柱、墙、基础浇筑后,在距顶面50~100mm高度内出现粗糙、松散,有明显的颜色变化,内部出现多孔性,基本上是砂浆,无石子分布其中,强度较下部为低,影响结构的受力性能和耐久性,经不起外力冲击和磨损12凹凸、鼓胀柱、墙、梁等混凝土表面出现凹凸饿鼓胀,偏差超过允许值13干缩、裂缝14温度裂缝2、结果分析:从上表看出,可以保证此大面积结构混凝土的质量有以下突破口:序号名称分析1蜂窝混凝土配合比不当或砂、石子、水泥材料加水量不准,造成砂浆少、石子多混凝土搅拌时间不够,未拌和均匀,和易性差,振捣不密实下料不当或下料过高,未设串筒使石子集中,造成石子砂浆离析混凝土未分层下料,振捣不实,或漏振,或振捣时间不够模板分隙未堵严,水泥浆流失钢筋较密,使用的石子粒径过大或坍落度过小基础、柱、墙根部末稍加间歇就继续灌上层混凝土2麻面模板表面粗糙或沾附水泥浆渣等杂物未清理干净,拆模时混凝土表面被沾坏模板未浇水湿润或湿润不够,构件表面混凝土的水分被吸去,使混凝土失水过多出现麻面模板拼缝不严,局部漏浆模板隔离剂涂刷不均,或局部漏刷或失效,混凝土表面与模板沾接造成麻面混凝土振捣不实,气泡未排除,停在模板表面形成麻面3孔洞在钢筋较密的部位或预留孔洞和埋设件处,混凝土下料被搁住,未振捣就继续浇筑上层混凝土混凝土离析,砂浆分离,石子成堆,严重跑浆,有未进行振捣混凝土一次下料过多、过厚、下料过高,振捣器振动不到,形成松散孔洞混凝土内掉入工具、木块、泥块等杂物,混凝土被卡住4漏筋灌筑混凝土时,钢筋保护层垫块位移,或垫块太少或漏放,致使钢筋紧贴模板外漏结构构件截面小,钢筋过密,石子卡在钢筋上,使水泥砂浆不能充满钢筋周围,造成漏筋混凝土配合比不当,产生离析,靠模板部位缺浆或模板漏浆混凝土保护层太小或保护层处混凝土漏振或振捣不实;或振捣棒撞击钢筋或踩踏钢筋,使钢筋位移,造成漏筋木模板未浇水湿润,吸水粘结或脱模过早,拆模时缺棱、掉角,导致漏筋5缝隙、...

1、当您付费下载文档后,您只拥有了使用权限,并不意味着购买了版权,文档只能用于自身使用,不得用于其他商业用途(如 [转卖]进行直接盈利或[编辑后售卖]进行间接盈利)。
2、本站所有内容均由合作方或网友上传,本站不对文档的完整性、权威性及其观点立场正确性做任何保证或承诺!文档内容仅供研究参考,付费前请自行鉴别。
3、如文档内容存在违规,或者侵犯商业秘密、侵犯著作权等,请点击“违规举报”。

碎片内容

混凝土质量通病的防治与施工(qc成果)-secret

您可能关注的文档

确认删除?
VIP
微信客服
  • 扫码咨询
会员Q群
  • 会员专属群点击这里加入QQ群
客服邮箱
回到顶部