电脑桌面
添加小米粒文库到电脑桌面
安装后可以在桌面快捷访问

铁路工程控制和防止质量通病的措施VIP免费

铁路工程控制和防止质量通病的措施_第1页
1/10
铁路工程控制和防止质量通病的措施_第2页
2/10
铁路工程控制和防止质量通病的措施_第3页
3/10
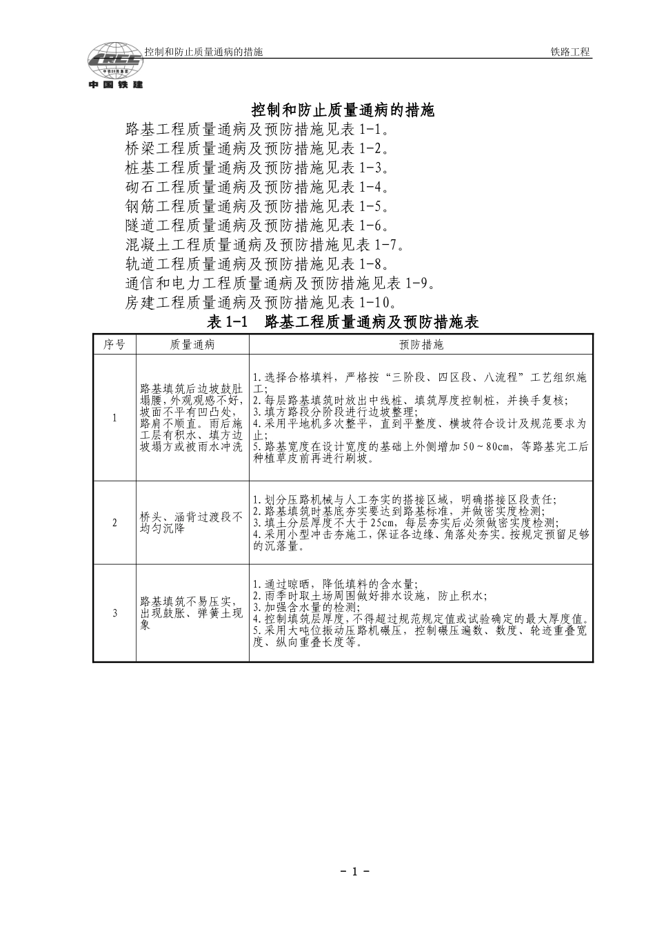
控制和防止质量通病的措施铁路工程控制和防止质量通病的措施路基工程质量通病及预防措施见表1-1。桥梁工程质量通病及预防措施见表1-2。桩基工程质量通病及预防措施见表1-3。砌石工程质量通病及预防措施见表1-4。钢筋工程质量通病及预防措施见表1-5。隧道工程质量通病及预防措施见表1-6。混凝土工程质量通病及预防措施见表1-7。轨道工程质量通病及预防措施见表1-8。通信和电力工程质量通病及预防措施见表1-9。房建工程质量通病及预防措施见表1-10。表1-1路基工程质量通病及预防措施表序号质量通病预防措施1路基填筑后边坡鼓肚塌腰,外观观感不好,坡面不平有凹凸处,路肩不顺直。雨后施工层有积水、填方边坡塌方或被雨水冲洗1.选择合格填料,严格按“三阶段、四区段、八流程”工艺组织施工;2.每层路基填筑时放出中线桩、填筑厚度控制桩,并换手复核;3.填方路段分阶段进行边坡整理;4.采用平地机多次整平,直到平整度、横坡符合设计及规范要求为止;5.路基宽度在设计宽度的基础上外侧增加50~80cm,等路基完工后种植草皮前再进行刷坡。2桥头、涵背过渡段不均匀沉降1.划分压路机械与人工夯实的搭接区域,明确搭接区段责任;2.路基填筑时基底夯实要达到路基标准,并做密实度检测;3.填土分层厚度不大于25cm,每层夯实后必须做密实度检测;4.采用小型冲击夯施工,保证各边缘、角落处夯实。按规定预留足够的沉落量。3路基填筑不易压实,出现鼓胀、弹簧土现象1.通过晾晒,降低填料的含水量;2.雨季时取土场周围做好排水设施,防止积水;3.加强含水量的检测;4.控制填筑层厚度,不得超过规范规定值或试验确定的最大厚度值。5.采用大吨位振动压路机碾压,控制碾压遍数、数度、轮迹重叠宽度、纵向重叠长度等。-1-控制和防止质量通病的措施铁路工程表1-2桥梁工程质量通病及预防措施表序号质量通病预防措施1混凝土表面不平整,出现气泡、漏浆(砂)、水纹、错台等1.采用整体模板,其平整度符合要求,并加固牢靠;2.圆端型桥墩进行模板设计,加强支撑检查;3.严格按规定串筒下料,减少混凝土对模板的冲击力;4.优化混凝土配合比,提高工作性能;5.模板接缝处要夹双面胶条,保证接缝严密;6.安排有经验的捣固工振捣混凝土。2墩台预埋U型螺栓位置不准确,外露长度不一1.认真放样钻洞,保证模板孔位准确;2.严格控制模板标高,加强支撑,保证不跑模;3.预埋U型螺栓时,内侧用小钢筋点焊固定,外侧用螺帽固定,点焊前要认真检查外露长度。同时,外露部分要涂黄油并用牛皮纸或塑料布包裹。3桥梁栏杆安装不垂直、不平顺1.栏杆制作,要针对现场实际情况,对号制作,安装时对号入座;2.栏杆钻孔要采用钻机进行,达到准确无误,严禁氧烧气割现象;3.安装时,要进行严格的自检,特别是对支架检查要更精细些;4.梁与梁,梁与台的分离处,要注意预留栏杆及串筒的伸缩缝;5.上下检查梯口处的杆件采用椭圆孔连接。-2-控制和防止质量通病的措施铁路工程表1-3桩基工程质量通病及预防措施表序号质量通病预防措施1孔底沉渣过厚1.选用合适的清孔工艺;2.灌注水下混凝土前再次检查孔底沉淀厚度,进行二次清孔。2孔径不足1.选用合适的钻头直径;2.流塑性地基土变形造孔时,宜放慢进尺,加大泥浆比重等;3.经常检查钻头直径,防止磨损过大而不符合要求。3钢筋笼变形、位置偏差大1.钢筋笼较大时,应设Φ16或Φ18加强箍,间距2~2.5m;2.钢筋笼过长时应大吨位吊机整体吊装;3.设置足够的环状混凝土或砂浆垫块控制保护层厚;4.改变孔口固定钢筋笼的方法,使其与钢护筒之间不产生移动。4桩身缩颈、夹泥1.严格控制混凝土的坍落度和和易性;2.连续灌注,每次灌注量不宜太小,成桩时间不能太长;3.导管埋入混凝土不得小于2m,导管不准漏水,导管第一节底管长度应≥4m;4.钢筋笼主筋接头焊平;5.导管法兰连接处罩以圆锥型铁皮罩,防止提管时挂住钢筋笼。-3-控制和防止质量通病的措施铁路工程表1-4砌石工程质量通病及预防措施表序号质量通病预防措施1浆砌石通缝1.加强石料挑选工作,注意石块左右、上下、前后的交搭,必须将砌缝错开,特别注意相邻的上下层错开;2.砌筑时将砌缝错开,禁止重缝,如遇重缝另选石料更换调整,转角...

1、当您付费下载文档后,您只拥有了使用权限,并不意味着购买了版权,文档只能用于自身使用,不得用于其他商业用途(如 [转卖]进行直接盈利或[编辑后售卖]进行间接盈利)。
2、本站所有内容均由合作方或网友上传,本站不对文档的完整性、权威性及其观点立场正确性做任何保证或承诺!文档内容仅供研究参考,付费前请自行鉴别。
3、如文档内容存在违规,或者侵犯商业秘密、侵犯著作权等,请点击“违规举报”。

碎片内容

铁路工程控制和防止质量通病的措施

您可能关注的文档

书海行舟+ 关注
实名认证
内容提供者

热爱教学事业,对互联网知识分享很感兴趣

确认删除?
VIP
微信客服
  • 扫码咨询
会员Q群
  • 会员专属群点击这里加入QQ群
客服邮箱
回到顶部