电脑桌面
添加小米粒文库到电脑桌面
安装后可以在桌面快捷访问

技术偏离表1VIP免费

技术偏离表1_第1页
1/8
技术偏离表1_第2页
2/8
技术偏离表1_第3页
3/8
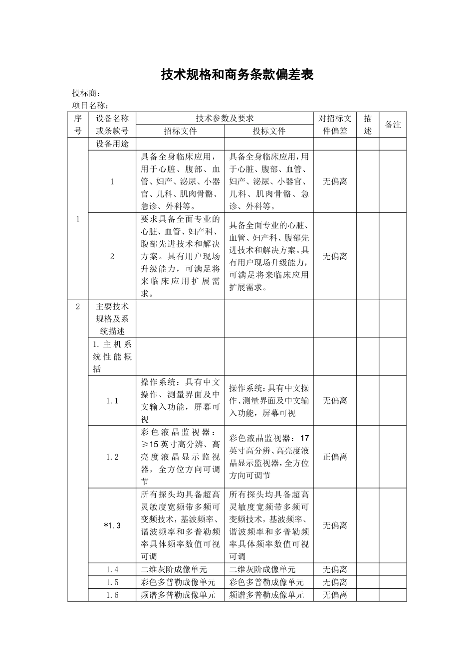
技术规格和商务条款偏差表投标商:项目名称:序号设备名称或条款号技术参数及要求对招标文件偏差描述备注招标文件投标文件1设备用途1具备全身临床应用,用于心脏、腹部、血管、妇产、泌尿、小器官、儿科、肌肉骨骼、急诊、外科等。具备全身临床应用,用于心脏、腹部、血管、妇产、泌尿、小器官、儿科、肌肉骨骼、急诊、外科等。无偏离2要求具备全面专业的心脏、血管、妇产科、腹部先进技术和解决方案。具有用户现场升级能力,可满足将来临床应用扩展需求。具备全面专业的心脏、血管、妇产科、腹部先进技术和解决方案。具有用户现场升级能力,可满足将来临床应用扩展需求。无偏离2主要技术规格及系统描述1.主机系统性能概括1.1操作系统:具有中文操作、测量界面及中文输入功能,屏幕可视操作系统:具有中文操作、测量界面及中文输入功能,屏幕可视无偏离1.2彩色液晶监视器:≥15英寸高分辨、高亮度液晶显示监视器,全方位方向可调节彩色液晶监视器:17英寸高分辨、高亮度液晶显示监视器,全方位方向可调节正偏离*1.3所有探头均具备超高灵敏度宽频带多频可变频技术,基波频率、谐波频率和多普勒频率具体频率数值可视可调所有探头均具备超高灵敏度宽频带多频可变频技术,基波频率、谐波频率和多普勒频率具体频率数值可视可调无偏离1.4二维灰阶成像单元二维灰阶成像单元无偏离1.5彩色多普勒成像单元彩色多普勒成像单元无偏离1.6频谱多普勒成像单元频谱多普勒成像单元无偏离1.7多普勒能量图,方向性能量图多普勒能量图,方向性能量图无偏离1.8连续多普勒成像单元连续多普勒成像单元无偏离*1.9组织多普勒成像单元:包括能量多普勒、组织频谱多普勒成像单元组织多普勒成像单元:包括能量多普勒、组织频谱多普勒成像单元无偏离1.10彩色M型成像单元彩色M型成像单元无偏离*1.11空间符合成像技术,分档位可视可调节,可用于凸阵、腔内探头(≥5线,要求附曲别针图像证明)空间符合成像技术,分档位可视可调节,可用于凸阵、腔内探头(≥5线)无偏离图像见参数下方1.12组织谐波成像组织谐波成像无偏离1.13实时三同步技术,支持相控阵探头、凸阵探头和线阵探头实时三同步技术,支持相控阵探头、凸阵探头和线阵探头无偏离1.14二维彩色双实时现象技术二维彩色双实时现象技术无偏离*1.15具有二维省束偏转技术:在二维模式下,可实现超声声束独立、左右多角度偏转具有二维省束偏转技术:在二维模式下,可实现超声声束独立、左右多角度偏转无偏离*1.16具备梯形成像功能,单侧扩展可达15度具备梯形成像功能,单侧扩展可达21度正偏离*1.17具有侧向增益补偿功能具有侧向增益补偿功能无偏离1.18斑点噪声去除技术斑点噪声去除技术无偏离1.19具有360度B型心功能测量技术,实现二维模式下心功能的测定具有360度B型心功能测量技术,实现二维模式下心功能的测定无偏离1.20智能化自编程预设置功能:针对不同的检查脏器预置最佳优化图像的检查前条件智能化自编程预设置功能:针对不同的检查脏器预置最佳优化图像的检查前条件无偏离1.21预设置:针对不同的临床应用预先设置最佳的图像优化检查条件预设置:针对不同的临床应用预先设置最佳的图像优化检查条件无偏离1.22一体化超声工作站:可进行动静态图像的采集、存储、回访和传一体化超声工作站:可进行动静态图像的采集、存储、回访和传输无偏离输2测量和分析(B型、M型、频谱多普勒、彩色多普勒)测量和分析(B型、M型、频谱多普勒、彩色多普勒)无偏离2.1一般测量(距离、面积、周长、容积、角度、时间、斜率、心率、流速、压力、流速比等)一般测量(距离、面积、周长、容积、角度、时间、斜率、心率、流速、压力、流速比等)无偏离2.2多普勒血流测量及分析:实时自动多普勒频谱分析多普勒血流测量及分析:实时自动多普勒频谱分析无偏离2.3心脏功能测量与分析:标准测量和计算包括左室容积、舒张功能;二维和M-型模式上进行左房容积测量和左室收缩和舒张功能的评估;dP/dt压力阶差上升速率,进行左、右心室收缩功能的评估;PISA血流汇聚法测量反流瓣口的面积心脏功能测量与分析:标准测量和计算包括左室容积、舒张功能;二维和M-型模式上进行左房容积测量和左...

1、当您付费下载文档后,您只拥有了使用权限,并不意味着购买了版权,文档只能用于自身使用,不得用于其他商业用途(如 [转卖]进行直接盈利或[编辑后售卖]进行间接盈利)。
2、本站所有内容均由合作方或网友上传,本站不对文档的完整性、权威性及其观点立场正确性做任何保证或承诺!文档内容仅供研究参考,付费前请自行鉴别。
3、如文档内容存在违规,或者侵犯商业秘密、侵犯著作权等,请点击“违规举报”。

碎片内容

技术偏离表1

确认删除?
VIP
微信客服
  • 扫码咨询
会员Q群
  • 会员专属群点击这里加入QQ群
客服邮箱
回到顶部