电脑桌面
添加小米粒文库到电脑桌面
安装后可以在桌面快捷访问

焊接工艺规范及操作规程VIP专享VIP免费

焊接工艺规范及操作规程_第1页
1/9
焊接工艺规范及操作规程_第2页
2/9
焊接工艺规范及操作规程_第3页
3/9
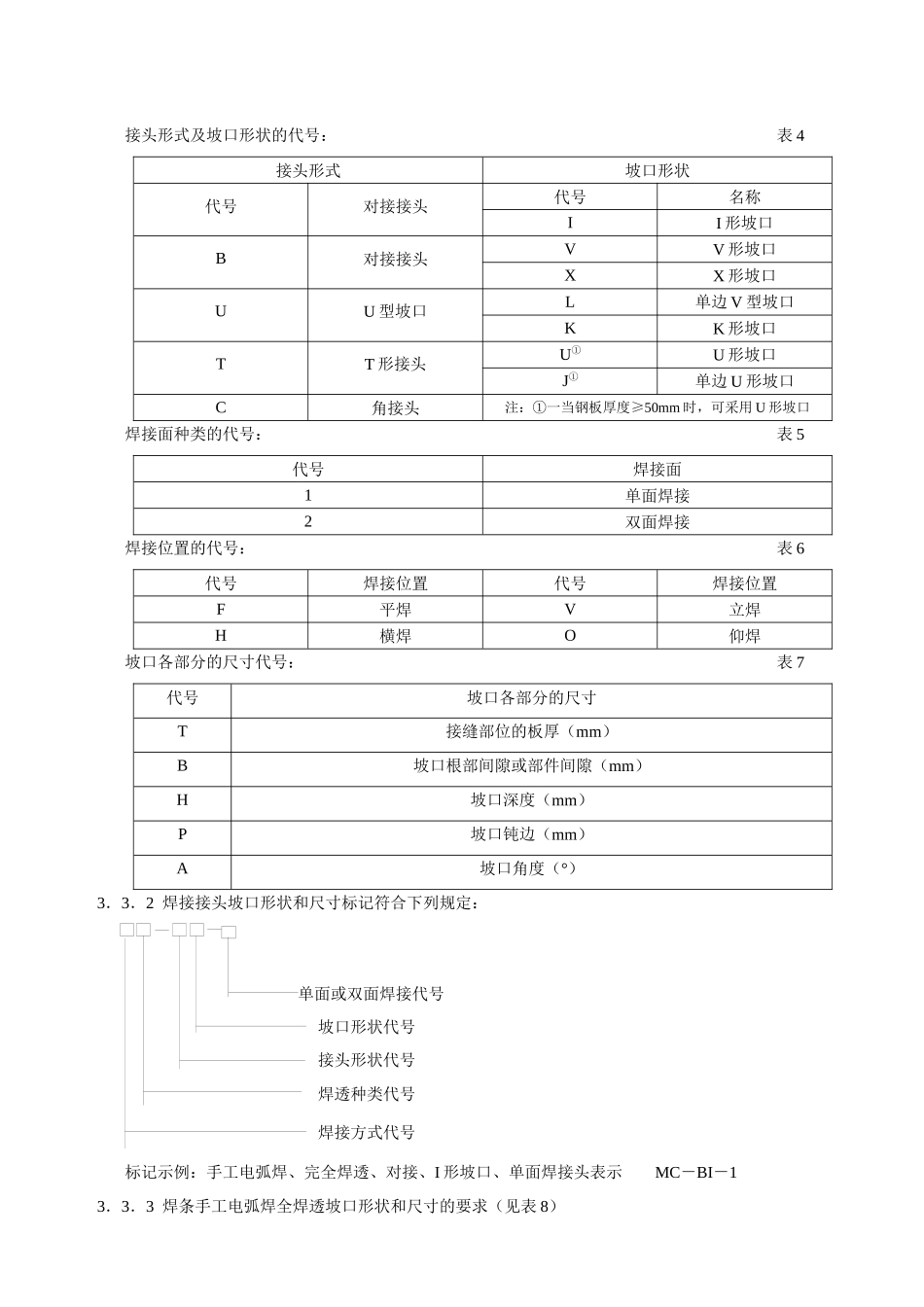
焊接工艺规范及操作规程1.目的和适用范围1.1本规范对本公司特殊过程――焊接过程进行控制,做到技术先进、经济合理、安全适用、确保质量。1.2本规范适用于各类铁塔结构、桁架结构、多层和高层梁柱框架结构等工业与民用建筑和一般构筑物的钢结构工程中,钢材厚度≥4mm的碳素结构钢和低和金高强度结构钢的焊接。适用的焊接方法包括:手工电弧焊、气体保护焊、埋弧焊及相应焊接方法的组合。2.本规范引用如下标准:JGJ81-2002《建筑钢结构焊接技术规程》GB50205-2001《钢结构工程施工质量验收规范》GB50017-2003《钢结构设计规范》3.焊接通用规范3.1焊接设备3.1.1焊接设备的性能应满足选定工艺的要求。3.1.2焊接设备的选用:手工电弧焊选用ZX3-400型、BX1-500型焊机CO2气体保护焊选用KRⅡ-500型、HKR-630型焊机埋弧自动焊选用ZD5(L)-1000型焊机3.2焊接材料3.2.1焊接材料的选用应符合设计图纸的要求,并应具有钢厂和焊接材料厂出具的质量证明书或检验报告;其化学成份、力学性能和其它质量要求必须符合国家现行标准规定。3.2.2焊条应符合现行国家标准《碳钢焊条》(GB/T5117),《低合金钢焊条》(GB/T5118)的规定。3.2.3焊丝应符合现行国家标准《熔化焊用钢丝》(GB/T14957)、《气体保护电弧焊用碳钢、低合金钢焊丝》(GB/T8110)及《碳钢药芯焊丝》(GB/T10045)、《低合金钢药芯焊丝》(GB/T17493)的规定。3.2.4埋弧焊用焊丝和焊剂应符合现行国家标准《埋弧焊用碳钢焊丝和焊剂》(GB/T5293)、《低合金钢埋弧焊用焊剂》(GB/T12470)的规定。3.2.5气体保护焊使用的CO2气体应符合国家的现行标准《焊接用二氧化碳》(HG/T2537)的规定,大型、重型及特殊钢结构工程中主要构件的重要焊接节点采用的CO2气体质量应符合该标准中优等品的要求,即其CO2含量(V/V)不得低于99.9%,水蒸气与乙醇总含量(m/m)不得高于0.005%,并不准检出液态水。3.2.6焊缝金属应与主体金属相适应。当不同强度的钢材连接时,可采用与低强度钢材相适应的焊接材料。(1)焊条型号应与母材匹配(按表1),低碳钢一般选用E43系列中各种型号的焊条。一般焊条直径(按表2)选择。低合金高强度钢焊条一般应选用低氢型焊条(E50系列),低合金高强度钢与其它钢焊接,焊条采用E43系列。焊条的选用:表1焊材母材质材Q23520#Q345备注Q235E43xxE43xxE43xx20#E43xxE43xxE43xxQ345E43xxE43xxE50xx焊条直径的选择:表2被焊工件厚度(mm)4~78~12≥13焊条直径(mm)φ3.2~4φ4~5φ4~5.8(2)CO2气体保护焊焊接Q235钢采用H08Mn2A焊丝,CO2气体纯度不低于99.5%,其含水量不超过0.005%,对于瓶装气体,当瓶内气体压力低于1Mpa时应停止使用。(3)自动或半自埋弧焊接Q235钢时可采用H08A、焊丝焊接Q345钢时采用H10Mn2焊丝。焊剂采用HJ431。3.3各种焊接方法及接头坡口形状尺寸3.3.1各种焊接方法及接头坡品形状尺寸和标记a)焊接方法及焊透种类代号见表3b)接头形式及坡口形状代号见表4c)焊接面种类代号见表5d)焊接位置代号见表6e)坡口各部分尺寸代号见表7焊接方法及焊透种类代号:表3代号焊接方法焊透种类MC手工电弧焊完全焊透焊接MP部分焊透焊接GC气体保护电弧焊接完全焊透焊接GP部分焊透焊接SC埋弧焊接完全焊透焊接SP部分焊透焊接接头形式及坡口形状的代号:表4接头形式坡口形状代号对接接头代号名称II形坡口B对接接头VV形坡口XX形坡口UU型坡口L单边V型坡口KK形坡口TT形接头U①U形坡口J①单边U形坡口C角接头注:①一当钢板厚度≥50mm时,可采用U形坡口焊接面种类的代号:表5代号焊接面1单面焊接2双面焊接焊接位置的代号:表6代号焊接位置代号焊接位置F平焊V立焊H横焊O仰焊坡口各部分的尺寸代号:表7代号坡口各部分的尺寸T接缝部位的板厚(mm)B坡口根部间隙或部件间隙(mm)H坡口深度(mm)P坡口钝边(mm)A坡口角度(°)3.3.2焊接接头坡口形状和尺寸标记符合下列规定:标记示例:手工电弧焊、完全焊透、对接、I形坡口、单面焊接头表示MC-BI-13.3.3焊条手工电弧焊全焊透坡口形状和尺寸的要求(见表8)焊透种类代号单面或双面焊接代号坡口形状代号接头形状代号焊接方式代号3...

1、当您付费下载文档后,您只拥有了使用权限,并不意味着购买了版权,文档只能用于自身使用,不得用于其他商业用途(如 [转卖]进行直接盈利或[编辑后售卖]进行间接盈利)。
2、本站所有内容均由合作方或网友上传,本站不对文档的完整性、权威性及其观点立场正确性做任何保证或承诺!文档内容仅供研究参考,付费前请自行鉴别。
3、如文档内容存在违规,或者侵犯商业秘密、侵犯著作权等,请点击“违规举报”。

碎片内容

焊接工艺规范及操作规程

确认删除?
VIP
微信客服
  • 扫码咨询
会员Q群
  • 会员专属群点击这里加入QQ群
客服邮箱
回到顶部