电脑桌面
添加小米粒文库到电脑桌面
安装后可以在桌面快捷访问

QS审核检查表解读VIP免费

QS审核检查表解读_第1页
1/27
QS审核检查表解读_第2页
2/27
QS审核检查表解读_第3页
3/27
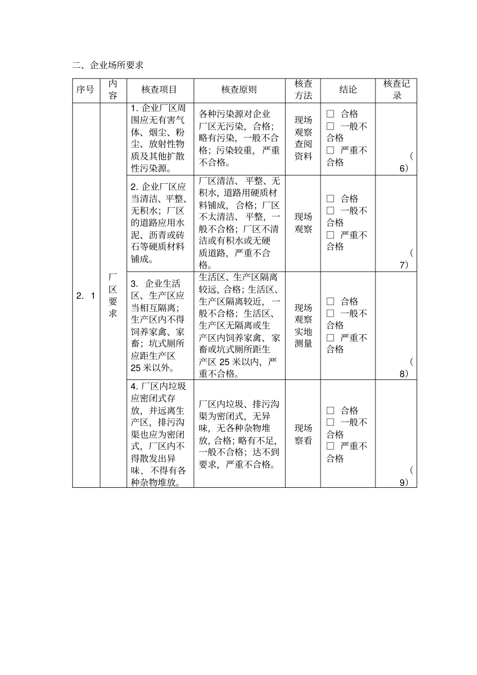
QS审核检查表发布者:管理员发布时间:2008-4-2114:11:16阅读:60次使用说明1.本核查表适用于对食品生产加工企业必备条件的现场核查评价。2.本核查表分为:质量管理职责、企业场所要求、生产资源提供、采购质量控制、过程质量管理、产品质量检验6个部分,共42个核查项目。每一个核查项目的结论为“合格”、“一般不合格”或“严重不合格”。3.在42个核查项目中,车间要求(2.2.1)、生产布局(2.2.4)、生产设备(3.1.1)、设备清洗(3.1.3)、企业标准(3.3.2)、采购验证(4.3)、质量控制(5.2)、检验设备(6.1.1)等8项为重点项目,在表中加“*”表示。4.核查组依据本核查表和相应的审查细则对食品生产加工企业进行现场核查。核查工作结束后,核查组应当填写《食品生产加工企业必备条件现场核查报告》,核查结论分为:“合格(A级)”、“合格(B级)”、“合格(C级)”或者“不合格”。确定核查结论应当依据以下原则:核查结论严重不合格项一般不合格项其中:重点项目一般不合格项备注合格(A级)0≤20三项均满足方可判定合格(B级)0≤42三项均满足方可判定≤51三项均满足方可判定≤60三项均满足方可判定合格(C级)0≤8≤4三项均满足方可判定不合格≥1>8>4有一项满足即可判定注:确定合格等级时,按照A级→B级→C级的顺序进行判定。5.核查组应当将在企业查出的不合格项,填写到《食品生产加工企业不合格项改进表》中,并要求企业尽快进行纠正或采取纠正措施。同时将不合格项的分布情况填写到《食品生产加工企业必备条件现场核查报告》中。一、质量管理职责一、质量管理职责序号内容核查项目核查原则核查方法结论核查记录1.1组织领导1.企业领导中至少有一人全面负责企业的质量工作。企业规定了某领导负责企业的质量工作,该领导履行了其职责,合格;该领导履行其职责不太好,一般不合格;企业未规定某领导负责企业的质量工作或该领导未履行其职责,严重不合格。座谈了解查阅文件查阅记录□合格□一般不合格□严重不合格(1)2.企业应设置相应的质量管理机构或人员,负责质量管理体系的建立、实施和保持工作。企业有机构或专(兼)职人员负责质量管理工作,工作开展的较好,合格;工作开展的一般,一般不合格;企业无人员负责企业的质量管理工作,严重不合格。查阅文件查阅记录□合格□一般不合格□严重不合格(2)1.2质量目标企业应制定明确的质量目标,并贯彻实施。有明确的质量目标并贯彻落实很好,合格;有明确的质量目标但贯彻落实不太好,一般不合格;无明确的质量目标或有质量目标未贯彻落实,严重不合格。查阅文件查阅记录座谈了解□合格□一般不合格□严重不合格(3)1.3管理职责1.企业应制定规定各有关部门质量职责、权限的管理制度。制定了规定各关部门质量职责、权限的管理制度,而且规定的很合理,合格;规定的不太合理,一般不合格;没制定部门质量管理制度或制定了部门质量管理制度但规定的不合理,严重不合格。查阅文件座谈了解□合格□一般不合格□严重不合格(4)2.企业应当制定不合格管理办法,对企业出现的各种不合格及时进行纠正或采取纠正措施。制定了不合格管理办法,对各种不合格及时进行了纠正或采取了纠正措施,合格;在不合格项纠正或纠正措施中存在着不足,一般不合格;未制定不合格管理办法或在不合格项纠正或纠正措施中存在着严重不足,严重不合格。查阅文件查阅记录□合格□一般不合格□严重不合格(5)二、企业场所要求序号内容核查项目核查原则核查方法结论核查记录2.1厂区要求1.企业厂区周围应无有害气体、烟尘、粉尘、放射性物质及其他扩散性污染源。各种污染源对企业厂区无污染,合格;略有污染,一般不合格;污染较重,严重不合格。现场观察查阅资料□合格□一般不合格□严重不合格(6)2.企业厂区应当清洁、平整、无积水;厂区的道路应用水泥、沥青或砖石等硬质材料铺成。厂区清洁、平整、无积水,道路用硬质材料铺成,合格;厂区不太清洁、平整,一般不合格;厂区不清洁或有积水或无硬质道路,严重不合格。现场观察□合格□一般不合格□严重不合格(7)3.企业生活区、生产区应当相互隔离;生产区内不得饲养家禽、家...

1、当您付费下载文档后,您只拥有了使用权限,并不意味着购买了版权,文档只能用于自身使用,不得用于其他商业用途(如 [转卖]进行直接盈利或[编辑后售卖]进行间接盈利)。
2、本站所有内容均由合作方或网友上传,本站不对文档的完整性、权威性及其观点立场正确性做任何保证或承诺!文档内容仅供研究参考,付费前请自行鉴别。
3、如文档内容存在违规,或者侵犯商业秘密、侵犯著作权等,请点击“违规举报”。

碎片内容

QS审核检查表解读

您可能关注的文档

确认删除?
VIP
微信客服
  • 扫码咨询
会员Q群
  • 会员专属群点击这里加入QQ群
客服邮箱
回到顶部