电脑桌面
添加小米粒文库到电脑桌面
安装后可以在桌面快捷访问

电力营销系统重建项目实施工作计划范本VIP专享VIP免费

电力营销系统重建项目实施工作计划范本_第1页
1/9
电力营销系统重建项目实施工作计划范本_第2页
2/9
电力营销系统重建项目实施工作计划范本_第3页
3/9
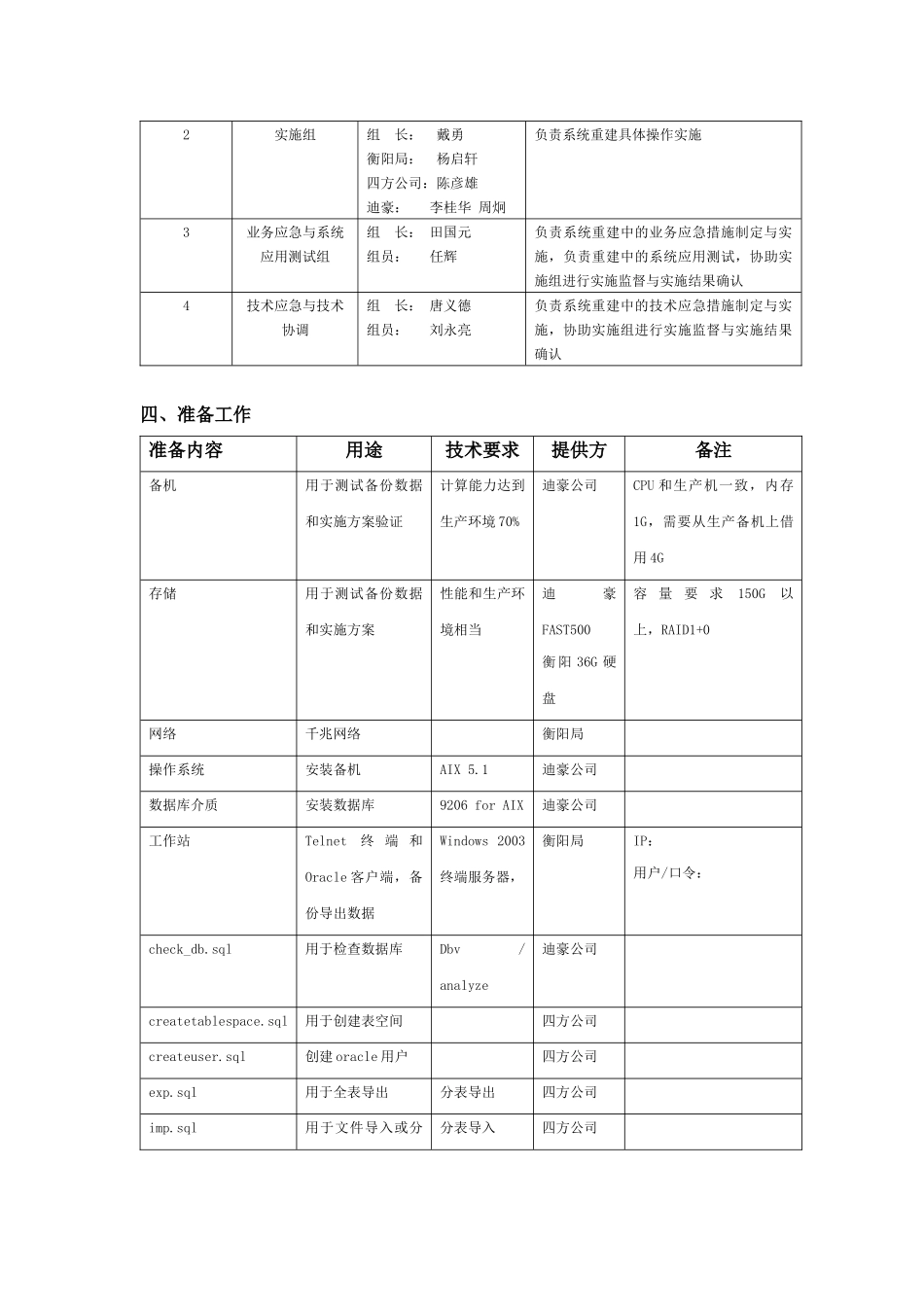
衡阳局电力营销系统重建实施工作计划一、实施方案衡阳局电力营销系统主机及ORACLE重建实施方案为先在备机上建立营销系统数据库,并经测试与原机环境一样能投入正常运行后,再对原机实施营销系统主机及ORACLE重建二、工程实施时间衡阳局电力营销系统主机及ORACLE重建实施时间为2007年9月24日8时-10月4日8时,如10月7日8时之前不能启用原机系统投入运行,就启用备机系统投入运行,待原机系统完全重建好后,再切换到原机系统三、工程实施工作人员与职责根据衡阳局营销系统主机及ORACLE重建的需要,将组成重建工程实施小组,由衡阳局信息中心和营销部、省公司信息中心、四方公司和迪豪公司组成,负责重建方案的评审,重建实施,在重建工作结束后,及时提交重建报告。3.1工作界面由于重建整个系统汲及到信息中心、营销部门、省局、上海迪豪公司、北京雅龙汉正公司、磁带库及VERITAS服务商的配合,因此,前期沟通最为重要,下面将列出各个公司的主要分工:用户方:省局和衡阳局。负责各方的协调工作及资源的调配。服务方:迪豪公司。负责AIX及HACMP、存储设备、oracle数据库的重建工作。应用开发方:四方公司。负责编写并制定出逻辑卷(裸设备)的规划及命名,尽量使tablespace的命名与LV裸设备的命名保持一致,以便简化今后的oracle维护工作。服务方配合应用开发方,负责调整ORACLE数据库的各种对象的分配,包括物化视图、INDEX、权限、存储过程等对象的分配及编译工作,包括解决应用程序与oracle之间的对接问题,为了保证系统重建后恢复应用的及时性,软件开发商应负责配合好所有与应用恢复有关的工作。磁带库及VERITAS服务商:负责从安装及配置ADICScalar100磁带库存及VERITASNETBACKUP软件。3.2工作分工工作人员具体分工如下:序号组别成员与分工职责1指挥戴勇、田国元、唐义德负责系统重建的指挥2实施组组长:戴勇衡阳局:杨启轩四方公司:陈彦雄迪豪:李桂华周炯负责系统重建具体操作实施3业务应急与系统应用测试组组长:田国元组员:任辉负责系统重建中的业务应急措施制定与实施,负责重建中的系统应用测试,协助实施组进行实施监督与实施结果确认4技术应急与技术协调组长:唐义德组员:刘永亮负责系统重建中的技术应急措施制定与实施,协助实施组进行实施监督与实施结果确认四、准备工作准备内容用途技术要求提供方备注备机用于测试备份数据和实施方案验证计算能力达到生产环境70%迪豪公司CPU和生产机一致,内存1G,需要从生产备机上借用4G存储用于测试备份数据和实施方案性能和生产环境相当迪豪FAST500衡阳36G硬盘容量要求150G以上,RAID1+0网络千兆网络衡阳局操作系统安装备机AIX5.1迪豪公司数据库介质安装数据库9206forAIX迪豪公司工作站Telnet终端和Oracle客户端,备份导出数据Windows2003终端服务器,衡阳局IP:用户/口令:check_db.sql用于检查数据库Dbv/analyze迪豪公司createtablespace.sql用于创建表空间四方公司createuser.sql创建oracle用户四方公司exp.sql用于全表导出分表导出四方公司imp.sql用于文件导入或分分表导入四方公司表导入建逻辑卷脚本用于建逻辑卷迪豪公司建裸设备脚本用于建裸设备迪豪公司HA切换脚本用于HA切换脚本数据库启动停止命令迪豪公司init.ora数据库初始化参数四方公司表空间调整脚本.sql用于表空间调整四方公司第4页共9页编号:时间:2021年x月x日书山有路勤为径,学海无涯苦作舟页码:第4页共9页五、工程实施步骤步骤工作内容工作对象工作时间与时间量工作完成责任方配合方确认方关键控制点应急与回退备注1执行全表扫描脚本。对数据文件进行全表扫描。备机环境10/214:003小时迪豪公司衡阳局信息中心衡阳局信息中心、省公司信息中心对数据逻辑坏快进行检查如发现逻辑坏快先处逻辑坏快,逻辑坏快未清除前不得备份工作2执行导出脚本,对生产环境中的数据进行全备。备机环境10/217:005小时四方公司衡阳局信息中心,迪豪公司衡阳局信息中心、省公司信息中心采用EXP备出,严格检查备出数据完整性备份数据异机保存两份3对IBMH85备机和IBMFASTT500磁盘存储进行硬件检查。备机环境10/214:00半小时迪豪公司衡阳局信息中心衡阳局信息中心、省公司信息中...

1、当您付费下载文档后,您只拥有了使用权限,并不意味着购买了版权,文档只能用于自身使用,不得用于其他商业用途(如 [转卖]进行直接盈利或[编辑后售卖]进行间接盈利)。
2、本站所有内容均由合作方或网友上传,本站不对文档的完整性、权威性及其观点立场正确性做任何保证或承诺!文档内容仅供研究参考,付费前请自行鉴别。
3、如文档内容存在违规,或者侵犯商业秘密、侵犯著作权等,请点击“违规举报”。

碎片内容

电力营销系统重建项目实施工作计划范本

教育教学文库+ 关注
实名认证
内容提供者

本店有大量的教育教学资料,课件

确认删除?
VIP
微信客服
  • 扫码咨询
会员Q群
  • 会员专属群点击这里加入QQ群
客服邮箱
回到顶部