电脑桌面
添加小米粒文库到电脑桌面
安装后可以在桌面快捷访问

电力排管施工方案54011VIP免费

电力排管施工方案54011_第1页
1/13
电力排管施工方案54011_第2页
2/13
电力排管施工方案54011_第3页
3/13
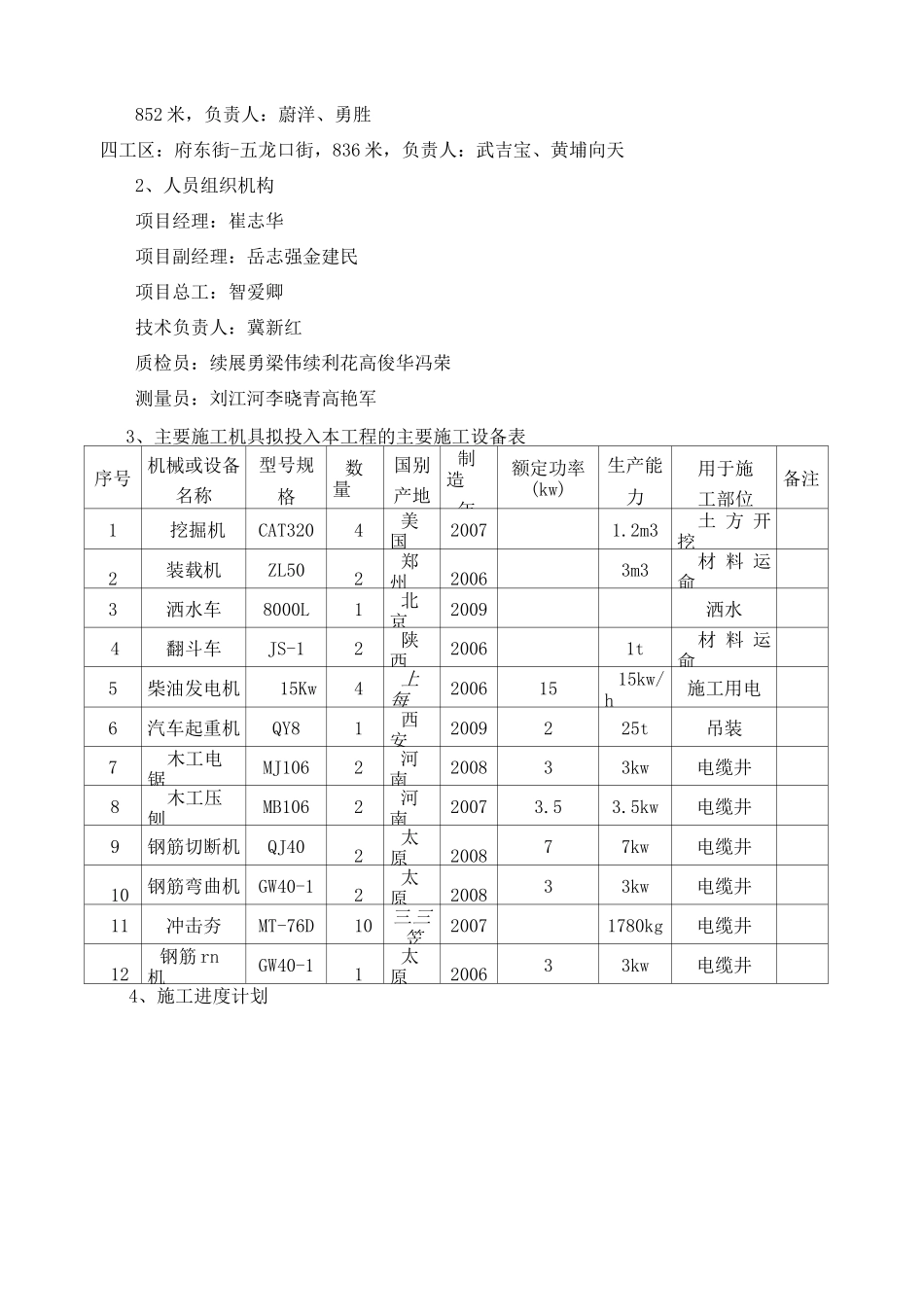
一工区:北中环街胜利街,1083米,负责人:高杨、高国峰一、工程概况本工程为敦化南北路改造工程(北中环街—五龙口街)电力排管工程,全长3.947公里,规划红线宽30米,电力管线位于道路东侧距路中心12-14米处。1、电力管线采用道路东侧做16根电缆排管,全长3936米;其中过胜利街、北沙河、迎春街、府东街需拖管,合计长419米,其他为开挖排管;跨路敷设8(16)根排管。每50米设电缆井,接入箱变及环网柜敷设8(12)根排管。新建电缆井123个。2、电缆排管采用MPP塑钢复合电缆保护管,电力管采用密封圈连接。管标准长度6米,电缆排管管枕间距1.5~2米,在电缆管接头0.5米处及距人井外壁0.5米处设管枕。3、电缆排管为混凝土包封,电缆排管管顶距地面1.5米,两电缆检查井间的排管坡度不小于5%。,回填时管中间空隙采用混凝土现浇,混凝土采用C20,排管两侧,管顶上回填土要求无杂质黄土,逐层夯实,压实系数>0.95。电缆保护管下为C20混凝土垫层150mm,混凝土采用C20,垫层下侧用三七灰土夯实厚300mm,回填土逐层夯实,压实系数>0.95,对于地下水或其他特殊地质情况待开挖后再定。4、全线检查井采用C30P8防水混凝土,要求有防水措施,检查井外围四周采用多层高分子复合卷材防水。防止沟内渗水采用5%防水剂压光抹面,厚度为15mm。5、检查井内支架采用角钢电缆支架,支架选用63X6角钢,分5层,电缆井施工时埋入电缆支架预埋件。检查井下方两侧均要求敷设-50x5接地扁钢,扁钢与支架要求焊接,井内接地扁钢与管两侧接地扁钢、井外接地网接通。各处电缆井内支架与接地线接通。在检查井两侧及排管两侧包封的混凝土内各敷设一根扁钢连接到接地网,接地网每500m敷设一处。井内两侧采用固定角钢做电缆支架,角钢需热镀锌并与排管引出的接地扁钢焊接良好。6、全线排管接口承插处方向一致,大口在北侧,小口在南侧。二、编制依据1、施工图。2《110kV~1000kV变电(换流)站土建工程施工质量验收及评定规程》/GDW183-2008三、施工组织安排1、施工区任务分工施工队由电力施工队队长负责现场施、民工的管理及安全工作。分为4个工区配备4个电力施工队伍进行施工,技术人员负责把关施工中的技术问题,施工现场负责人确保工程顺利进行。二工区:北河湾南巷-迎春街,850米,负责人:张磊、贾云三工区:迎春街-府东街,852米,负责人:蔚洋、勇胜四工区:府东街-五龙口街,836米,负责人:武吉宝、黄埔向天2、人员组织机构项目经理:崔志华项目副经理:岳志强金建民项目总工:智爱卿技术负责人:冀新红质检员:续展勇梁伟续利花高俊华冯荣测量员:刘江河李晓青高艳军3、主要施工机具拟投入本工程的主要施工设备表序号机械或设备名称型号规格数量国别产地制造年额定功率(kw)生产能力用于施工部位备注1挖掘机CAT3204美国20071.2m3土方开挖2装载机ZL502郑州20063m3材料运俞3洒水车8000L1北京2009洒水4翻斗车JS-12陕西20061t材料运俞5柴油发电机15Kw4上每20061515kw/h施工用电6汽车起重机QY81西安2009225t吊装7木工电锯MJ1062河南200833kw电缆井8木工压刨MB1062河南20073.53.5kw电缆井9钢筋切断机QJ402太原200877kw电缆井10钢筋弯曲机GW40-12太原200833kw电缆井11冲击夯MT-76D10三三笠20071780kg电缆井12钢筋rn机GW40-11太原200633kw电缆井4、施工进度计划电力排管工程施工进度计划工区工序8月9月10月11月区沟槽开挖灰土基础排管铺设浇筑电力检查井区沟槽开挖灰土基础排管铺设浇筑电力检查井区沟槽开挖灰土基础排管铺设浇筑电力检查井四区沟槽开挖灰土基础排管铺设浇筑电力检查井支架安装竣工验收四、施工准备根据现场踏勘情况、设计要求,施工组织设计的要求,进行施工准备工作。根据施工段所处的位置,摸清沿线基本情况,选择临建场地,确保供水供电。开工前由项目部技术、安全人员对施工作业人员进行安全、质量、技术、文明施工等交底工作,办好交底手续。进行地下管线交底,摸清施工区域地下管线及地下障碍物的实况,方可开挖样沟,如有影响施工的地下管线、障碍物由项目部会同相关单位一起协调解决。五、排管工程施工方法1、工艺流程:沟槽开挖f排管垫层f排管基础f排管安装f混凝土包封f电缆井制作f拆模f养护f...

1、当您付费下载文档后,您只拥有了使用权限,并不意味着购买了版权,文档只能用于自身使用,不得用于其他商业用途(如 [转卖]进行直接盈利或[编辑后售卖]进行间接盈利)。
2、本站所有内容均由合作方或网友上传,本站不对文档的完整性、权威性及其观点立场正确性做任何保证或承诺!文档内容仅供研究参考,付费前请自行鉴别。
3、如文档内容存在违规,或者侵犯商业秘密、侵犯著作权等,请点击“违规举报”。

碎片内容

电力排管施工方案54011

确认删除?
VIP
微信客服
  • 扫码咨询
会员Q群
  • 会员专属群点击这里加入QQ群
客服邮箱
回到顶部