电脑桌面
添加小米粒文库到电脑桌面
安装后可以在桌面快捷访问

厂区围墙安全技术措施VIP专享VIP免费

厂区围墙安全技术措施_第1页
1/8
厂区围墙安全技术措施_第2页
2/8
厂区围墙安全技术措施_第3页
3/8
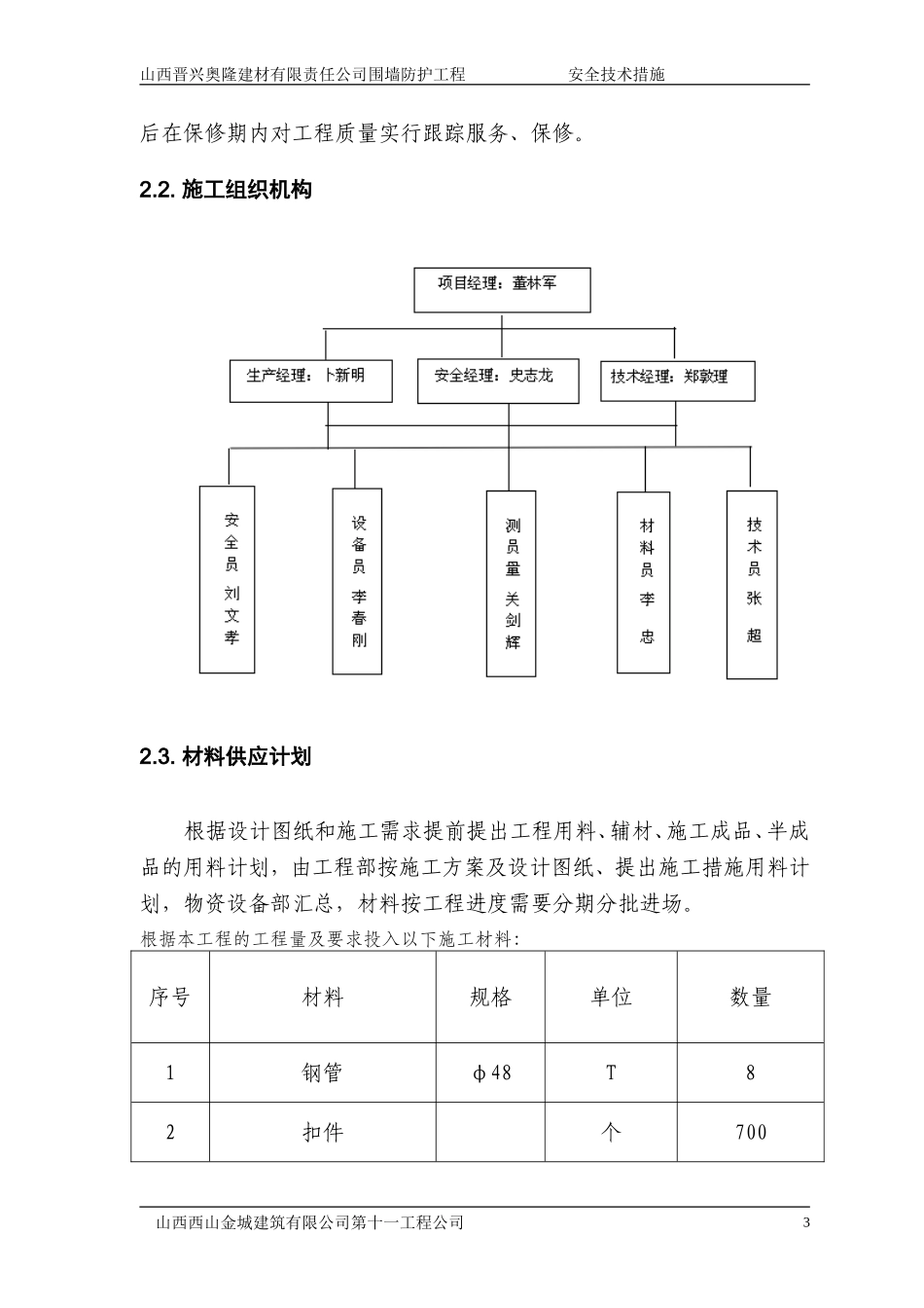
山西晋兴奥隆建材有限责任公司围墙防护工程安全技术措施目录1、工程概况...................................................................................................31.1.本工程施工特点:...........................................................................32、施工部署及管理目标...............................................................................32.1.项目管理目标...................................................................................32.2.施工组织机构...................................................................................42.3.材料供应计划...................................................................................52.4.主要施工机械设备供应计划...........................................................52.5.材料设备要求...................................................................................63、主要施工方法及措施...............................................................................63.1.施工顺序...........................................................................................63.2.施工测量...........................................................................................73.3.土方工程...........................................................................................73.4.砌体工程...........................................................................................83.5.施工工艺............................................................................................94、进度计划.................................................................................................105、质量保证措施.........................................................................................106、安全文明保证措施.................................................................................116.1.安全保证措施.................................................................................116.2.文明施工.........................................................................................12山西晋兴奥隆建材有限责任公司山西西山金城建筑有限公司第十一工程公司1山西晋兴奥隆建材有限责任公司围墙防护工程安全技术措施围墙防护工程安全技术措施1、工程概况厂区围墙断面设计为240㎜宽M7.5水泥砂浆砌MU10实心砖,清水砖墙饰面,围墙勒脚做法水泥砂浆墙面,砖砌墙体高度为2400㎜(含墙体压顶),基础采用砖基础,基础埋深为1600mm,地基为自然土密实地基。隔离栅栏高度为1800mm,基础为600*600*1000mmC20混凝土基础,立柱为80*80mm方钢,边框为30*20*2mm角钢,网片为3.5mm钢丝,立杆间距为3m。1.1.本工程施工特点:一、工程量大,施工面呈线状布置,施工组织分散,绝大部分区域材料运输不便、施工用水困难、施工需细致对待,排好施工顺序。二、因施工区域位于厂区边缘,临近厂区护坡,作业线长,需采取特殊的安全保卫措施。2、施工部署及管理目标2.1.项目管理目标2.1.1.工程质量目标分部工程合格率100%,优良率98%,工程质量全部达到国家和部颁质量检验评定“优良级”标准。2.1.2.工期目标采取先施工无交叉施工段,先结构后装修的施工方法,尽量避免窝工,以保证正常施工工期。根据本工程的特点分五个施工阶段,即:土方施工阶段;基础、墙体施工阶段;栅栏安装;竣工收尾阶段。2.1.3.安全生产目标1、杜绝人身伤亡事故;2、杜绝重大设备损坏事故;3、杜绝重大火灾事故;4、杜绝交通责任事故。2.1.4.工程技术资料管理目标与工程建设同步归档,采用计算机管理,做到资料齐全、准确、工整满足规范的要求。2.1.5.服务目标积极与建设单位、监理单位配合,顾全大局,服从调度,在工程竣工山西西山金城建筑有限公司第十一工程公司2山西晋...

1、当您付费下载文档后,您只拥有了使用权限,并不意味着购买了版权,文档只能用于自身使用,不得用于其他商业用途(如 [转卖]进行直接盈利或[编辑后售卖]进行间接盈利)。
2、本站所有内容均由合作方或网友上传,本站不对文档的完整性、权威性及其观点立场正确性做任何保证或承诺!文档内容仅供研究参考,付费前请自行鉴别。
3、如文档内容存在违规,或者侵犯商业秘密、侵犯著作权等,请点击“违规举报”。

碎片内容

厂区围墙安全技术措施

您可能关注的文档

确认删除?
VIP
微信客服
  • 扫码咨询
会员Q群
  • 会员专属群点击这里加入QQ群
客服邮箱
回到顶部