电脑桌面
添加小米粒文库到电脑桌面
安装后可以在桌面快捷访问

石膏板企业标准化评定标准VIP免费

石膏板企业标准化评定标准_第1页
1/59
石膏板企业标准化评定标准_第2页
2/59
石膏板企业标准化评定标准_第3页
3/59
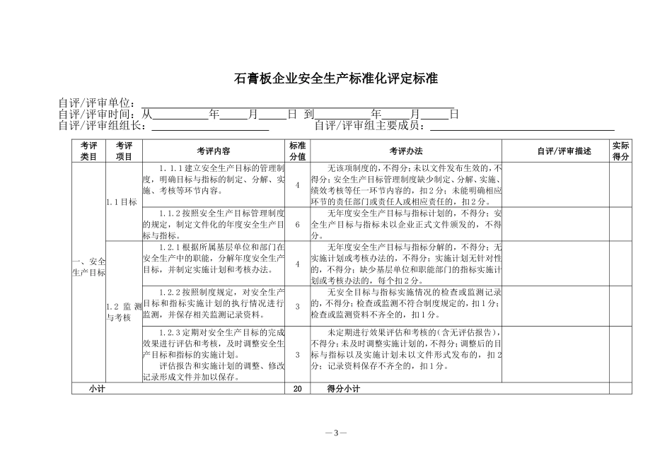
石膏板企业安全生产标准化评定标准考评说明1.本评定标准所指的石膏板企业是具有完整纸面石膏板生产线的企业。本评定标准适用于相关石膏板企业开展安全生产标准化自评、申请、外部评审及各级安全生产监督管理部门监督审核等相关工作(国家明令工艺落后、等量淘汰的石膏板生产企业不适用本标准)。2.在考核年度内未发生较大及以上生产安全事故、依法生产的石膏板企业,可以参加石膏板企业安全生产标准化等级考评。3.本评定标准分为13项考评类目、47项考评项目以及217条考评内容。4.在评定标准表中的自评/评审描述列中,企业及评审单位根据评定标准的有关要求,针对企业实际情况,采用资料核对、抽查考核和现场查证的方法进行;如实进行得分及扣分点说明、描述,并在《石膏板企业安全生产标准化自评/评审扣分原因说明汇总表》(见附表)中逐条列出。其中:安全管理考评部分,对人员抽查考核的数量不少于现场(或在册)人数的10%。生产单元考评部分,按照主要生产设备设施拥有量(H)的比例抽查:(1)H≤5,全部抽查;(2)5<H≤20,抽查5台;(3)20<H≤50,抽查10台;(4)H>50,抽查不少于10台。5.本评定标准中累计扣分项,无特别说明的均为直到该考评内容分数扣完为止,不出现负分。有特别说明扣分的(在考评办法中特别强调的扣分内容),在该类目总分内进行扣除。6.本评定标准共计1000分,最终标准化得分换算成百分制。换算公式如下:最后得分采用四舍五入,取小数点后一位数。7.标准化等级共分为一级、二级、三级,其中一级为最高。评定所对应的等级须同时满足标准化得分和安全绩效等要求,取最低的等级来确定标准化等级(见下表)。评定等级评审评分安全绩效一级≥90考核年度内未发生轻伤以上的生产安全事故。二级≥75考核年度内未发生重伤以上的生产安全事故。三级≥60考核年度内未发生人员死亡的生产安全事故。—1—8.石膏板企业标准化考评程序、有效期、等级证书和牌匾等参照《全国冶金等工贸企业安全生产标准化考评办法》(安监总管〔2011〕84号)的有关要求执行。—2—石膏板企业安全生产标准化评定标准自评/评审单位:自评/评审时间:从年月日到年月日自评/评审组组长:自评/评审组主要成员:考评类目考评项目考评内容标准分值考评办法自评/评审描述实际得分一、安全生产目标1.1目标1.1.1建立安全生产目标的管理制度,明确目标与指标的制定、分解、实施、考核等环节内容。4无该项制度的,不得分;未以文件发布生效的,不得分;安全生产目标管理制度缺少制定、分解、实施、绩效考核等任一环节内容的,扣2分;未能明确相应环节的责任部门或责任人或相应责任的,扣2分。1.1.2按照安全生产目标管理制度的规定,制定文件化的年度安全生产目标与指标。6无年度安全生产目标与指标计划的,不得分;安全生产目标与指标未以企业正式文件颁发的,不得分。1.2监测与考核1.2.1根据所属基层单位和部门在安全生产中的职能,分解年度安全生产目标,并制定实施计划和考核办法。4无年度安全生产目标与指标分解的,不得分;无实施计划或考核办法的,不得分;实施计划无针对性的,不得分;缺少基层单位和职能部门的指标实施计划或考核办法的,每个扣2分。1.2.2按照制度规定,对安全生产目标和指标实施计划的执行情况进行监测,并保存相关监测记录资料。3无安全目标与指标实施情况的检查或监测记录的,不得分;检查或监测不符合制度规定的,扣1分;检查或监测资料不齐全的,扣1分。1.2.3定期对安全生产目标的完成效果进行评估和考核,及时调整安全生产目标和指标的实施计划。评估报告和实施计划的调整、修改记录形成文件并加以保存。3未定期进行效果评估和考核的(含无评估报告),不得分;未及时调整实施计划的,不得分;调整后的目标与指标以及实施计划未以文件形式发布的,扣2分;记录资料保存不齐全的,扣1分。小计20得分小计—3—考评类目考评项目考评内容标准分值考评办法自评/评审描述实际得分二、组织机构和职责2.1组织机构和人员2.1.1建立设置安全管理机构、配备安全管理人员的管理制度。2无该项制度的,不得分;未以文件发布生效的,不得分;与国家、地方等有关规定不符的,扣1分。2.1.2...

1、当您付费下载文档后,您只拥有了使用权限,并不意味着购买了版权,文档只能用于自身使用,不得用于其他商业用途(如 [转卖]进行直接盈利或[编辑后售卖]进行间接盈利)。
2、本站所有内容均由合作方或网友上传,本站不对文档的完整性、权威性及其观点立场正确性做任何保证或承诺!文档内容仅供研究参考,付费前请自行鉴别。
3、如文档内容存在违规,或者侵犯商业秘密、侵犯著作权等,请点击“违规举报”。

碎片内容

石膏板企业标准化评定标准

确认删除?
VIP
微信客服
  • 扫码咨询
会员Q群
  • 会员专属群点击这里加入QQ群
客服邮箱
回到顶部